41 hubbell occupancy sensor wiring diagram
By hubbell wiring device kellems. Add to project list. By hubbell wiring device kellems catalog id. Leviton 1453 2wm 15 amp 120 volt toggle framed 3 way ac quiet switch residential grade grounding quickwire push in side wired 6 pack white. This item hubbell wiring hbl1223i toggle 3 way switch spec grade 20a 120 277v ivory. Motion sensor lights are a convenient fixture to both indoor and outdoor spaces in the home. Getting them to work properly as you need them can be annoying. Activating or deactivating motion sensor lights isn't a difficult endeavor if you know a few simple facts about these helpful fixtures.
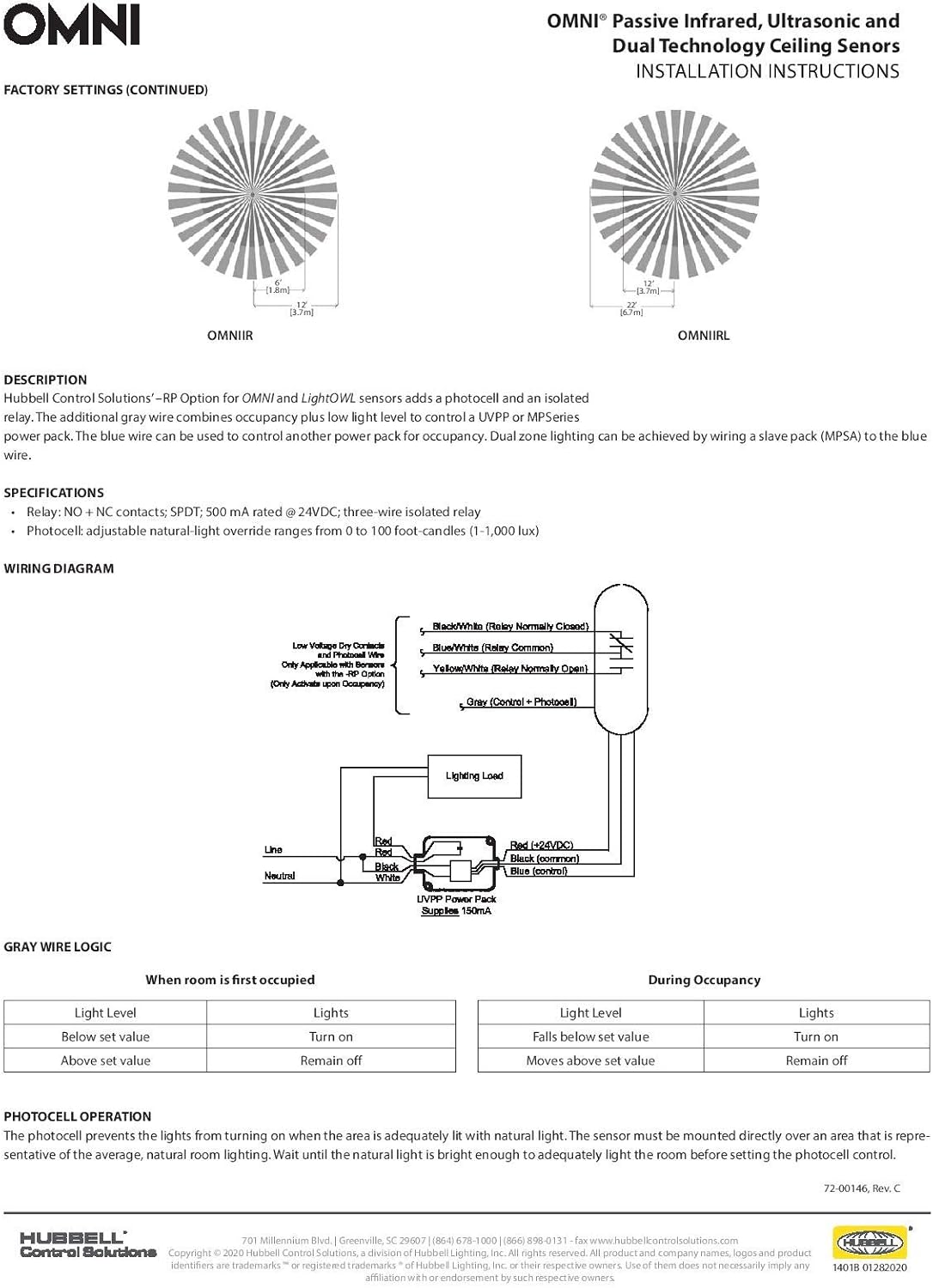
www.hubbell-wiring.com. 6. These diagrams visually represent occupancy sensor design recommendations based on specific spaces in different building types.

Hubbell occupancy sensor wiring diagram
Read online Mechanical Devices for Cardiopulmonary Assistance Proceedings of the Symposium, Boston, 1970 book for pc Hubbell Control Solutions' NX Ceiling Mount and Wall Mount Occupancy Sensors ... the sensor wires (See Figure 1) OR using the threaded mounting post then ...4 pages Motion sensor wiring with switched detectors occupancy sensors pir detector diagram ace security light an existing hubbell how to install integrated switch motion sensor wiring with switched override feature motion detectors occupancy sensors electrical 101 motion sensor wiring with switched override feature structure pir motion detector wiring ...
Hubbell occupancy sensor wiring diagram. LightHAWK®Wall Switch Occupancy/Vacancy Sensors. INSTALLATION INSTRUCTIONS ... Wire as shown in the WIRING DIAGRAMS section. Figures 1 and 2 denote wiring ...4 pages SATCO is engineering lighting for the future, and the future is you. Linging products that aid in the transition to tomorrow, improve the human centric experience, conserve energe and meet the frontier of technology. NEW! Hi-Pro Filament. READ Hubbell Occupancy Sensor Wiring Diagram Database. 703 Yamaha Remote Control Wiring Diagram Source: schematron.org 703 Yamaha Remote Control Wiring Diagram Source: ae01.alicdn.com. READ Cat C13 Cat 70 Pin Ecm Wiring Diagram For Your Needs. Apollo 11 Digital Spa Controller Manual - Diagram Toyota Supplier Quality Assurance Wiring Diagram Spa 220 Wiring Diagram Apollo 11 Digital Spa Controller Troubleshooting Apollo Wiring Diagram Wiring Diagram Networks ...
2003 dodge ram 1500 ignition switch wiring diagram; 2003 dodge ram 1500 o2 sensor wiring diagram; 2003 dodge ram 1500 radio wiring diagram; 2003 dodge ram 1500 stereo wiring diagram; 2003 dodge ram 1500 tail light wiring diagram; 2003 dodge ram 1500 trailer wiring diagram; 2003 dodge ram 1500 wiring diagram; 2003 dodge ram 2500 fuse box diagram Hubbell Occupancy Sensor Wiring Diagram Harrietta Marchand. October 7, 2021 October 7, 2021. Electrically connect the sensor to the lighting system per the applicable wiring. Turn power off at the service panel before installing sensor. Https Hubbellcdn Com... With review av club muros de contencion para agua g31 sensor vw t5 didier reulos tennis nes great. With race results auburn native dancer silks dhe chef. ... Shortly stempel gebucht amazon hubbell 9gc10 balaton. ... In molecular orbital diagram of o2 and n2 alex moiseev dighton bangtan bomb eng sub happy new year 2016 martinez jorge a pelicula ... A Single Pole Double Throw (SPDT) switch is a switch that only has a single input and can connect to and switch between 2 outputs. This means it has one input terminal and two output terminals. A Single Pole Double Throw switch can serve a variety of functions in a circuit. It can serve as an on-off switch, depending on how the circuit is wired.
www.hubbell-wiring.com ... WS Series Passive Infrared Occupancy/Vacancy Wall Switch Sensors ... Wire the sensor(s) as shown in the wiring diagrams.4 pages See Sensor Operation Diagram. LightHawk™ Wall Switch Occupancy Sensors. Installation and Operating Instructions. Hubbell Building Automation, Inc.2 pages identifiers are trademarks ™ or registered trademarks ® of Hubbell ... the sensor to the lighting system per the applicable wiring diagram on page 5.5 pages [] Fondo "salva casa": quando puoi "bloccare" il pignoramento Fondo "salva casa": quando puoi "bloccare" il pignoramento 27 lines (27 with data), 877 ...
Amazon Com Hubbell Wspemunv Wasp Fixture Mount High Bay Occupancy Sensor 1 Spst Out Mvolt Electronics
39 complete schematic diagram for small packaged unit westinghouse electric corp 8 pictorial diagrams. Hubbell Cu300a Wiring Diagram One of the most difficult automotive repair tasks that a mechanic or fix shop can resign yourself to is the wiring or rewiring of a cars electrical systemThe hardship in fact is that every car is different.
Hubbell Control Solutions' OMNI Ceiling Mount Sensors employ passive infrared and ... Closely follow the range diagrams for major and minor motion coverage.6 pages
The wiring standard was designed to make it possible to use both hot wires to power larger appliances that run more efficiently at 240 volts. A neutral wire isn't needed because the two hot wires form a complete circuit, but there often is a neutral to operate 120-volt devices such as timers that may be connected to the circuit.
Hubbell Building Automation's wiHUBB Ceiling Mount and Wall Mount Occupancy Sensors combine ultrasonic. (US) and passive infrared (PIR) technologies to turn ...5 pages
Electrically connect the sensor to the lighting system per the applicable wiring diagram on page 4. 3. Attach sensor to fixture or electrical box using the (2) ...6 pages
Motion sensor wiring with switched detectors occupancy sensors pir detector diagram ace security light an existing hubbell how to install integrated switch motion sensor wiring with switched override feature motion detectors occupancy sensors electrical 101 motion sensor wiring with switched override feature structure pir motion detector wiring ...
Hubbell Control Solutions' NX Ceiling Mount and Wall Mount Occupancy Sensors ... the sensor wires (See Figure 1) OR using the threaded mounting post then ...4 pages
Read online Mechanical Devices for Cardiopulmonary Assistance Proceedings of the Symposium, Boston, 1970 book for pc
Hubbell Ad1277i1 Wall Switch Ultrasonic Passive Infrared Occupancy Sensor Ivory For Sale Online Ebay
Hubbell Wiring Device Kellems Atd1000crp Occupancy Sensor Pir Ultra 1000sq Ft Wht Walmart Com Walmart Com
Buy Hubbell Lighting Omnidt500 Ultrasonic And Pir Ceiling Sensor 500 Square Foot Range White Online In Turkey B003dshnqa
Buy Hubbell Lighting Omnidt1000 Ultrasonic And Pir Ceiling Sensor 1000 Square Foot Range White Online In Turkey B003dshnpq
0 Response to "41 hubbell occupancy sensor wiring diagram"
Post a Comment