Iklan 300x250

39 positive ground wiring diagram

Wiring Diagram for Positive Ground Dynamator w/Ammeter The relay that is shown in the wiring diagram is provided by Accuspark for use in positive ground systems. The wiring diagram is shown with the permission of Mort Resnicoff. Mort was allowed to keep the faulty Dynamator, rather than ship it back to the U.K. This was the perfect opportunity for Mort and a fellow enthusiast, Jim Northrup, to have ... PDF Model a Ford Wiring - Mafca • Correct polarity - 6V ground is Positive • Keep electrolyte levels correct - distilled water • Caps in place • Keep connections clean and tight • Keep fully charged - trickle charges a good idea • Do not over charge - 10 amps for average driving • Keep securely mounted • Connect ground strap last

Ford Tractor Electrical System FORD TRACTOR ELECTRICAL SYSTEM. All N-Series Tractors - Ford-Ferguson 9N, 2N, and Ford 8N. First, regardless if your tractor is 6 or 12 volts, you should carefully inspect the wiring. Look for cracked insulation, splices, bare spots, cuts, etc. What you are looking for on terminals is dull or rusty hardware and any other signs of corrosion.

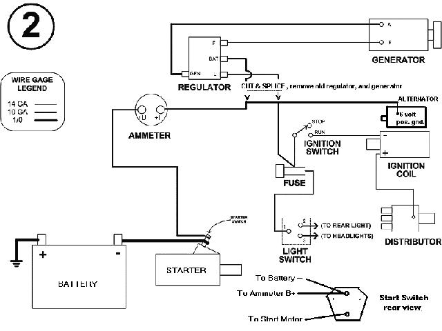
Positive ground wiring diagram

Positive ground wiring diagram

How Does a Positive Ground System Work? - Reference.com Facebook. Twitter. A positive ground system works by directly connecting the chassis of a vehicle to the positive side of the vehicle's battery. This system effectively earths the vehicle as the chassis attaches to the battery using a positive battery cable. The cable is tethered to the battery at one end and the engine block at the other. Generator Internal Wiring Diagram - 6v Positive Ground 3 ... Re: Generator Internal Wiring Diagram - 6v Positive Ground 3-Brush. Go to the PDF manuals, then go to Service Manuals / Delco Remy. Then look at : Third Brush Generators. The first one shows a voltage regulator system, the other cut-out system. Wiring inside the generator is the same either way. Location: Wa. How do I wire a turn signal switch for a positive ground ... I am looking for installation wiring diagram for 77931; Were to find a install instruction for 78473 light bar? Or trouble shooting. Unit just blinks on the pad does not light up lights on bar. What is S-LINK TECHNOLOGY? I am looking for installation wiring diagram for 77931; Were to find a install instruction for 78473 light bar? Or trouble ...

Positive ground wiring diagram. Tell me about 1 wire alternators and POSITIVE ground | The ... The voltage regulator in these positive ground alternators are still negative ground. The only component that makes the alternator positive ground is the rectifier. The red jumper wire is connected between the (negative) "Bat" stud on the rectifier to the ground screw for the voltage regulator. The ring terminal on the red wire must contact the ... 6volt positive ground question? - Technical - Antique ... With a positive ground system, the polarity is reversed from a negative ground system. In other words, the flow of electrons goes in the other direction. To get the polarity of the coil correct, the positive side of the coil goes to the points and the negetive side goes to the ignition switch. A distributor is divided in to two different ... Positive ground simplified - bugeyeguy.com Positive ground simplified. July 27, 2018 by bugeyeguy. Believe it or not, wiring a car with positive ground is supposed to make them rust less. Doesn't seem to work very well… my first car, a (positive ground) 1966 MGB came to me with rocker panels completely absent, as though they had vaporized. At the time the car was only 12 year old! Wiring Diagram Jds3462 Fuel Positive Ground on Wiring Diagram Jds3462 Fuel Positive Ground. Please ensure your coil is correctly fitted as diagram before commencing any work. Before commencing work it must be understood that with a positive earth car the or engine ground and the negative feed is taken from the cars wiring system. wholesale air fuel gauge 2inch 52mm electrical car meter ...

6 Volt Positive Ground Wiring Diagram | Fuse Box And ... Description : Ford 6 Volt Positive Ground Wiring Diagram Gmc Truck Radio Wire inside 6 Volt Positive Ground Wiring Diagram, image size 3804 X 1968 px, and to view image details please click the image. Here is a picture gallery about 6 Volt Positive Ground Wiring Diagram complete with the description of the image, please find the image you need. 6 VOLT ELECTRICAL TIPS & TRICKS - The Flat-Spot Be certain that any wiring you've done is at LEAST as big as what your Ford came with to keep from choking the system.Usually the culprit is in the ground…. or rather the lack of. The 6 volt battery should have the positive battery cable connected directly to the frame. Naturally the frame under the cable needs to be scraped bare and bright ... 12v positive ground wiring question - Farmall Cub Re: 12v positive ground wiring question. The long and short hash marks that represent the battery indicate a negative ground. Having run with the coil reversed won't do any damage. If you reverse the battery, polarize the generator before starting the engine. Failure to do this could cause damage. Wiring Diagram Jds3462 Fuel Positive Ground I could do this by reading the wiring diagram, but have you isolated the existing fuel sender line to splice the switch. Positive Ground found in: 6 Volt to 12 Volt Conversion FAQs - Antique Tractor Blog, Fuel Gauge (12 Volt positive ground only), 2 Cylinder Fuel Sending Unit, 63 Amp One Wire Alternator with Pulley -- Used for converting 6 Volt to.

Positive Ground Farmall H Wiring Diagram 6 Volt Collection Positive Ground Farmall H Wiring Diagram 6 Volt from usguidebook.comeluxitalia.it. Print the wiring diagram off and use highlighters in order to trace the signal. When you employ your finger or even stick to the circuit with your eyes, it's easy to mistrace the circuit. One trick that We use is to print exactly the same wiring picture off twice. Wiring Diagram For 6v Tractor Voltage Regulator Positive ... To wire it in, unhook the wires from the voltage regulator, cut the ends and. the negative went to the starter solenoid and electrical system. Chevrolet and most For the positive ground vehicles going to negative ground, everything in your vehicle will work as it does today. removing from the vehicle, remove the 6 volt voltage regulator diagram ... Alternator Wiring Diagram: A Complete Tutorial | EdrawMax This is a three-wire alternating wiring diagram showing the connections between the different components of a circuit. The circuit comprises three main wires: battery positive cable, voltage sensing wire, and ignition wire. The ignition input wire is attached to the engine. It conducts electricity from the engine to the alternator while the ... How to Wire A Positive Ground One Wire Alternator ... Connect the one wire off the post on the new positive ground alternator with a 10 gauge wire to the top terminal of the ammeter as shown on your diagram. As I said in other replies if your electronic ignition was connected per the manufacturer and the tractor ran fine as you stated several times keep it connected as before and enjoy.

Help needed! Fordson Dexta wiring diagram says ground is ...

Help needed! Fordson Dexta wiring diagram says ground is ...

Wiring Diagram For 6v Tractor Voltage Regulator Positive ... on Wiring Diagram For 6v Tractor Voltage Regulator Positive Ground Solenoid Start. This walk-thru is based on the original 8N tractor 6 volt wiring. Many of those were later converted to the 8N type generator and voltage regulator, so this Two small screw terminals on the side of the generator are for "Ground" and " Field".

Re: Coil wiring diagram /1954 pacific/cruising rpm engine ...

Re: Coil wiring diagram /1954 pacific/cruising rpm engine ...

positive ground - Antique Tractors Forum Joined Feb 26, 2012. ·. 1,420 Posts. #5 · May 21, 2015 (Edited) Only show this user. Normally all generators are positive ground. Some delco generators for cars were negative ground and they usually had a green lable where it has the Delco Remy tag. But 95% of generators are positive ground with the red tag.

6 or 12 VOLT POSITIVE GROUND WIRING

6 or 12 VOLT POSITIVE GROUND WIRING

R Model 12 volt Positive Ground Wiring Diagram - Antique ... R Model 12 volt Positive Ground Wiring Diagram. Here is a wiring diagram showing 12 volt positive ground for the old R & U Models... Support Topic Get Support Tutorial Information. Views 8,535. Submitted November 19, 2008. Updated November 19, 2008. Followers 0. Share More sharing options...

Minimum Electrical Connections to Test Run the Engine - Ford ...

Minimum Electrical Connections to Test Run the Engine - Ford ...

Pertronix Positive Ground Wiring - TTalk Pertronix Igniter Wiring For Positive Ground Cars. The wiring diagram shown below was obtained from Pertronix to show the proper hookup for a Pertronix Igniter in a car wired for positive ground, or earth if you prefer. It goes without saying that this is valid only for cars without ballast resistors, viz., our T-series cars.

50 f3 wiring diagram - Ford Truck Enthusiasts Forums

50 f3 wiring diagram - Ford Truck Enthusiasts Forums

please explain postive ground to me - Technical IH Talk ... At one time all electrical equipment (cars, trucks, etc). were Positive ground. Telephone companies still use it due to the fact that to change every telephone office and piece of equipment in the world would have to be changed at the same time due to the way they are interconnected.

Ammeter not showing charge on 6 volt system - Farmall Cub

Ammeter not showing charge on 6 volt system - Farmall Cub

PDF 6-Volt Positive Ground Installation Instructions 1. See figure B for wiring diagram. 2. Remove the ignition switch wire from the negative coil terminal. 3. Connect the black Ignitor wire directly to the ignition switch wire. 4. Connect the Ignitor black/white wire to negative (-) side of the ignition coil. 5. Connect an insulated, AWG 20 copper stranded wire from the positive coil terminal to ...

12v positive ground wiring question - Farmall Cub

12v positive ground wiring question - Farmall Cub

Help with battery and 6 volt positive grounding - P15-D24 ... The amp gauge needle should go toward the Neg sid with the ign on and the headlamps on, and then show a slightly positive indication after starting and with the engine runig above idle. If the gauge reads opposit, a trip under the dash (with the battery disconnected) will be necessary to swap the wires on the gauge terminal posts.

Ford 640 not charging - Yesterday's Tractors

Ford 640 not charging - Yesterday's Tractors

PDF Positive Ground Relay Wiring Schematic Title: Microsoft Word - Positive Ground Relay Wiring Schematic.doc Author: Brad Sandberg Created Date: 8/14/2013 5:06:40 PM

1965 T120 Custom Wiring - No Battery | Triumph Rat Motorcycle ...

1965 T120 Custom Wiring - No Battery | Triumph Rat Motorcycle ...

How do I wire a turn signal switch for a positive ground ... I am looking for installation wiring diagram for 77931; Were to find a install instruction for 78473 light bar? Or trouble shooting. Unit just blinks on the pad does not light up lights on bar. What is S-LINK TECHNOLOGY? I am looking for installation wiring diagram for 77931; Were to find a install instruction for 78473 light bar? Or trouble ...

6 Volt Positive Ground LED Headlight Conversion Kit

6 Volt Positive Ground LED Headlight Conversion Kit

Generator Internal Wiring Diagram - 6v Positive Ground 3 ... Re: Generator Internal Wiring Diagram - 6v Positive Ground 3-Brush. Go to the PDF manuals, then go to Service Manuals / Delco Remy. Then look at : Third Brush Generators. The first one shows a voltage regulator system, the other cut-out system. Wiring inside the generator is the same either way. Location: Wa.

1950 Farmall Cub

1950 Farmall Cub

How Does a Positive Ground System Work? - Reference.com Facebook. Twitter. A positive ground system works by directly connecting the chassis of a vehicle to the positive side of the vehicle's battery. This system effectively earths the vehicle as the chassis attaches to the battery using a positive battery cable. The cable is tethered to the battery at one end and the engine block at the other.

AccuSpark Positive earth fitting instructions

AccuSpark Positive earth fitting instructions

Random « airstreamflyfish.com

Random « airstreamflyfish.com

Bob Johnstones Studebaker Resource Website (Studebakers ...

Bob Johnstones Studebaker Resource Website (Studebakers ...

6v, 12v negative or positive ground? - Farmall ...

6v, 12v negative or positive ground? - Farmall ...

Auto Electrics Part 2

Auto Electrics Part 2

Positive to negative ground - Electrical, Electronics and ...

Positive to negative ground - Electrical, Electronics and ...

Smith Brothers Services - Sealed Beam Plow Light Wiring Diagram

Smith Brothers Services - Sealed Beam Plow Light Wiring Diagram

23 Complex Wiring Diagram Online For You , https ...

23 Complex Wiring Diagram Online For You , https ...

Old Britts, Simplified Wiring Diagrams

Old Britts, Simplified Wiring Diagrams

Is this PNP positive ground terminal strip rangemaster wiring ...

Is this PNP positive ground terminal strip rangemaster wiring ...

How to Diagnose Automotive Electrical Ground Issues

How to Diagnose Automotive Electrical Ground Issues

Ammeter on JD60 - Yesterday's Tractors

Ammeter on JD60 - Yesterday's Tractors

Chevy Wiring diagrams

Chevy Wiring diagrams

Bob Johnstones Studebaker Resource Website (Wiring Diagram ...

Bob Johnstones Studebaker Resource Website (Wiring Diagram ...

install Pertronix ignitor : The 3000 Forum : Austin-Healey ...

install Pertronix ignitor : The 3000 Forum : Austin-Healey ...

98 Prostar Engine Wiring for Pertronixs Distributor - TeamTalk

98 Prostar Engine Wiring for Pertronixs Distributor - TeamTalk

I'm a newbie wishing to know what I have. (2013) | Page 9 ...

I'm a newbie wishing to know what I have. (2013) | Page 9 ...

Pertronix Positive Ground Wiring

Pertronix Positive Ground Wiring

Technical - Changing '46 Dodge truck to 12V neg ground - Coil ...

Technical - Changing '46 Dodge truck to 12V neg ground - Coil ...

12 v positive or negative ground - Yesterday's Tractors

12 v positive or negative ground - Yesterday's Tractors

EIGN05 Electronic Ignition Kit: IH

EIGN05 Electronic Ignition Kit: IH

Old Britts, Simplified Wiring Diagrams

Old Britts, Simplified Wiring Diagrams

BSA A10 Super Rocket rewire

BSA A10 Super Rocket rewire

Old Britts, Simplified Wiring Diagrams

Old Britts, Simplified Wiring Diagrams

6 Volt Generator

6 Volt Generator "TO" 6 Volt Alternator Conversion, Farmall M ...

I have a Farmall Model that I want to change from the 6-volt ...

I have a Farmall Model that I want to change from the 6-volt ...

coil hookup with + ground - Technical - Antique Automobile ...

coil hookup with + ground - Technical - Antique Automobile ...

IH Farmall Super A 6 Volt Positive Ground Generator & Regulator Install

IH Farmall Super A 6 Volt Positive Ground Generator & Regulator Install

0 Response to "39 positive ground wiring diagram"

Post a Comment

Iklan Atas Artikel

Iklan Tengah Artikel 1

Iklan Tengah Artikel 2

Iklan Bawah Artikel