41 murray lawn mower parts diagram
We are an Authorized Murray Mower service dealer carrying a large selection of Murray Illustrated Parts Lists. If you do not see the Murray Part you need, please complete the Lawn Parts Request Form and we will be happy to assist you. MURRAY. CULTIVATOR. 11052X30B. Murray Lawn & Garden Tractors parts with OEM Murray parts diagrams to find Murray Lawn & Garden Tractors repair parts quickly and easily Order Status Customer Support 512-288-4355 My Account Login to your PartsTree.com to view your saved list of equipment.
Parts lookup for Murray power equipment is simpler than ever. Enter your model number in the search box above or just choose from the list below.

Murray lawn mower parts diagram
Lawn Mower Repair, Parts & Service Certified small engine mechanics servicing ALL BRANDS of lawn mowers, go-karts, golf carts and equipment in Knoxville for over 10 years. Need to fix your MP21450 (2691618-00)(2019) Mp21450, Murray 21-Inch Walk Behind Mower (2019)? Use our part lists, interactive diagrams, accessories and expert repair advice to make your repairs easy. Description : Murray 7800258 Parts List And Diagram – (M2255Fc with Murray Lawn Mower Deck Parts Diagram, image size 590 X 635 px, and to view image details please click the image. Here is a picture gallery about murray lawn mower deck parts diagram complete with the description of the image, please find the image you need.
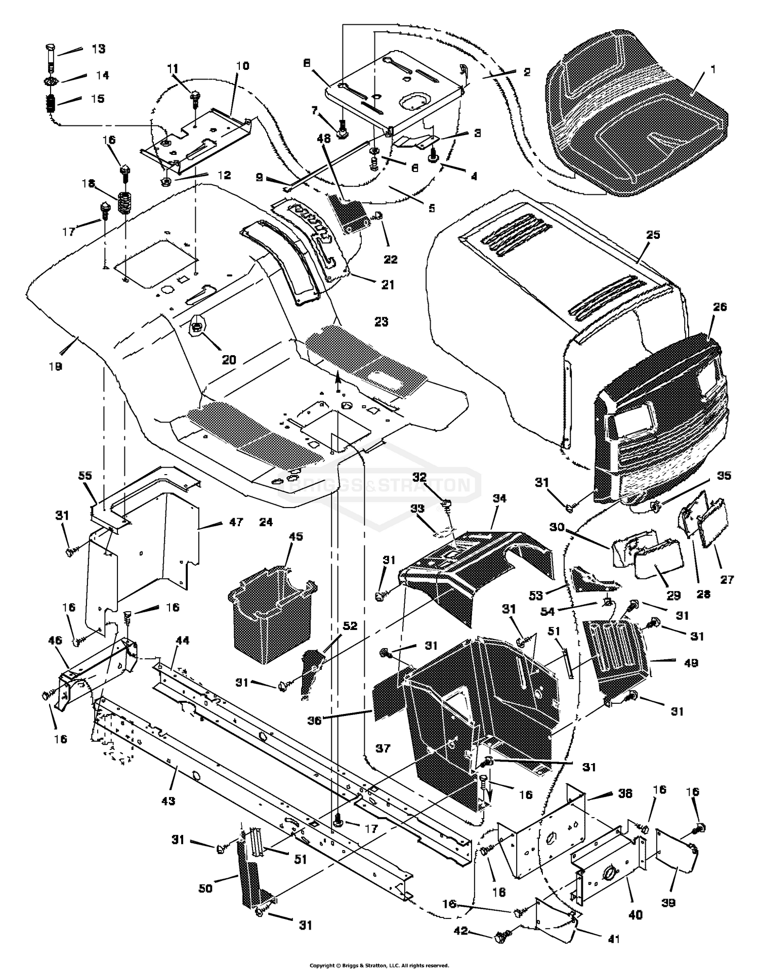
Murray lawn mower parts diagram. Murray Walk-Behind Mowers parts with OEM Murray parts diagrams to find Murray Walk-Behind Mowers repair parts quickly and easily Order Status Customer Support 512-288-4355 My Account Login to your PartsTree.com to view your saved list of equipment. If your Murray Lawn Mower is broken, PartSelect.com can help. We offer over 2 million repair parts, step by step instructions and installation videos to help you complete your Murray repair. Use your model number and get started ordering Murray Lawn Mower parts today! Murray 465306x8B - Lawn Tractor (2005) Parts Diagrams. SWIPE SWIPE. Chassis & Hood. Electrical System. Engine Mount Assembly. Motion Drive. Mower Housing. Mower Housing Suspension. Need to fix your 42819X92A Riding Mower? Use our part lists, interactive diagrams, accessories and expert repair advice to make your repairs easy.
42 Riding Mower. Murray 46 Inch Cut Lawn Tractor 46562x8a Ereplacementparts Com. Murray Lawn Tractor 38633x92a Ereplacementparts Com. Pin On Auto Maintenance And Repair. Vg 0172 Murray Riding Lawn Mower Parts Diagram Replacement Spindle For Wiring. Murray 36 Lawn Tractor 4 36508 Ereplacementparts Com. 42 Riding Mower. If you know the model number of your Murray product, enter it in the search window below to locate Operator's Manuals, Illustrated Parts Lists and Wiring Diagrams. Find Your Murray Model Number Model Numbers on Murray riding lawn mowers are found on the back of the mower or under the seat. Description : Murray 7800258 Parts List And Diagram – (M2255Fc with Murray Lawn Mower Deck Parts Diagram, image size 590 X 635 px, and to view image details please click the image. Here is a picture gallery about murray lawn mower deck parts diagram complete with the description of the image, please find the image you need. Need to fix your MP21450 (2691618-00)(2019) Mp21450, Murray 21-Inch Walk Behind Mower (2019)? Use our part lists, interactive diagrams, accessories and expert repair advice to make your repairs easy.
Lawn Mower Repair, Parts & Service Certified small engine mechanics servicing ALL BRANDS of lawn mowers, go-karts, golf carts and equipment in Knoxville for over 10 years.
Murray Riding Lawn Mower Parts Diagram Murray Riding Lawn Mower Parts Diagram For Murray 40 Lawn Mower Blade Belt 90 97 37x62mabuy Murray 40 Lawn Mower Blade Belt 90 97 37x62ma
Briggs Amp Stratton Yard Power Formerly Murray Del 26072017021742 46567x6a Lawn Tractor 1997 Chassis Hood

Murray 205310x00a 20 Walk Behind Mower 2003 Housing Assembly Spareparts Bs672601ma Hgt Adj 7 2022 8 Fl

Murray 42 46 52 Deck Spindle Assembly No 7601127ma Murray Noma Spindle Assemblies Lawnmower Parts Discount Online Parts
0 Response to "41 murray lawn mower parts diagram"
Post a Comment