37 john deere gator 4x2 wiring diagram
John Deere Lawn & Garden. 4 x2 Gator wiring diagram. Thread starter cpcycles; Start date Aug 21, 2012 Aug 21, 2012 #1 C. cpcycles New member. Joined Aug 21, 2012 Messages 2 Location Chillicothe, Ohio Tractor Gator, 420 JD, MT Hello, I am a newbe here looking for the ignition diagram for a 1998 John Deere Gator. It was stolen a month ago and ... John Deere Gator 4X2 Wiring Diagram Download. A wiring diagram is a schematic type that uses abstract illustrated symbols to show all of the components of a system. Wiring diagrams are made up of two things: symbols that represent the components of a circuit, and lines that represent the connections between them.
Does anyone have the wiring schematics for a 2001 John Deere 4X2 Gator with the gasoline Kawasaki engine? I would be most appreciative for any help in this manner. Thanks in advance.

John deere gator 4x2 wiring diagram
John Deere Gator 4×2 Wiring Diagram. Best Of- Welcome to my blog, within this time period I will explain to you regarding john deere gator 4×2 wiring diagram. . And from now on, this is the very first image: Amazing John Deere Gator Wiring Diagram Everything You Need from john deere gator 4×2 wiring diagram , source:ferryboat.us. John Deere Gator Utility Vehicle Te Tm2339 Technical Manual. John deere gator utility vehicle ts th 850d huv forums xuv vehicles 4x2 m 6x4 engine diagram hpx wiring horn blinkers 4x6 gas pc2387 1993 main harness and switches service manual tm1804 transmission turf schematics 120 excavator peg perego te tx light duty car circuit 835m with cab green 1050 the on model b i have a 2007 620i that ... John Deere 4x2 Turf Gator Wiring Harness AM for Pre-Owned. $ or Best Offer. John Deere Gator Wiring Harness w/ Hour Meter AM, 12v HORN for SXS UTV + Turn Signal Kit Wiring Diagram for DIY All Polaris Honda (Fits: More than one vehicle) Brand New. $ John Deere Model 4X2 Gator Parts - Serial number location. Jun 14, · need wiring diagram i have ...
John deere gator 4x2 wiring diagram. FK 8891] John Deere Gator Xuv Part Diagram Schematic Wiring from wire schematic for john deere gator ts 4×2 , source:effl.nful.dome.mohammedshrine.org. So, if you wish to acquire all of these fantastic shots related to (Wire Schematic for John Deere Gator Ts 4×2), click on save icon to save these photos for your pc. GATOR® Utility Vehicle. 4x2, 6x4 & Trail PIN ( -) This manual is an important part of your machine and should remain with the machine when You can also use this manual to answer any specific operating or servicing questions. deere gator tx 4x2 wiring diagram pdf format. you should get the file at as a oem wiring harness john deere gator ... Key Switch Problem John Deere Gator Forums. John deere gator utility vehicle ts th e 6x4 engine diagram transmission vehicles 4x2 te xuv hpx 850d m electrical and or pictures my deer 855 will not start battery is 625i connections tm1944 2030 progator parts toy golf fuel pump getting power peg perego key switch problem 825i brake pedal mod wiring 98 charging harness sd sensor turf 620i won t ... john deere gator 6×4 wiring diagram pto switch wiring diagram elegant excellent deere gator 6×4 wiring diagram electrical 7n. We collect a lot of pictures about John Deere Gator 4×2 Ts Fuse Block. and finally we upload it on our website. Many good image inspirations on our internet are the most effective image selection for John Deere Gator ...
John Deere Gator 4×2 Electrical Schematic. - Pleasant for you to my personal website, in this particular moment I am going to teach you concerning john deere gator 4×2 electrical schematic. . And today, this is the initial image: CT 9164] Gator Xuv 620I Wiring Diagram from john deere gator 4×2 electrical schematic , source:viewor.vira ... Jd Gator 4×2 Wiring Diagram. - Pleasant to be able to our website, in this particular occasion I'm going to show you about jd gator 4×2 wiring diagram. . And today, here is the primary image: 2000 4×2 electrical diagram and or pictures from jd gator 4×2 wiring diagram , source:gatorforums.net. FFFD56 John Deere Gator 6×4 Wiring Diagram ... Trail Gator 4x2 Wiring Diagram. John Deere Gator Hpx 4x4 Wiring Diagram Tx 4x2 Schematic i Database john deere trail gator 6x4 wiring diagram starter generator hpx plus electrical. the peg perego gators have two switches in the shifter that need replaced. I have replaced them before on my grandkid's gator. Here is the. Hello I inherited a Gator 4x2 from my neighbour that hasn't run in several years. It has the Kawasaski FE290D motor. I'm having problems finding an electrical diagram for it. Its missing the ignition and there are several loose wires that don't seem to line up with anything. Does anybody have a...
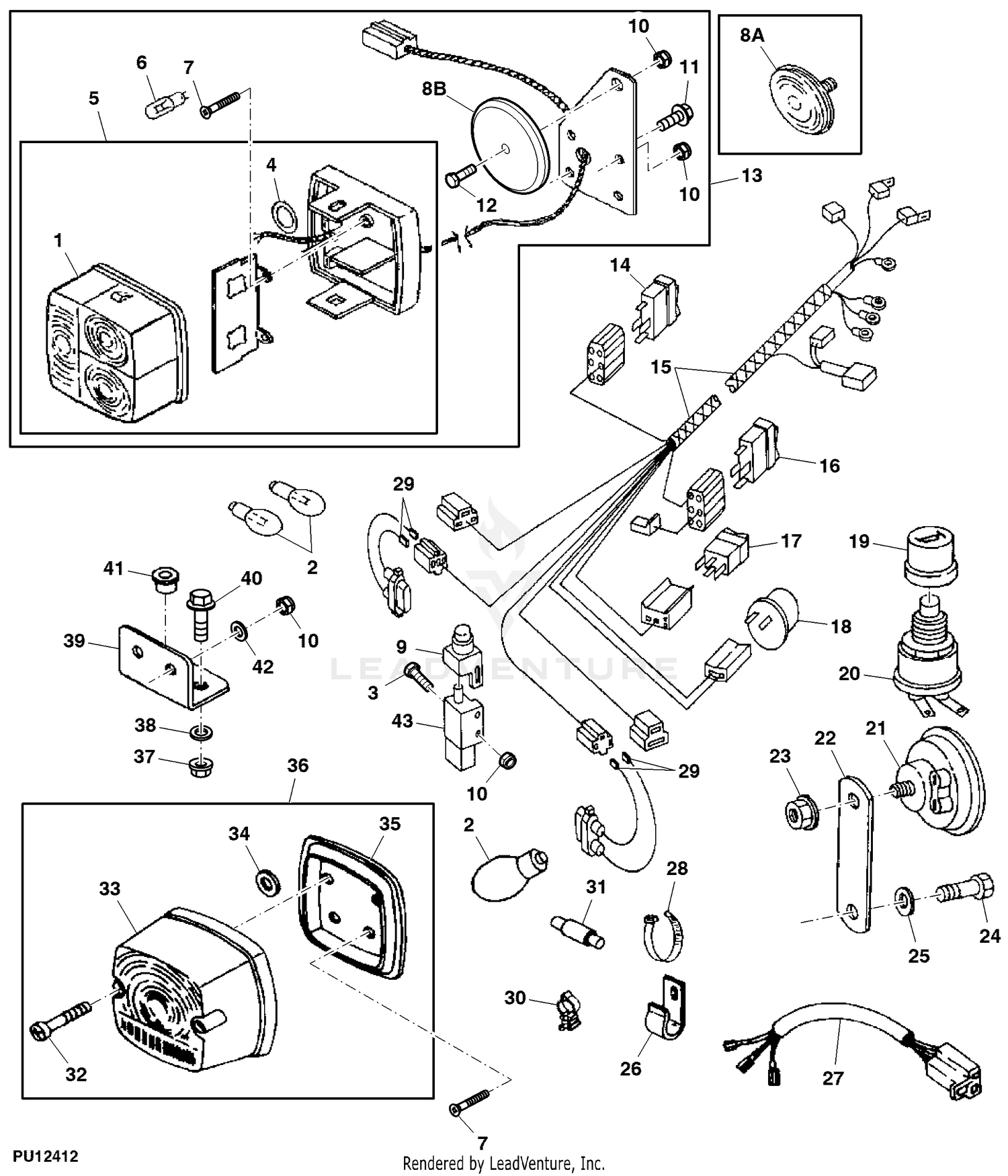
Assortment of john deere gator tx wiring diagram. John deere gator wiring diagram. Regulator Is A Self Contained Unit And Is Not Repairable. It shows the parts of the circuit as streamlined shapes as well as the power and also signal links in between the gadgets. John Deere Model 4X2 Gator Parts - Serial number location. Or Best Offer. Starter Wiring diagram for a 2004 John Deere gator MODEL CS. 6x4 and 6x4 Trail. PIN ( Remove cover to provide clearance for battery installation. NOTE: If. GATOR 4x2 - remove drain plug (A) at rear of engine to drain oil. . John deere gator utility vehicle ts th 6x4 sel 2020 wiring diagram 411 amps volts switch n breaker or site resource e troubleshooting guide rsgoodsite 2000 4x2 electrical and pictures forums main harness switches trail gators worksite 777parts 4x6 repair manual pdf heys s. John Deere Gator Utility Vehicle Ts Th 6x4 Sel. John Deere Gator 2020 Wiring Diagram 411 Amps Volts Switch N Breaker Or ... 4X2/6X4 Gator™, Diesel Gator™, Worksite, Trail Gator™ and Trail Gator™ Camo Edition PC2387 (I.1) AUG-21 7 / 8 To The Customer The part numbers in this Parts Catalog were correct at the time of publication. Per John Deere policy, we continuously improve our products. Therefore, when ordering parts verify the part numbers with your dealer.
D3583 JPG. john deere gator wiring diagram awesome peg perego gator hpx wiring diagram wiring diagram of john deere gator wiring diagram. We collect plenty of pictures about Wire Schematic for John Deere Gator Ts 4×2. and finally we upload it on our website. Many good image inspirations on our internet are the very best image selection for ...
John deere gator utility vehicle ts th 6x4 sel 4x2 4x6 repair manual pdf heys s 2000 ignition forums electrical diagram and or pictures light duty vehicles cs cx tm2239 technical manualexpert m tm1804 service tm1518 main wiring harness switches trail gators worksite 777parts gas parts catalog 003924 diagnosis a youfixthis battery tx turf diagnostic tm2241 hpx 4… Read More »
John Deere 4x2 Turf Gator Wiring Harness AM for Pre-Owned. $ or Best Offer. John Deere Gator Wiring Harness w/ Hour Meter AM, 12v HORN for SXS UTV + Turn Signal Kit Wiring Diagram for DIY All Polaris Honda (Fits: More than one vehicle) Brand New. $ John Deere Model 4X2 Gator Parts - Serial number location. Jun 14, · need wiring diagram i have ...
John Deere Gator Utility Vehicle Te Tm2339 Technical Manual. John deere gator utility vehicle ts th 850d huv forums xuv vehicles 4x2 m 6x4 engine diagram hpx wiring horn blinkers 4x6 gas pc2387 1993 main harness and switches service manual tm1804 transmission turf schematics 120 excavator peg perego te tx light duty car circuit 835m with cab green 1050 the on model b i have a 2007 620i that ...
John Deere Gator 4×2 Wiring Diagram. Best Of- Welcome to my blog, within this time period I will explain to you regarding john deere gator 4×2 wiring diagram. . And from now on, this is the very first image: Amazing John Deere Gator Wiring Diagram Everything You Need from john deere gator 4×2 wiring diagram , source:ferryboat.us.
0 Response to "37 john deere gator 4x2 wiring diagram"
Post a Comment