39 generac rts transfer switch wiring diagram
ai-team.it 23.2.2022 · The favorite package previously sold under model #5875 which includes the 200 Amp, Service-Entrance-Rated Smart Switch, an automated Generac Wiring Harness Wiring Generac Mc 40 Best Place to Find Wiring and April 6th, 2019 - Wiring Generac Mc 40 The wiring diagram on the opposite hand is particularly beneficial to an outside electrician … comparative cultural studies comparative literature media ... Issue 6.1 (March 2004) Thematic Issue: Shakespeare on Film in Asia and Hollywood. Ed. Charles S. Ross
MIT - Massachusetts Institute of Technology a aa aaa aaaa aaacn aaah aaai aaas aab aabb aac aacc aace aachen aacom aacs aacsb aad aadvantage aae aaf aafp aag aah aai aaj aal aalborg aalib aaliyah aall aalto aam ...

Generac rts transfer switch wiring diagram
Generac Power Systems - Find My Manual, Parts List, and ... Generac liquid-cooled home standby generators, as well as CorePower Series and portable units, require a minimum of 36 inches of clearance from any non-combustible surfaces (i.e., concrete, brick, etc.) and a minimum of 60 inches from any combustible surfaces … Facebook Choose: Choose: Custom Logo Add logos to all protected items: Custom creator profile A public list that shows all the items a creator/owner has in DMCA system: Digital Ink Signature Sign with your mobile, tablet, finger, mouse, touchpad etc. : Add Items Items add to dmca.com content registry. Get your content registered in a globally recognized 3rd party system. Newsletter Signup - Hollywood.com Newsletter sign up. In subscribing to our newsletter by entering your email address you confirm you are over the age of 18 (or have obtained your parent’s/guardian’s permission to subscribe ...
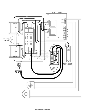
Generac rts transfer switch wiring diagram. Generac 200 Amp Transfer Switch Wiring Diagram Refer to the SMM Owner's/Installation Manual for.Variety of generac amp automatic transfer switch wiring diagram. A wiring diagram is a simplified conventional photographic representation of an electric circuit. Automatic transfer switch amp, single phase, vac, service rated, circuit load center (28 pages) Switch Generac Power Systems RTSWG3 ... Generac Transfer Switch Wiring Diagram - Wiring Diagram Jan 15, 2022 · Generac Rts Transfer Switch Wiring – Data Wiring Diagram Site – Generac Transfer Switch Wiring Diagram. Wiring Diagram contains several detailed illustrations that present the connection of varied things. It includes directions and diagrams for different kinds of wiring techniques along with other things like lights, windows, and so on. Generac Rts Transfer Switch Wiring Diagram Sample Sep 22, 2020 · DOWNLOAD. Wiring Diagram Sheets Detail: Name: generac rts transfer switch wiring diagram – Generac Automatic Transfer Switch Wiring Diagram WIRING DIAGRAM Endearing. File Type: JPG. Source: britishpanto.org. Size: 457.60 KB. Dimension: 1180 x 1528. See also Lutron 3 Way Switch Wiring Diagram Download. DOWNLOAD. Generac Rts Transfer Switch Wiring Diagram Switch Rating Wire . Guardian generac transfer switch wiring diagram is among the photos we discovered on the web from reliable resources. We decide to discuss this guardian generac transfer switch wiring diagram picture in this post because based on information from Google engine, It is . RTS is a model of transfer switch made by Generac.
RTS Automatic Transfer Switch - Generac Power Systems The automatic transfer switch is used for transferring critical electrical loads from a UTILITY (NORMAL) power source to an EMERGENCY (GENERATOR) power source. The transfer switch prevents electrical feedback between the UTILITY and EMERGENCY sources. For that reason, electrical codes require a transfer switch in all standby electric system TECHNICAL MANUAL - Genset Services MANUAL. This manual should remain with the unit. RTS Automatic Transfer Switch ... Generac Power Systems, Inc., hereafter referred to as. Product Manuals - Generac Power Systems Parts Manual / EV (Unit), EV 200A 120/240 NON SE, 0G6037A, EN. Wiring Diagram, WD INTERCONNECTION RTS, 0F6941, EN. Wiring Diagram/Schematic Drawing ... Generac Transfer Switch Wiring Diagram - Wirings Diagram Feb 19, 2022 · Generac Transfer Switch Wiring Diagram – generac 100 amp transfer switch wiring diagram, generac 200 transfer switch wiring diagram, generac 200a transfer switch wiring diagram, Every electrical arrangement is made up of various unique parts. Each part ought to be set and linked to other parts in particular way.
Newsletter Signup - Hollywood.com Newsletter sign up. In subscribing to our newsletter by entering your email address you confirm you are over the age of 18 (or have obtained your parent’s/guardian’s permission to subscribe ... Facebook Choose: Choose: Custom Logo Add logos to all protected items: Custom creator profile A public list that shows all the items a creator/owner has in DMCA system: Digital Ink Signature Sign with your mobile, tablet, finger, mouse, touchpad etc. : Add Items Items add to dmca.com content registry. Get your content registered in a globally recognized 3rd party system. Generac Power Systems - Find My Manual, Parts List, and ... Generac liquid-cooled home standby generators, as well as CorePower Series and portable units, require a minimum of 36 inches of clearance from any non-combustible surfaces (i.e., concrete, brick, etc.) and a minimum of 60 inches from any combustible surfaces …
0 Response to "39 generac rts transfer switch wiring diagram"
Post a Comment