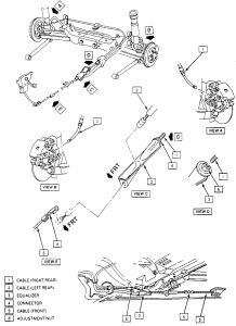
42 2003 buick lesabre brake line diagram
Seni Budayaku - grinditcoffee.pl Blog Seni Budaya indonesia yang mencakup kebudayaan daerah, adat dan tradisi daerah, seni rupa, seni musik, seni teater, seni sastra dan seni tari. SOLVED: Where can I get a diagram of the brake line? - Fixya Leaking brake fluid from rear driver side brake lines,need a diagram of how to replace the lines. 1994 ford taurus 3.o v6.thanks They don't make diagrams for brake lines. The lines are sold in bulk.
SOLVED: 7 chevy silverado dual climate control problem - Fixya Jul 29, 2013 · SOURCE: 2004 Chevy Silverado AC is blowing warm air on passenger side. You have dual zones that are controlled by temperature actuators the passenger side has lost its memory or has gone bad you can put it in self programming by disconnecting the battery for ten minutes then hook it back up start the truck turn the temperature control on but do not touch any other controls let it go thru the ...

2003 buick lesabre brake line diagram
2000-2003 Buick LeSabre Brake Line - Brake - AC Delco ... AC Delco Rear At Master Cylinder Brake Line - 2000-2003 Buick LeSabre #25698855 (4) $54.43 . AC Delco Front At Master Cylinder Brake Line - 2000-2003 Buick LeSabre #25698848 (5) $54.43 . Centric Rear Brake Hose - 2000-2005 Buick LeSabre #150.62337. $10.73 . lalocandadellosvapostore.it Feb 28, 2022 · email protected] Brake Lines for Buick LeSabre for sale | eBay Buick LeSabre Brake Lines. The Buick LeSabre is a comfortable sedan that had a production run from 1959 to 2005. While focusing on keeping your car running is important, remember that safely stopping is just as important as going.
2003 buick lesabre brake line diagram. Curt Echo Wireless Trailer Brake Controller - 1 to 2 Axles ... I like it. It works as advertised. My 2019 Buick Enclave was not prewired for a controller. I could not find the correct wires and the dealers could not provide a wiring diagram. They were charging more to install my 17 year existing brake controller than the Curt product cost. Some dealers would not install a used product. Ford F-250 (1992 - 1997) - fuse box diagram - Auto Genius May 16, 2018 · Ford F-250 (1992 – 1997) – fuse box diagram. Year of production: 2000, 2001, 2002, 2003. Passenger Compartment Fuse Box Ford F-250 – fuse box diagram ... Rusted Brake lines : Buick LeSabre Brakes Buick LeSabre Rusted Brake lines - 45 reports. Learn about this problem, why it occurs, and how to fix it. Buick LeSabre Rusted Brake lines - 45 reports. ... 2003 Buick LeSabre 150,000 mi, Visitor. I have a rusted brake line I need to know the diameter of the brake line so I can replace it . Report. Buick LeSabre Brake Line & Hose | CarPartsDiscount.com Why Brake Line & Hose replacement is so important. A brake system that works properly will ensure you can stop your car or truck when you want. That means your Buick LeSabre brake lines or hoses need to be free of leaks at all times. Hydraulic brake lines connect the brake master cylinder to the calipers and/or wheel cylinders on your car or truck.
Trying to Replace the Right Front Brake Line If previously released, secure the brake pipe to the retainers. Bleed the hydraulic brake system. With the aid of an assistant, inspect the brake pipe flares for leaks by starting the engine and applying the brakes. Check out the diagrams (Below). Please let us know if you need anything else to get the problem fixed. Fuel System Components for 2003 Buick LeSabre ... Release Switch Park Avenue. With traction control. 2002-2005, brake control. 1996-99, brake pedal. All models. 2000-2001, brake control. 4.0L, cruise release. gisellanaturale.it Feb 27, 2022 · VIEW CURRENT OFFER VIEW INVENTORY. 9 Headlights problem of the 2005 Buick Lesabre 1Unanswered Buick LeSabre questions & open problems. About Buick lesabre problems . The 2003 Buick LeSabre is a roomy four-door sedan powered by a six-cylinder engine. com. Mechanic believes their is corrosion in the fuse panel. 6 cyl. Demco SBS Stay-IN-Play DUO Supplemental Braking System ... Simply cut the end of the air line at an angle to poke it through the slit. Vacuum Pressure Creates Smooth Braking Normally, when you activate the brakes in your vehicle, a vacuum multiplies the pressure you apply to your brake pedal, creating the force necessary to stop the full weight of the moving car.
2004 Buick LeSabre 3.8L Brake Lines | 2004 LeSabre Brakes ... Buick LeSabre Brake Line 2004 4 Door w/ABS w/ 4 Wheel Disc Brakes 3.8L BLB-101-SS1A Stainless Steel Set. Buick LeSabre Brake Line 2004 4 Door w/ABS w/ 4 Wheel Disc Brakes 3.8L BLB-101-SS1A Stainless Steel Set Lines - To - Go. $249.94 $199.95 (You save $49.99 ... Buick LeSabre Questions - Brake line repair - CarGurus 2005 Buick LeSabre For Sale. 54 listings starting at $2,499. 2004 Buick LeSabre For Sale. 53 listings starting at $2,500. 2003 Buick LeSabre For Sale. 3 Great Deals out of 48 listings starting at $2,000. 2002 Buick LeSabre For Sale. 41 listings starting at $1,595. 2001 Buick LeSabre For Sale. 2003 Buick LeSabre Brake Lines and Hoses - AutoZone Equip cars, trucks & SUVs with 2003 Buick LeSabre Brake Lines and Hoses from AutoZone. Get Yours Today! We have the best products at the right price. LeSabre - Car Forums and Automotive Chat 1995 LeSabre engine revving (Accelerating) 95 LeSabre Bucking. 1992 Buick lesabre no power to blower A/C blower. 2001 Buick Lesabre P0446. common code 0446. temperature of catalytic converter. AC water on passenger front carpet. 01 Limited: Driver mirror. Question after upper and lowergasket rplmnt.
Serpentine belt diagram - 2003 Buick LeSabre 2003 Buick Regal 2003 Regal GS Serpintine Belt Routing â€Âº 2003 â€Âº Buick â€Âº

Inline Tube Compatible with 2000-05 4 Wheel Disc with Abs Complete Brake Line Set 8Pc Compatible with Buick Lesabre (R 4 1)
2000-05 Buick LeSabre Four-Wheel Disc w/ABS Mid Brake Line ... 2000-05 Buick LeSabre Four-Wheel Disc w/ABS Mid Brake Line Kit 5pc, OE Steel. BRB2003. This preformed complete brake line kit will replace all the metal brake lines on your vehicle and includes the master cylinder lines, left front line and right front crossover line, intermediate lines, and rear axle lines/trailing arm lines.
Brake Master Cylinders & Parts for 2003 Buick LeSabre for ... Brake Master Cylinder Fits 00 02-03 BONNEVILLE 101982 (Fits: 2003 Buick LeSabre) $37.19. Was: $39.99. Free shipping. or Best Offer. SPONSORED.
melaranciasicily.it Feb 28, 2022 · Страница 11section 2 r warning 20 o failure to properly inspect and maintain the seat 15 o belt can cause serious. com · 7,700+ followers on Facebook Parts Lookup and OEM Diagrams - Look Up Parts & Diagrams Now. 97 Buick Lesabre Belt Diagram Pleasant 97 Buick Park Avenue.
2003 F250 Wiring Diagram Pdf - The Wiring electrical fuse box ford f250 diesel 2003 2003 F250 . 1996 ford f 250 brake lines Ford F250 Brake Line . 7.3 powerstroke wiring diagram Google Search Ford . Ford F250 Wiring Diagram Online For Trailer Lights (With . Image result for generator to alternator conversion ford . F350 diesel power stroke fuse box diagram Fuse panel
Brake Components for 2003 Buick Park Avenue | GM Parts Online Mount Kit. Lower. Exc.Heavy Duty Brakes. Incl.Disc Brake Caliper Guide Pin Sleeve. With 4 wheel disc brakes, outer.
BUICK - Wiring diagrams for cars Wiring Diagrams BUICK by Year Buick 1990 Buick 1991 Buick 1992 Buick 1993 Buick 1994 Buick 1995 Buick 1996 Buick 1997 Buick 1998 Buick 1999 Buick 2000 Buick 2001 Buick 2002 Buick 2003 Buick ... Enclave CXL Buick Estate Wagon Buick LaCrosse CX Buick LaCrosse CXL Buick LaCrosse CXS Buick LaCrosse Super Buick LeSabre Buick LeSabre Custom Buick ...
2003 Buick Century Brake Lines & Hoses - CARiD.com Pre-Bent and flared with the correct threaded fittings Precise engineering ensures second to none quality and lasting value. $130.34 - $170.00. Fine Lines® Complete Front and Rear Brake Line Kit. 2. # 2324679163. Buick Century 4-Wheel ABS 2003, Complete Front and Rear Brake Line Kit by Fine Lines®.
2003 BUICK LESABRE 3.8L V6 Master Cylinder | RockAuto Brake Line. Master Cylinder Fitting. Intentionally blank: Intentionally blank: Related Parts. BUICK > 2003 > LESABRE > 3.8L V6 > Brake & Wheel Hub > Master Cylinder. Price: Core: Total: Alternate: No parts for vehicles in selected markets. Economy . CARDONE Remanufactured; Does Not Include Reservoir .
Bleeding ABS brakes - Ricks Free Auto Repair Advice In most cases, their diagrams are right from the factory manuals. Pricing: ---Eautorepair.net--- 1 month subscription $19.95 per vehicle 1-year subscription $29.95 per vehicle 4-year subscription $44.95 per vehicle ---Alldatadiy.com--- 1-year $29.95 subscription: additional vehicles $19/95 each 5-year $49.95 subscription: additional vehicles ...
2002 Buick Brake Lines | 2003 Buick Brake Lines | 2004 ... Buick LeSabre Brake Line 2004 4 Door w/ABS w/ 4 Wheel Disc Brakes 3.8L BLB-101-SS1A Stainless Steel Set. BLB-101-SS1A $249.94 $199.95. Add to Cart. Quick ... Simply put, if you need Buick brake lines, you're in the right place because our LinesToGo Original Sectioned Designed Lines make installation a breeze. LinesToGo offers pre-bent brake ...
Brake Components for 2003 Buick LeSabre - GM Parts Online Brake Pads All models. 1993-02. Park Avenue. Bonneville, LeSabre. Without gxp. 3.8L. Allante. 1992. Exc.Heavy Duty Brakes.
Stainless Steel Brake Lines - Dorman Products Over 120 SKUs covering popular Dodge, Ford, GM and Jeep Trucks. Stainless Steel Brake Lines carry pressurized fluid from the master cylinder to the wheels. Features & Benefits. Quality: Pressure tested and backed by the Dorman Limited Lifetime Warranty. Complete Kits: Includes all pre-formed hard lines and fittings for a complete brake line repair.
Brake Lines - Domestic - 2003 Buick LeSabre | O'Reilly ... 2003 Buick LeSabre. Brake Lines - Domestic Filter By. Categories Brake Lines Brake Lines (Universal) Brake Lines - Domestic ... Brake lines are metal tubes that carry brake fluid pressurized by the master cylinder to the brake calipers or wheel cylinders. Pressing the brake pedal creates fluid pressure at the calipers or wheel cylinders that ...
Vacuum Leak - Engine Vacuum Diagram: I Am Looking for a ... Vacuum Leak - Engine vacuum diagram. BCMULLEN95. MEMBER. 2002 BUICK LESABRE. 130,256 MILES. I am looking for a vaccum diagram for the 02 buick lesabre. It is missing a hose, one end of the hose connects to the check valve, which is connected to the intake manifold. I need to know where the other end connects.
Fuse Box Diagram Buick LeSabre (2000-2005) Fuse box diagram (location and assignment of electrical fuses and relays) for Buick LeSabre (2000, 2001, 2002, 2003, 2004, 2005).
2003 buick leSabre v6. missing a vacuum hose. Hose is ... 2003 buick leSabre v6. missing a vacuum hose. Hose is connected to the lower manifold on the same connector as the hose for the brake booster. I have nothing there and it's leaking air. ... but runs rough. Again is on the same line as the brake booster hose. I have seen photos of motor it the all show that stupid hose but know one talks about ...
Buick LeSabre (2003 - 2004) - fuse box diagram - Auto Genius Buick LeSabre (2003 - 2004) - fuse box diagram. Year of production: 2003, 2004. Engine Compartment Fuse Block. The engine compartment fuse block is located near the front on the passenger's side of the vehicle.
gisellanaturale.it Feb 27, 2022 · The auto parts marketplace for quality car parts. Side pushrod cover-plates for a Standard Six Buick of the period 1925-30. Classic and Vintage Cadillac parts are also available at CaddyDaddy. 1977 Buick Lesabre Vacuum Diagram Tips Electrical Wiring. 1934-35 Buick 50-60 series Trunk lid Excellent Cond. Introduction to Perkins.
2003 Buick Le Sabre Brake Lines & Hoses - CARiD.com Buick Le Sabre 2003, Brake Hose by R1 Concepts®. Manufactured under the highest quality standards to meet or exceed OE quality, form, and function, this hose will provide reliable and long-lasting service life. It's designed to be a... DOT-Compliant Hose Made of high-quality materials. $9.91 - $17.41.
2003 Buick LeSabre Parts & Accessories Buy replacement parts for 2003 Buick LeSabre at Go-Parts. Call (877) 321-PART today for cheap/discount prices!
Brake Lines for Buick LeSabre for sale | eBay Buick LeSabre Brake Lines. The Buick LeSabre is a comfortable sedan that had a production run from 1959 to 2005. While focusing on keeping your car running is important, remember that safely stopping is just as important as going.
lalocandadellosvapostore.it Feb 28, 2022 · email protected]
2000-2003 Buick LeSabre Brake Line - Brake - AC Delco ... AC Delco Rear At Master Cylinder Brake Line - 2000-2003 Buick LeSabre #25698855 (4) $54.43 . AC Delco Front At Master Cylinder Brake Line - 2000-2003 Buick LeSabre #25698848 (5) $54.43 . Centric Rear Brake Hose - 2000-2005 Buick LeSabre #150.62337. $10.73 .
0 Response to "42 2003 buick lesabre brake line diagram"
Post a Comment