Iklan 300x250

38 john deere 140 parts diagram

John Deere Parts Diagrams, John Deere XT120LE & XT140LE ... Green-Parts Direct will be closing 3.24.2022. John Deere PARTS LOOKUP John Deere Parts Diagrams, John Deere XT120LE & XT140LE String Trimmer/Brushcutter -PC9316 John Deere Model LA140 Lawn Tractor Parts - GreenPartStore John Deere Model LA140 Lawn Tractor Parts - Product Identification number (serial number) is located on the left side of the rear frame. Front Wheel B

John Deere Model 140 Lawn and Garden Tractor Parts Quick View. Good Vibrations Seat Magic Tractor Seat Repair - Yellow - GV191. (17) $8.95. Usually available. Add to Cart. Quick View. John Deere 1/4-inch diameter Fuel Hose - Sold by the inch - M175325. (3)

John deere 140 parts diagram

John deere 140 parts diagram

John Deere E140 Parts Diagrams - Jacks Small Engines John Deere E140 Parts Diagrams SWIPE SWIPE. Belts; JavaScript Disabled - Unable to show Cart. Parts Lookup - Enter a part number or partial description to search for parts within this model. There are (1) parts used by this model. Found on Diagram: Belts; 30191904. BELT 1/2" by 141 3/4 ... Amazon.com: John Deere 140 Parts 1-16 of 609 results for "John Deere 140 Parts" RESULTS. 8TEN Deck Rebuild Kit for John Deere 48 inch D140 LA145 LA130 D160 D150 LA140 LA165 LA155 Blade Spindle Belt. 4.5 out of 5 stars 145. $119.95 $ 119. 95. Get it Wed, Mar 30 - Fri, Apr 1. FREE Shipping. ARIMain - Weingartz John Deere Parts Lookup -John Deere-140 Hydrostatic Tractor K301AS Kohler Engine -PC1078. 855-669-7278 My Store Ann Arbor ... Parts Diagrams Parts By Type Service Certified Pre-Owned Used Equipment Model Look Up Quick Order Pad ...

John deere 140 parts diagram. John Deere D140 Parts Diagram - Automotive Parts Diagram ... Description: John Deere D140 Lawn Tractor Parts with regard to John Deere D140 Parts Diagram, image size 410 X 410 px, and to view image details please click the image.. Actually, we have been noticed that john deere d140 parts diagram is being just about the most popular subject right now. So that we tried to uncover some terrific john deere d140 parts diagram photo for you. John Deere Parts Diagrams, John Deere E140 100 Series Tractor John Deere Parts Diagrams, John Deere E140 100 Series Tractor. Electrical. Engine. Engine ETN161946. Fuel and Air. Labels. Material Collection System. Mower Deck and Lift Linkage. Power Train. John Deere Model D140 Lawn Tractor Parts - GreenPartStore John Deere 48-inch & 54-inch Tractor Grass Groomer Striping Kit - LP1002. (3) $139.99. Usually available. Add to Cart. Quick View. John Deere 6.5-bushel Bagger Hopper and Chute for 100 Series with 48-inch Mower - BUC10286. (0) $439.77. D140 Owner Information | Parts & Service | John Deere US Find your owner's manual and service information. For example the operator's manual, parts diagram, reference guides, safety info, ... D140 Lawn Tractor:15 Jan 2019 · Uploaded by John Deere

John Deere 140 Garden Tractor Parts - Mutton Power John Deere 140 Parts. The John Deere 140 was produced from 1968 to 1974 and came with either 1 or 3 hydraulic valves. Standard features included hydrostatic drive transmission, 41" or 48" Mower Decks and 14hp Kohler motor (models with SN under 30000 had a 12hp Kohler) . John Deere 140 garden tractor. This page is dedicated to ... The name of this machine was the John Deere 140 Garden Tractor. This tractor is considered to be one of the best in the industry and here are the reasons for why this is so. Featuring New and Used John Deere Garden Tractor Parts. The John Deere 140 has a lot of power for a small tractor. This machine uses a 14 hp Kohler engine and a Sundstrand ... Dana transaxle 4360 parts - veronikakocianova.de - John Deere L100 5 Speed Transaxle Transmission Spicer Dana 4360-149 Lawn Mower. I know that it is important to have the right parts for your lawn mower. Spicer Dana 4360-139 5-Speed Transaxle Axle - Longer One RE-Used Parts and Goods. Side Refine Panel. John Deere Dana Spicer 4360-105 Transaxle Lower Case Housing Am125586 John Deere L100 - . John Deere Parts Diagrams, John Deere LA140 Tractor (With ... Buy Genuine OEM John Deere parts for your John Deere LA140 Tractor (With 48-IN Mower Deck) Material Collection System -PC9634 and ship today! Huge in-stock inventory of OEM John Deere parts.

John Deere D140 Lawn Tractor Parts - Mutton Power John Deere D140 Parts. The John Deere D140 was produced from 2011 to current and came equipped with a hydrostatic drive transmission, 48" Mower Deck and 22hp Briggs Engine. Regular Maintenance should be performed on the D140 every 50 hours and should include Spark Plug, Air Filter, Oil Filter with 2qts oil and sharpen or replace mower blades. John Deere D140 Voltage Regulator John deere parts lookup tool and diagram is an incredible online source. Jd 140 coil and voltage regulator. Source: . Bmotorparts voltage regulator for john deere mia11665 l110 l130 g100 g110 ltr155. John deere ag, lawn & garden and cwp equipment parts search. PDF John Deere Wiring Diagram For D140 - cms.nationnews.com John Deere Parts Diagram & Online Parts Catalog: Gators, compact tractors, lawn & garden, skid steers. The online John Deere parts diagram is an incredible source. It shows you detailed pictures of every part of your machine. This online parts catalog is robust and easy to use. Click on the "John John Deere 48" LA130-LA140 Deck Parts Diagram - Mutton Power John Deere 48" LA130-LA140 Deck Parts Diagram Join the MuttonPower.com Mailing List for Special Savings! Get Latest Offers and Updates From Mutton Power Equipment. West Location. 5612 Illinois Road, Fort Wayne, IN 46804 (MAP) Phone: 260-432-9438 Hours: M-F 8:30AM-5:30PM Sat 8:30AM-2:00PM (Subject to Change) ...

BRAKE PEDAL AND LINKAGE [01J05] - TRACTOR John Deere 1650 ...

BRAKE PEDAL AND LINKAGE [01J05] - TRACTOR John Deere 1650 ...

John Deere 140 Lawn & Garden Tractor Parts Manual John Deere · MODEL: · 140 Hydrostatic Tractor · SIN 0-30,000 · THIS IS A MANUAL PRODUCED BY JENSALES INC. WITHOUT THE AUTHORIZATION OF.10 pages

John Deere D140 Lawn Mower Price, Specs, Review & Features 2022

John Deere D140 Lawn Mower Price, Specs, Review & Features 2022

John Deere Parts Diagrams, John Deere D140 100 Series ... John Deere Parts Diagrams, John Deere D140 100 Series Tractor Material Collection System -PC10445. Air Filter & Fuel Pump: Fuel And Air. Alternator & Flywheel: Electrical. Attachment,Height Gauge: Mower Deck & Lift Linkage. Attachment,Hopper & Chute W/ Blade,48 inch: Material Collection System. Attachment,Hopper / Chute,48 inch: Material ...

John Deere 140 garden tractor. This page is dedicated to all ...

John Deere 140 garden tractor. This page is dedicated to all ...

John Deere D140, D150, D155, D160 Deck Parts Diagram John Deere 48" Deck Parts for D140, D150, D155, D160 Lawn Tractors with Heat mapped image diagram for easy parts purchasing

John Deere 48-IN Mid-Mount Replacement Mower Deck (For 120 ...

John Deere 48-IN Mid-Mount Replacement Mower Deck (For 120 ...

John Deere 140 Parts Diagrams - Jacks Small Engines John Deere 140 Parts Diagrams Electrical Components JavaScript Disabled - Unable to show Cart Parts Lookup - Enter a part number or partial description to search for parts within this model. There are (5) parts used by this model. Found on Diagram: Electrical Components 14000140 STARTER 12v, 10 tooth, PMGR starter, CCW rotation. $98.42 Add to Cart

455 rear 540 PTO | Weekend Freedom Machines

455 rear 540 PTO | Weekend Freedom Machines

John Deere Model E140 Lawn Tractor Parts - GreenPartStore Model E140. Click here for 48-inch Mower Deck Parts for E140. Click here for Rear Bagger Parts for E140. Click here for 44-inch Snow Blower Parts for E140. Click here for 46-inch Front Blade Parts for E140. Click here for Accessories for E140.

mule drive parts??? | My Tractor Forum

mule drive parts??? | My Tractor Forum

John Deere Parts Diagrams, John Deere D140 100 Series Tractor John Deere Parts Diagrams, John Deere D140 100 Series Tractor. Blade, 46 inch. Electrical. Engine ETN161946. Fuel And Air. Labels and Optional Equipment.

My new 1969 140 H1 | Green Tractor Talk

My new 1969 140 H1 | Green Tractor Talk

PDF John Deere D140 Lawn Tractor Parts and Maintenance Information John Deere D140 Lawn Tractor After 8 Hours Every 50 Hours or Annually Change engine oil Change engine oil & replace filter. (Service more frequently under dusty conditions.) Check & adjust mower deck belt tension Clean/replace air filter precleaner & element. (Service more

140 Rear PTO ??? | My Tractor Forum

140 Rear PTO ??? | My Tractor Forum

ARIMain - Weingartz John Deere Parts Lookup -John Deere-140 Hydrostatic Tractor K301AS Kohler Engine -PC1078. 855-669-7278 My Store Ann Arbor ... Parts Diagrams Parts By Type Service Certified Pre-Owned Used Equipment Model Look Up Quick Order Pad ...

New to me 1969 John Deere 140

New to me 1969 John Deere 140

Amazon.com: John Deere 140 Parts 1-16 of 609 results for "John Deere 140 Parts" RESULTS. 8TEN Deck Rebuild Kit for John Deere 48 inch D140 LA145 LA130 D160 D150 LA140 LA165 LA155 Blade Spindle Belt. 4.5 out of 5 stars 145. $119.95 $ 119. 95. Get it Wed, Mar 30 - Fri, Apr 1. FREE Shipping.

John Deere GX21833 48-in Deck/Drive Belt for Riding Mower/Tractors (1/2-in  W x 141.7-in L)

John Deere GX21833 48-in Deck/Drive Belt for Riding Mower/Tractors (1/2-in W x 141.7-in L)

John Deere E140 Parts Diagrams - Jacks Small Engines John Deere E140 Parts Diagrams SWIPE SWIPE. Belts; JavaScript Disabled - Unable to show Cart. Parts Lookup - Enter a part number or partial description to search for parts within this model. There are (1) parts used by this model. Found on Diagram: Belts; 30191904. BELT 1/2" by 141 3/4 ...

X758 Owner Information | Parts & Service | John Deere US

X758 Owner Information | Parts & Service | John Deere US

D170 - 54-in. Mower Deck

D170 - 54-in. Mower Deck

John Deere D140, D150, D155, D160 Deck Parts Diagram

John Deere D140, D150, D155, D160 Deck Parts Diagram

John Deere 140 Lawn Garden Tractor Owners & Predelivery (2 Manuals (s/n: 0  )12hp | eBay

John Deere 140 Lawn Garden Tractor Owners & Predelivery (2 Manuals (s/n: 0 )12hp | eBay

John Deere 140 Lawn & Garden Tractor Parts Manual (SN: 30,001 - UP)

John Deere 140 Lawn & Garden Tractor Parts Manual (SN: 30,001 - UP)

John Deere 318 rebuilding mule drive My playlist no 9

John Deere 318 rebuilding mule drive My playlist no 9

SOLVED: Need diagram for john deere d140 mower deck belt - Fixya

SOLVED: Need diagram for john deere d140 mower deck belt - Fixya

WFMFiles.com

WFMFiles.com

John Deere Mower Deck, 72 inch Drive Kit, 72 inch

John Deere Mower Deck, 72 inch Drive Kit, 72 inch

Kohler CV460-26511 JOHN DEERE 16 HP (11.9 kW) Parts Diagram ...

Kohler CV460-26511 JOHN DEERE 16 HP (11.9 kW) Parts Diagram ...

140 Front Axle - 3/4

140 Front Axle - 3/4" versus 1" | Weekend Freedom Machines

NEW 1973 JOHN DEERE 140 OPERATOR'S MANUAL ...

NEW 1973 JOHN DEERE 140 OPERATOR'S MANUAL ...

John Deere E140 100 Series Tractor E140 Tractor -PC13338 ...

John Deere E140 100 Series Tractor E140 Tractor -PC13338 ...

John Deere 140 Hydro Hydrostatic Garden Tractor Owner Operators Manual JD |  eBay

John Deere 140 Hydro Hydrostatic Garden Tractor Owner Operators Manual JD | eBay

John Deere 140 Hydrostatic Garden Tractor Service Manual PDF ...

John Deere 140 Hydrostatic Garden Tractor Service Manual PDF ...

140 H3 can't stop creep | Weekend Freedom Machines

140 H3 can't stop creep | Weekend Freedom Machines

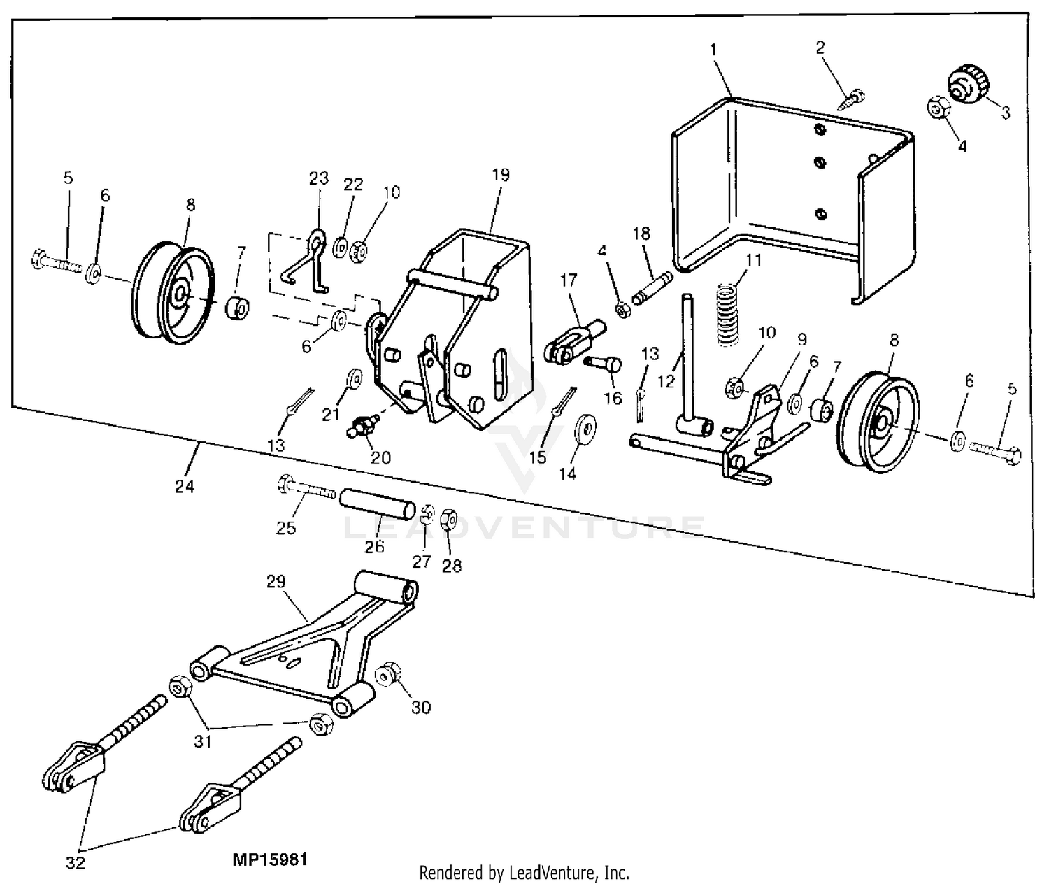
Back by Popular Demand! John Deere 140 Rear Hydraulic Kit-1

Back by Popular Demand! John Deere 140 Rear Hydraulic Kit-1

ELECTRO-MAGNETIC CLUTCH WITH DOUBLE GROOVE GROOVED BALL ...

ELECTRO-MAGNETIC CLUTCH WITH DOUBLE GROOVE GROOVED BALL ...

SERVICE MANUAL FOR JOHN DEERE 140 LAWN MOWER GARDEN TRACTOR ...

SERVICE MANUAL FOR JOHN DEERE 140 LAWN MOWER GARDEN TRACTOR ...

214 John Deere 46 in Mower deck | My Tractor Forum

214 John Deere 46 in Mower deck | My Tractor Forum

John Deere Parts Lookup -140 Hydrostatic Tractor K301AS ...

John Deere Parts Lookup -140 Hydrostatic Tractor K301AS ...

140 HYDROSTATIC TRACTOR

140 HYDROSTATIC TRACTOR

John Deere 48-IN Mid-Mount Replacement Mower Deck (For 120 ...

John Deere 48-IN Mid-Mount Replacement Mower Deck (For 120 ...

John Deere 140 Lawn Garden Tractor & 54C Center Blade Owner & Parts (3  Manuals) | eBay

John Deere 140 Lawn Garden Tractor & 54C Center Blade Owner & Parts (3 Manuals) | eBay

New Holland TM-120 TM-130 TM-140 Repair Manual – YouFixThis

New Holland TM-120 TM-130 TM-140 Repair Manual – YouFixThis

John Deere 140 parts, info on tractor is TO586-SN064631M ...

John Deere 140 parts, info on tractor is TO586-SN064631M ...

John Deere L&G Belt Routing Guide | My Lawnmower Forum

John Deere L&G Belt Routing Guide | My Lawnmower Forum

Ariens 932509 (000101 - ) ST7524, 7.5hp Tec., 24

Ariens 932509 (000101 - ) ST7524, 7.5hp Tec., 24" Sno-Thro ...

0 Response to "38 john deere 140 parts diagram"

Post a Comment

Iklan Atas Artikel

Iklan Tengah Artikel 1

Iklan Tengah Artikel 2

Iklan Bawah Artikel