Iklan 300x250

39 cub cadet ltx 1040 mower deck diagram

Cub Cadet Tractor | LTX1040 | eReplacementParts.com Cub Cadet LTX1040 (13WX90AS010, 13WX90AS056, 13WX90AS009, 13AX90) (2012) Tractor Parts We Sell Only Genuine Cub Cadet Parts Bowtie Cotter Pin $2.99 Add to Cart Joint Assembly With Lock Ball $22.04 Add to Cart Locking Flange Nut $3.48 Add to Cart Steering Pinion Gear $9.23 Add to Cart Key $6.87 Add to Cart Flanged Lock Nut $3.59 Add to Cart LTX 1040 (13AX90AR010) - Cub Cadet 42" Lawn Tractor Mowing ... LTX 1040 (13AX90AR010) - Cub Cadet 42" Lawn Tractor Mowing Deck 42 Inch Parts Diagram 42" Lawn Tractor Mowing Deck 42 Inch Parts Diagram 1 Cub Cadet Part# 954-0266A Drive Belt In Stock, Qty 20+ $ 46.57 Add to Cart 0 2 Cub Cadet Part# 954-04167 Timing Belt In Stock, Qty 20+ $ 111.71 Add to Cart 0 3 Cub Cadet Part# 710-1325

Cub Cadet Riding Lawn Mower - Model 13WX90AS010 | Cub Cadet US Find parts for your LTX1040 Cub Cadet Riding Lawn Mower. Parts diagrams and manuals available. Free shipping on parts orders over $45. ... Riding Mower 42-inch Deck Belt. Item#: 954-04060C. $43.99 ... Cub Cadet Utility Vehicles (UTV) are intended for off-road use by adults only. Please see the operator's manual and the warning labels posted ...

Cub cadet ltx 1040 mower deck diagram

Cub cadet ltx 1040 mower deck diagram

Mower deck - Cub Cadet LTX 1040 Mower Deck Belt to loose ... Mower deck Cub Cadet LTX 1040 Mower Deck Belt to loose, how to adjust tension. Thread starter Pirateship18m; Start date Mar 23, 2019; P. Pirateship18m Forum Newbie. Joined Mar 23, 2019 Threads 1 Messages 3. Mar 23, 2019 #1 I just bought a used LTX 1040 (2012). The guy said he put on a new belt. When I got home and started cutting the front yard ... PDF Cub Ltx1040 Manual Cub Cadet Ltx 1040 Mower Deck Diagram - schematron.org Wiring Diagram Cub Cadet Ltx indexnewspaper com November 16th, - Thank you for stopping by at this website Listed below is a amazing picture for wiring diagram cub cadet ltx Page 23/26. Read Online Cub Ltx1040 Manual Cub Cadet LTX 1040 lawn tractor: review and specs ... The Cub Cadet LTX 1040 is a 2WD lawn tractor from the LTX 1000 series. This tractor was manufactured by the Cub Cadet (a part of MTD) from 2009 to 2014. The Cub Cadet LTX 1040 is equipped with a 0.6 L single-cylinder air-cooled gasoline engine and automatic CVT transmission with infinite forward and reverse gears.

Cub cadet ltx 1040 mower deck diagram. Cub Cadet Ltx 1040 Mower Deck Diagram - schematron.org Cub Cadet Ltx 1040 Mower Deck Diagram 11.09.2018 4 Comments Cub Cadet LTX Lawn Tractor Parts Available For Quick Shipment | Cub Cadet Original Parts. Go To Cub Cadet Parts Diagrams. LTX Tractor. I did a sample search for generic riding mower deck and found great diagram of belt routing. Give it a try jelly bean you will find same results. Cub Cadet Riding Lawn Mower - Model 13AX90AS596 | Cub Cadet US Find parts for your LTX1040 Cub Cadet Riding Lawn Mower. Parts diagrams and manuals available. Free shipping on parts orders over $45. ... Riding Mower 42-inch Deck Belt. Item#: 490-501-M044. $41.99 ... Cub Cadet Utility Vehicles (UTV) are intended for off-road use by adults only. Please see the operator's manual and the warning labels posted ... Cub Cadet Ltx 1040 Mower Deck Diagram - wiringall.com Your LTX model is fit with a professional grade single-cylinder Kohler engine. This mower will start right up and runs up to 5mph. For LTX replacement.The seal cost about $ take the wheel off and don't lose the wheel key slide off the washer take a screwdriver and pry the old one out and replace with the new one. Cub Cadet Ltx 1040 Transmission Drive Belt Diagram AE0 Cub Cadet Ltx 1040 Transmission Drive Belt Diagram. MTD 131-668G016 (3428-11) (1991) Parts Diagram for Parts01. Cub Cadet Ltx 1040 Transmission Drive Belt Diagram. The Mower Shop, Inc.- Grasshopper Lawn Mower Parts Diagrams. Cub Cadet Lt1040 Drive Belt Diagram. MTD MTD Lawnflite 136-528-192 Parts Diagram for Parts02.

Cub Cadet LTX1040 Parts Diagrams - Cub Cadet Parts N More This mower will start right up and runs up to 5mph. For LTX1040 replacement parts, use our Parts Lookup tool. Select your factory number below. Using the right factory number ensures you'll find the correct spec sheet. Using the wrong factory number can lead to using the wrong parts on your Cub Cadet LTX1040 mower. Cub Cadet 13AX90AR010 Manual Cub Cadet Ltx 1040 Transmission Drive Belt Diagram Also for: Ltx lawn tractor. drive belt diagram for a cub cadet ltx - Cub Cadet Street Sign- tractor lawn question. Drive belt diagram for a cub cadet ltx - Cub Cadet Street Sign- tractor lawn riding mower parts. Posted by jellybean on Aug 14, cub cadet transmission diagram deck parts 10 lt cadet parts LTX. LTX 1040 (13WX90AS056) - Cub Cadet 42" Lawn Tractor (2011 ... LTX 1040 (13WX90AS056) - Cub Cadet 42" Lawn Tractor (2011) Mower Deck 42-inch Parts Diagram 42" Lawn Tractor Mower Deck 42-inch Parts Diagram 1 Cub Cadet Part# 918-04822A Spindle Ass y, Pulley, 6.3 Dia (Superseded to 918-04822B) In Stock, Qty 20+ $ 110.49 Add to Cart 0 2 Cub Cadet Part# 683-0254B-4021 Bracket Ass y, Deck, Hanger LH LTX 1040 (13RX90AR056) - Cub Cadet 42" Lawn Tractor Parts ... Repair parts and diagrams for LTX 1040 (13RX90AR056) - Cub Cadet 42" Lawn Tractor

PDF Cub Cadet Ltx 1040 Drive Belt Replacement Cub Cadet Ltx 1040 Transmission Drive Belt Diagram The Cub Cadet LTX 1040 is a 2WD lawn tractor from the LTX 1000 series. This tractor was manufactured by the Cub Cadet (a part of MTD) from 2009 to 2014. The Cub Cadet LTX 1040 is equipped with a 0.6 L single-cylinder air-cooled gasoline engine and automatic CVT transmission with infinite LTX 1040 (13WX90AS010) - Cub Cadet 42" Lawn Tractor (2013 ... LTX 1040 (13WX90AS010) - Cub Cadet 42" Lawn Tractor (2013)Parts & DiagramsParts Lists & Diagrams. Parts Lookup and OEM Diagrams | PartsTree Repair parts lookup and OEM diagrams for outdoor equipment like Toro lawn mowers, Cub Cadet tractors, Husqvarna chainsaws, Echo trimmers, Briggs engines. ... LTX 1040 (13AX90AS056) - Cub Cadet 42" Lawn Tractor (2014) LTX 1040 (13AX90AS056) - Cub Cadet 42" Lawn Tractor (2012) ... Electrical Wiring Diagrams - Cub Cadet Electrical wiring diagrams may be found in the Operator's Manual. More in-depth electrical troubleshooting information may also be found in the Professional Shop Manual for the product. For electrical diagrams for specific engines and independent brands, see below. Please use the following links to contact the engine manufacturers via their web ...

Cub Cadet 983-04511 46

Cub Cadet 983-04511 46" Deck Brake Assembly LTX 1040 1042 ...

Need 2008 Cub Cadet LTX 1040 riding mower drive belt diagram Need 2008 Cub Cadet LTX 1040 riding mower drive belt diagram. The tension cable will not tighten enough to engage the belt for the blades. It worked fine last year. Now there is a lot of play in the cable/spring. … read more.

Cub Cadet Riding Lawn Mower - Model 13WX90AS010 | Cub Cadet US

Cub Cadet Riding Lawn Mower - Model 13WX90AS010 | Cub Cadet US

Cub Cadet Ltx 1040 Wiring Diagram Cub Cadet Ltx 1040 Wiring Diagram wiringall.com - Order Genuine Cub Cadet Parts for the Cub Cadet LTX Tractor () Mowers: lawn & garden tractor. Easy Ordering, Fast Shipping and . Cub Cadet LTX Diagrams and Manuals. Shop for Cub Cadet LTX Parts. Factory Direct from Cub Cadet.

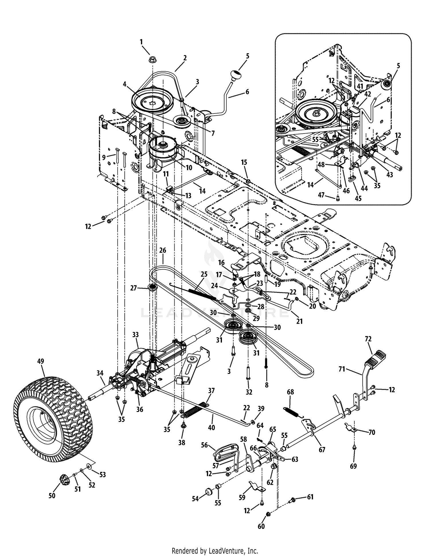
Cub Cadet LTX1040 Tractor (2009) 13AX90AR009 13AX90AR010 ...

Cub Cadet LTX1040 Tractor (2009) 13AX90AR009 13AX90AR010 ...

Cub Cadet Ltx 1040 Transmission Drive Belt Diagram Cub Cadet Ltx 1040 Transmission Drive Belt Diagram Displaying Drive System parts for the Cub Cadet LTX (13AX90AR, 13AX90AR, 13AX90AR, 13AX90AR, Qty: 2. Cub Cadet A (replaces ). V-Belt. More details .. Transmission Drive Assembly.

Cub Cadet Ltx 1042 Deck Belt Online Shop, UP TO 50% OFF ...

Cub Cadet Ltx 1042 Deck Belt Online Shop, UP TO 50% OFF ...

Cub Cadet Ltx 1046 Deck Diagram - schematron.org Displaying Mower Deck Inch parts for the Cub Cadet LTX (13YP91AT, 13BP91AT) - Cub Cadet Lawn Tractor (). Hydrostatic Lawn Tractor — LTX Form No. (September 18, ) Write us at Cub Cadet LLC • P.O. Box • Cleveland, OH • or build up on the mower deck presenting a potential fire hazard. Use only accessories and attachments approved for this.

Cub Cadet LTX1040 Tractor (2009) 13AX90AR009 13AX90AR010 ...

Cub Cadet LTX1040 Tractor (2009) 13AX90AR009 13AX90AR010 ...

TractorData.com Cub Cadet LTX 1040 tractor information Cub Cadet LTX 1040 Overview Engine Transmission Dimensions Photos Attachments 2009 - 2014 LTX 1000 Series Lawn tractor Series: LTX 1040 → LTX 1042 Cub Cadet LTX 1040 Transmission automatic CVT Transmission details ... Photos Cub Cadet LTX 1040 photos... Cub Cadet LTX 1040 attachments 42" mid-mount mower deck snowblower blade Attachment details ...

Cub Cadet Ltx 1040 Belts Hot Sale, UP TO 57% OFF | www ...

Cub Cadet Ltx 1040 Belts Hot Sale, UP TO 57% OFF | www ...

PDF Ltx 1000 Specification Sheets 2009-2014 MODEL: LTX 1040 YEAR: 2009 Factory Model Number: 13AX90AR010 19 H.P. Auto CVT Drive MID MOWER ATTACHMENTS: Deck Size # Of Blades Style Of Deck Notes Deck ID Model Number Weight Warranty 42" 2 Stamped / Timed (A) R (B) - Page 1 BAGGER ATTACHMENTS: Deck Size # Of Bags Style Of Deck Bagger/Mount Blades ? Model Number Weight Warranty

Amazon.com : CUB CADET 918-04516A Driven Spindle Assembly 42 ...

Amazon.com : CUB CADET 918-04516A Driven Spindle Assembly 42 ...

Cub Cadet 1040 Drive Belt Diagram - schematron.org Cub Cadet LTX Diagrams and Manuals. Shop for Cub Cadet LTX Parts. Factory Direct from Cub Cadet. schematron.org - Select Cub Cadet LTX Tractor () Diagrams and order Genuine Cub Cadet Mowers: lawn & garden tractor Parts. Displaying sections and components for the Cub Cadet LTX Tractor () Drive System.

Cub Cadet LTX 1040 Support and Manuals

Cub Cadet LTX 1040 Support and Manuals

Cub Cadet Riding Lawn Mower - Model 13AX90AS010 | Cub Cadet US Find parts for your LTX1040 Cub Cadet Riding Lawn Mower. Parts diagrams and manuals available. Free shipping on parts orders over $45. ... Riding Mower 42-inch Deck Belt. Item#: 954-04060C. $43.99 ... Cub Cadet Utility Vehicles (UTV) are intended for off-road use by adults only. Please see the operator's manual and the warning labels posted ...

Simple Cub Cadet belt replacement and deck install

Simple Cub Cadet belt replacement and deck install

I have cub cadet LTX 1040 there is a Deck Engage Cable ... I have a Cub Cadet LTX 1040 that was built around 2008 (mower deck has the timing belt). A repair shop did some work on it, and I'm not confident or comfortable with where they attached the mower deck … read more

Amazon.com : Harbot Deck Engagement Cable for MTD CC 1040 ...

Amazon.com : Harbot Deck Engagement Cable for MTD CC 1040 ...

PDF Cub Cadet Lt1046 Parts Manual - redraiders.com Cub Cadet and other Lawn Tractor Owners Cub LTX 1040 issues and fixes How To Fix A Cub Cadet GTX 1054 Riding Mower Belt Keeps Coming Off 1962 cub cadet original frist start in 2 years Removing and Cleaning Carburetor on Cub Cadet LT1046 (Kohler Courage Twin Cylinder 23 HP Engine) Cub Cadet Mower Belt (coming off) Deck Fix LT 1045 Part 1 Cub ...

490-501-Y044

490-501-Y044

Cub Cadet Ltx 1050 Deck Diagram Lawn Mower Cub Cadet LTX/KW Illustrated Parts Manual Assembly & Set -Up Contents of Crate • One Lawn Tractor • One Oil Drain Tube • One After the Engaging the PTO transfers power to the cutting deck or other first two laps. PARTS MANUAL. Hydrostatic Lawn Tractor — LTXKW. Form No. February 19, Page 2.

Cars and technology: Cub cadet ltx 1040 parts

Cars and technology: Cub cadet ltx 1040 parts

Cub Cadet LTX 1040 lawn tractor: review and specs ... The Cub Cadet LTX 1040 is a 2WD lawn tractor from the LTX 1000 series. This tractor was manufactured by the Cub Cadet (a part of MTD) from 2009 to 2014. The Cub Cadet LTX 1040 is equipped with a 0.6 L single-cylinder air-cooled gasoline engine and automatic CVT transmission with infinite forward and reverse gears.

Cub Cadet LTX1040 Tractor (2014) 13AX90AS010 (2014 ...

Cub Cadet LTX1040 Tractor (2014) 13AX90AS010 (2014 ...

PDF Cub Ltx1040 Manual Cub Cadet Ltx 1040 Mower Deck Diagram - schematron.org Wiring Diagram Cub Cadet Ltx indexnewspaper com November 16th, - Thank you for stopping by at this website Listed below is a amazing picture for wiring diagram cub cadet ltx Page 23/26. Read Online Cub Ltx1040 Manual

How to Change the Deck Belt on a Cub Cadet Riding Lawn Mower Using Model  13WX90AS010

How to Change the Deck Belt on a Cub Cadet Riding Lawn Mower Using Model 13WX90AS010

Mower deck - Cub Cadet LTX 1040 Mower Deck Belt to loose ... Mower deck Cub Cadet LTX 1040 Mower Deck Belt to loose, how to adjust tension. Thread starter Pirateship18m; Start date Mar 23, 2019; P. Pirateship18m Forum Newbie. Joined Mar 23, 2019 Threads 1 Messages 3. Mar 23, 2019 #1 I just bought a used LTX 1040 (2012). The guy said he put on a new belt. When I got home and started cutting the front yard ...

Cub Cadet Used Parts - Catalog

Cub Cadet Used Parts - Catalog

How to Change the Deck Belt on a Cub Cadet Riding Lawn Mower Using Model  13AP91AT010

How to Change the Deck Belt on a Cub Cadet Riding Lawn Mower Using Model 13AP91AT010

putting the BELT back on a riding mower (LT 1045 cub cadet)

putting the BELT back on a riding mower (LT 1045 cub cadet)

CUB CADET LTX 1040 OPERATOR'S MANUAL Pdf Download | ManualsLib

CUB CADET LTX 1040 OPERATOR'S MANUAL Pdf Download | ManualsLib

MTD Cub Cadet Yard Machines Riding Mower Deck Cable Mod | Flawed Design Fix  | Advice

MTD Cub Cadet Yard Machines Riding Mower Deck Cable Mod | Flawed Design Fix | Advice

LTX 1040 (13WX90AS056) - Cub Cadet 42

LTX 1040 (13WX90AS056) - Cub Cadet 42" Lawn Tractor (2012 ...

Cub Cadet 2166 Parts Diagrams

Cub Cadet 2166 Parts Diagrams

SOLVED: How to install mower belt on a cub cadet - Fixya

SOLVED: How to install mower belt on a cub cadet - Fixya

Cub Cadet LTX1040 LTX1042 42

Cub Cadet LTX1040 LTX1042 42" Mower Deck Rebuild Kit Spindles ...

Cub Cadet LTX1040 Tractor (2009) 13AX90AR009 13AX90AR010 ...

Cub Cadet LTX1040 Tractor (2009) 13AX90AR009 13AX90AR010 ...

Cub cadet lxt 1040 with a 42 inch deck I need the diagram to ...

Cub cadet lxt 1040 with a 42 inch deck I need the diagram to ...

OEM 756-04129C Idler Pulley Cub Cadet LTX1040 LTX1042 LTX1045 LTX1046  LTX1050 | eBay

OEM 756-04129C Idler Pulley Cub Cadet LTX1040 LTX1042 LTX1045 LTX1046 LTX1050 | eBay

Cub Cadet LTX 1040 (13WX90AS009) - Cub Cadet 42

Cub Cadet LTX 1040 (13WX90AS009) - Cub Cadet 42" Lawn Tractor ...

Cub Cadet LTX 1040 | Parts Manual

Cub Cadet LTX 1040 | Parts Manual

Cub Cadet LTX1040 Tractor (2012) 13AX90AS010 (2012 ...

Cub Cadet LTX1040 Tractor (2012) 13AX90AS010 (2012 ...

How to replace a cub cadet drive belt

How to replace a cub cadet drive belt

Cub Cadet LTX1040 Tractor (2014) 13AX90AS010 (2014 ...

Cub Cadet LTX1040 Tractor (2014) 13AX90AS010 (2014 ...

Cub Cadet LTX1040 deck belt for specific 2009 models

Cub Cadet LTX1040 deck belt for specific 2009 models

Cub Cadet LTX1040 Tractor (2009) 13AX90AR009 13AX90AR010 ...

Cub Cadet LTX1040 Tractor (2009) 13AX90AR009 13AX90AR010 ...

Cub Cadet Transmission Belt Top Sellers, UP TO 52% OFF | www ...

Cub Cadet Transmission Belt Top Sellers, UP TO 52% OFF | www ...

LTX 1045 Mower Deck Wheel Mount broken | My Tractor Forum

LTX 1045 Mower Deck Wheel Mount broken | My Tractor Forum

Cub Cadet Ltx 1040 Belts Hot Sale, UP TO 57% OFF | www ...

Cub Cadet Ltx 1040 Belts Hot Sale, UP TO 57% OFF | www ...

Cub Cadet LTX1040 Tractor (2014) 13AX90AS010 (2014 ...

Cub Cadet LTX1040 Tractor (2014) 13AX90AS010 (2014 ...

MTD Cub Cadet LTX 1040 Slow Speed Issue | What To Do | Belt Routing & Advice

MTD Cub Cadet LTX 1040 Slow Speed Issue | What To Do | Belt Routing & Advice

I believe the transaxle is bad on my LTX 1040 Cub Cadet. I ...

I believe the transaxle is bad on my LTX 1040 Cub Cadet. I ...

0 Response to "39 cub cadet ltx 1040 mower deck diagram"

Post a Comment

Iklan Atas Artikel

Iklan Tengah Artikel 1

Iklan Tengah Artikel 2

Iklan Bawah Artikel