Iklan 300x250

40 poulan pro riding lawn mower parts diagram

Amazon.com: poulan pro lawn mower parts Get it as soon as Tue, Apr 5. FREE Shipping on orders over $25 shipped by Amazon. Terre Products, 2 Pack Lawn Mower Mulching Blades, 42" Deck, Compatible with Ariens, Craftsman, Husqvarna, Poulan, and More. Replacement for Part : 134149, 532134149, 532 13 41-49 and 561714B. 4.4 out of 5 stars. Lawn Mower Parts & Accessories - Poulan Pro Lawn Mower Parts and Accessories Lawn Mower Parts & Accessories Lawn Mower Blades ... Find the right replacement belt for your riding mower or tractor. No_Results_Product_List. ... Connect with us and other Poulan Pro fans. Keep up with Poulan Pro! Get new product announcements, promotions, and seasonal tips delivered right to your inbox. ...

Parts Manual - POULAN PRO - RIDING MOWERS - SMALL ENGINES ... Poulan Pro PP155H42 SN 96042018200 parts manual. POULAN. MSRP: Now: USD$ 0.00. Was: Looking for PP155H42 SN 96042018200 parts manual? We got it and it's a free download!

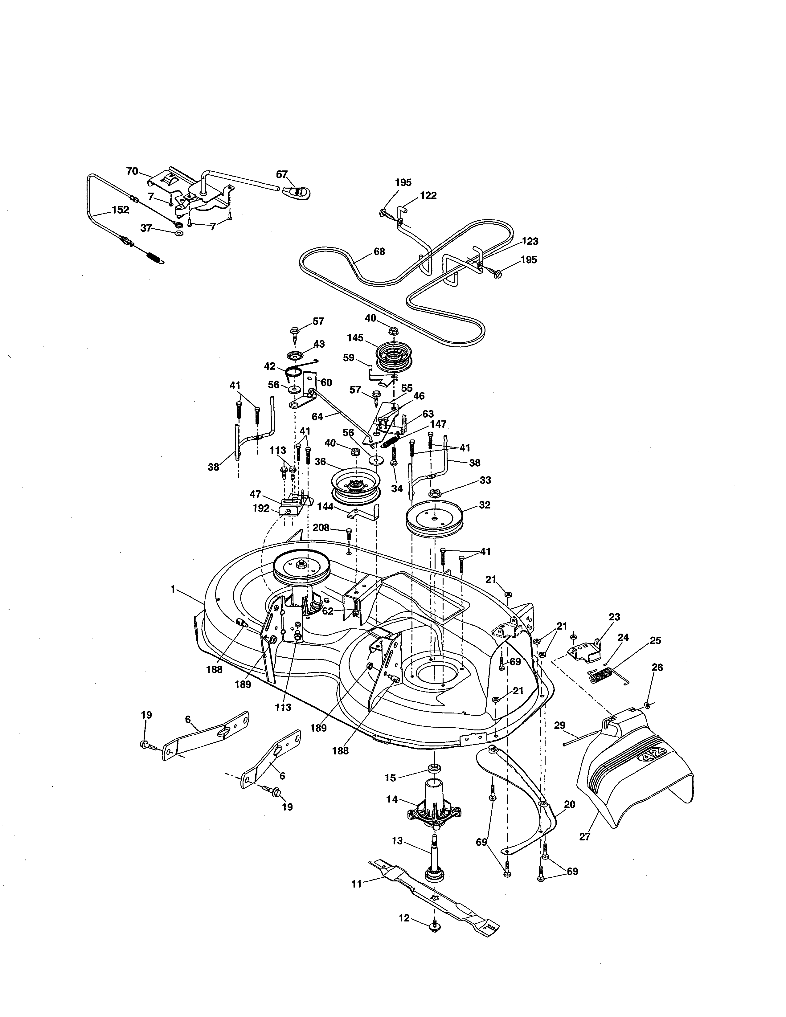
Poulan pro riding lawn mower parts diagram

Poulan pro riding lawn mower parts diagram

POULAN PRO Parts Lookup by Model - Lawn Mower Parts Parts lookup for POULAN PRO power equipment is simpler than ever. Enter your model number in the search box above or just choose from the list below. How to FIND Your POULAN PRO Model Number > POULAN PRO Parts Diagrams 952711930 TRIMMERS/EDGERS 952711931 TRIMMERS/EDGERS 954570857 TRACTORS/RIDE MOWERS BLOWERS CHAIN SAWS Poulan Riding Mower Wiring Diagram The only wiring is on the engine itself, Briggs and Stratton may be able to. diagramweb.net - Select Poulan PP20H46A - Poulan Pro Lawn Tractor Diagrams and order Genuine Poulan Mowers: lawn & garden tractor Parts. Easy Ordering. Poulan Pro PZ Manual Online: Wiring Diagram. 60 English- WIRING DIAGRAMS 6. Lawn Mower Poulan Pro Pro PB26H54YT ... Poulan Pro Pp330 Parts Diagram - schematron.org Search Poulan Pro owner's manuals, illustrated parts lists and more.Parts & Accessories Support Products Parts & Accessories Support Poulan Pro mowers allow you to side discharge, mulch or bag for the best looking lawn on the block. Choose a model that has all 3 cutting modes for the most versatility. Poulan PP Gas Saw Type 2, Gas Saw Type 2 ...

Poulan pro riding lawn mower parts diagram. Amazon.com: poulan pro riding mower parts $21.59 (6 used & new offers) Mr mower parts deck rebuild kit for craftsman poulan Husqvarna included 2 heavy duty spindles 130794, 2 mulcher blades 134149, 2 pulleys 173436, deck belt 144959 95" 1,469 $102 09 Get it as soon as Tue, Apr 12 FREE Shipping 96012000301 Poulan Riding Mower Tractor Parts & Free ... The best way to find parts for Poulan riding mower tractor model 96012000301 is by clicking one of the diagrams below. You can also browse the most common parts for Poulan riding mower tractor model 96012000301. Poulan PP155A42-274430 riding mowers & tractors parts ... Poulan PP155A42-274430 riding mowers & tractors parts - manufacturer-approved parts for a proper fit every time! We also have installation guides, diagrams and manuals to help you along the way! Poulan Pro Riding Mower Wiring Diagram - schematron.org poulan pro lawn mower wiring diagram furthermore stihl engine parts diagram html along with 5 hp briggs and stratton engine diagram along with sabre lawn mower belt diagram along with 3y83a wiring diagram craftsman riding lawn mower need one in addition kohler ignition wiring furthermore john deere mower deck belt diagram moreover briggs stratton …

Poulan Riding Lawn Mower Parts Diagram | Home Improvement Poulan Illustrated Parts Diagrams available online from Lawn Mower Pros.. . 2010. POULAN PRO, RIDING MOWER, 7227549 - PB195H42LT, Parts List. Shop for Poulan Lawn Mower parts today, from 532087877 to 873800500! Find genuine. 380ZX. Ride -On Mower · 541ZX-. We recommend you refer to model specific diagrams for appropriate uses and applications. PDF Poulan Xt Riding Mower Manual - dev.witi.com Poulan Xt Riding Mower Manual - galileoplatforms.com Poulan Pro XT PXT175G42 Manuals & User Guides. User Manuals, Guides and Specifications for your Poulan Pro XT PXT175G42 Lawn Mower. Database contains 3 Poulan Pro XT PXT175G42 Manuals (available for free online viewing or downloading in PDF): Repair parts manual, Operator's manual . Poulan and Poulan Pro Parts and ... - PartsWarehouse.com Poulan Pole Pruners/Pole Saws. Poulan Pro Pole Pruners and Pole Saws. Poulan Riding Mowers-Tractors. Poulan Pro Tractors. Poulan Trimmers and Edgers. Poulan Pro Trimmers and Edgers. Poulan Blowers. Poulan Pro Blowers. Poulan Walk Behind Mowers. Poulan Lawn Mower Parts | Fast Shipping ... Popular Poulan Lawn Mower Parts Mandrel Assembly Part Number: 587819701 In Stock, 25+ available This is an OEM replacement part sourced directly from the manufacturer. Sold individually. This no grease mandrel assembly includes housing, shaft assembly, bearing, and nut only - pulley/washer and blade bolt/washers are not included.

Buy Poulan Parts Search - Lawnmower Pros Poulan Parts Search. No searchterm submitted, display blank. SHOP WITH CONFIDENCE. 35 YEARS EXPERIENCE. 365 DAY RETURN POLICY. FREE TECH SUPPORT. WE SHIP ANYWHERE. MILLIONS OF PARTS. Need help finding the correct repair parts? PDF Wiring Diagram For Murray Riding Mower June 19th, 2018 - Murray Riding Mower Wiring Diagram amp amp 000df367 Parts Diagram img source jdmop com Husqvarna Riding Lawn Mower Wiring Diagram riding lawn mower electrical diagram wordpress go to looked everywhere for a wiring diagram for my statesman riding lawn mower these mowers are pact to navigate smaller lawns while giving the' POULAN PRO Poulan Pro Parts Lookup by Model Parts lookup for POULAN PRO power equipment is simpler than ever. Enter your model number in the search box above or just choose from the list below. How to FIND Your POULAN PRO Model Number > POULAN PRO Poulan Pro Parts Diagrams 112 Gas Trimmer 2150LX Gas Saw, Woodsman 2150LX Gas Saw 222 Gas Saw, PP222 Gas Saw, 222 - Poulan Pro Poulan Illustrated Parts Diagrams - Lawnmower Pros Poulan Illustrated Parts Diagrams available online from Lawn Mower Pros. We have a large selection of Poulan Illustrated Parts Diagrams to cover your Poulan Lookup needs. If you do not see the Poulan Parts you need, please complete the Lawn Mower Parts Request Form and we will be happy to assist you.

Poulan PRO PB301 Briggs & Stratton 30 in. 10.5 HP 4-Speed ...

Poulan PRO PB301 Briggs & Stratton 30 in. 10.5 HP 4-Speed ...

PDF Manual For Poulan Pro Riding Mower Download File PDF Manual For Poulan Pro Riding Mower Poulan Pro Riding Mower Drive Belt Diagram Poulan Pro PR4218 Manuals & User Guides. User Manuals, Guides and Specifications for your Poulan Pro PR4218 Chainsaw. Database contains 2 Poulan Pro PR4218 Manuals (available for free online viewing or downloading in PDF): Instruction manual .

Poulan PO17542LT Parts Manual | Manualzz

Poulan PO17542LT Parts Manual | Manualzz

Free Poulan Lawn Mower User Manuals | ManualsOnline.com Poulan Lawn Mower 178108. Poulan PRO Lawn Tractor Owner's Manual. Pages: 48. See Prices. Showing Products 1 - 50 of 835.

Poulan Pro Mower Deck Parts Online Hotsell, UP TO 60% OFF ...

Poulan Pro Mower Deck Parts Online Hotsell, UP TO 60% OFF ...

PDF Poulan Mower Manuals Home:POULAN:/ Riding Mower Tractor Parts:POULAN riding mower & tractor parts:#96772180100 POULAN riding mower & tractor parts:#96772180100 POULAN lawn, riding mower rear engine manual Poulan 967721801 00 OM, PRO, PP46SZ, 2017 10, ZERO TURN ... Poulan Mower Manual Getting the books poulan mower manual now is not type of inspiring means. You ...

Poulan PP24VA54 - 96046008000 (2015-08) Parts Diagram for ...

Poulan PP24VA54 - 96046008000 (2015-08) Parts Diagram for ...

Poulan Pro Lawn Mower Parts Diagram | Home Improvement Find the right replacement belt for your riding mower or tractor. Shop for Poulan Lawn Mower parts today, from 532087877 to 873800500!. We recommend you refer to model specific diagrams for appropriate uses and . We are here to help - over 324 genuine Poulan repair and replacement parts. Parts Diagrams (12).

IPL, POULAN PRO, PXT175G42, 2011-04, 532441087, NAen ...

IPL, POULAN PRO, PXT175G42, 2011-04, 532441087, NAen ...

Poulan Pro Lawn Mower Replacement Parts - Repair Clinic Quality Poulan Pro Lawn Mower Replacement Parts From Repair Clinic. Poulan Pro designs and manufactures its lawn mowers, riding mowers, and zero-turn mowers for exceptional quality, dependability, and performance. To keep your Poulan Pro mower in peak condition, proper maintenance and the occasional repair is inevitable.

Poulan Pro Riding Mower Deck Parts Clearance, 56% OFF | www ...

Poulan Pro Riding Mower Deck Parts Clearance, 56% OFF | www ...

Riding Mowers Parts & Accessories - Poulan Pro Riding Mower Parts and Accessories Riding Mower Parts & Accessories Tractor Blades. Find replacement blades or additional blades to enhance your riding mower or tractor. No_Results_Product_List. View large image 30" High Lift Blade . 30" High Lift Blade ... Connect with us and other Poulan Pro fans. Keep up with Poulan Pro!

Poulan Pro Riding Mowers PP175G42

Poulan Pro Riding Mowers PP175G42

Poulan Lawn Tractor Parts | Fast Shipping ... This is a self threading screw that is most commonly used for securing the mandrel housing to the mower deck of the riding mowers listed below. Flange Wheel Bearing Part Number: 532009040 In Stock, 25+ available This is an OEM part sourced directly from the manufacturer. This part made of metal and is sold individually.

POULAN PRO PB30 OPERATOR'S MANUAL Pdf Download | ManualsLib

POULAN PRO PB30 OPERATOR'S MANUAL Pdf Download | ManualsLib

Poulan Pro Riding Mowers Parts with Diagrams - PartsTree All models of Poulan Pro Riding Mowers. Fix it fast with OEM parts list and diagrams. ... Poulan Pro Riding Mowers Parts Lookup & Diagrams Poulan Pro Riding Mowers Parts Lookup & Diagrams Poulan Pro Riding Mowers ( 506 Models ) BB 18542 LT (960120027-00) - Poulan Pro Lawn Tractor (2005) BB 18542 LT (960120027-01) - Poulan Pro Lawn Tractor (2005 ...

Poulan Pro Replacement Parts Hotsell, 57% OFF | www.vexi.cat

Poulan Pro Replacement Parts Hotsell, 57% OFF | www.vexi.cat

Poulan Pro Riding Mower Drive Belt Diagram Poulan Pro Riding Mower Drive Belt Diagram Installation, Repair and Replacement of Poulan PRGT25H48 Drive Belt. Left- hand and right-hand are referenced from the point of view of the tractor operator. Poulan Pro PD25PH48STC Manual Online: To Replace Mower Drive Belt. MOWER DRIVE BELT Mower Drive Belt. Poulan pro lawn tractor owner's manual.

Poulan PP20H46A Tractor Parts Diagram for Mower Deck

Poulan PP20H46A Tractor Parts Diagram for Mower Deck

PP 20VA46 (960460079-00) - Poulan Pro Lawn Tractor (2015 ... Repair parts and diagrams for PP 20VA46 (960460079-00) - Poulan Pro Lawn Tractor (2015-09)

Poulan PP19A42 96046007700 (2015-08) Riding Mower

Poulan PP19A42 96046007700 (2015-08) Riding Mower

Poulan Lawn Mower Parts | Same Day Shipping | Millions of ... If your Poulan Lawn Mower is broken, PartSelect.com can help. We offer over 2 million repair parts, step by step instructions and installation videos to help you complete your Poulan repair. Use your model number and get started ordering Poulan Lawn Mower parts today!

Poulan PP175G42-96046007500 front-engine lawn tractor parts ...

Poulan PP175G42-96046007500 front-engine lawn tractor parts ...

Poulan Pro Pp330 Parts Diagram - schematron.org Search Poulan Pro owner's manuals, illustrated parts lists and more.Parts & Accessories Support Products Parts & Accessories Support Poulan Pro mowers allow you to side discharge, mulch or bag for the best looking lawn on the block. Choose a model that has all 3 cutting modes for the most versatility. Poulan PP Gas Saw Type 2, Gas Saw Type 2 ...

MARASTAR 15x6.00-6

MARASTAR 15x6.00-6" Front Tire Assembly Replacement for Craftsman Riding Mowers (21446)

Poulan Riding Mower Wiring Diagram The only wiring is on the engine itself, Briggs and Stratton may be able to. diagramweb.net - Select Poulan PP20H46A - Poulan Pro Lawn Tractor Diagrams and order Genuine Poulan Mowers: lawn & garden tractor Parts. Easy Ordering. Poulan Pro PZ Manual Online: Wiring Diagram. 60 English- WIRING DIAGRAMS 6. Lawn Mower Poulan Pro Pro PB26H54YT ...

Bagger for 30-inch Decks

Bagger for 30-inch Decks

POULAN PRO Parts Lookup by Model - Lawn Mower Parts Parts lookup for POULAN PRO power equipment is simpler than ever. Enter your model number in the search box above or just choose from the list below. How to FIND Your POULAN PRO Model Number > POULAN PRO Parts Diagrams 952711930 TRIMMERS/EDGERS 952711931 TRIMMERS/EDGERS 954570857 TRACTORS/RIDE MOWERS BLOWERS CHAIN SAWS

Poulan Pro Husqvarna 199972 Lawn Tractor Blade Engagement ...

Poulan Pro Husqvarna 199972 Lawn Tractor Blade Engagement ...

Poulan Pp175g42 Parts Diagram Outlet Store, UP TO 53% OFF ...

Poulan Pp175g42 Parts Diagram Outlet Store, UP TO 53% OFF ...

Poulan Pro Husqvarna 130794 Lawn Tractor Mandrel Assembly Genuine Original  Equipment Manufacturer (OEM) Part

Poulan Pro Husqvarna 130794 Lawn Tractor Mandrel Assembly Genuine Original Equipment Manufacturer (OEM) Part

Craftsman 917289030 front-engine lawn tractor parts | Sears ...

Craftsman 917289030 front-engine lawn tractor parts | Sears ...

Poulan Pro PP175G42 42 in. 17-1/2 HP Briggs & Stratton Gas 6 ...

Poulan Pro PP175G42 42 in. 17-1/2 HP Briggs & Stratton Gas 6 ...

Poulan Pro PP 19A42 (960420187-00) - Poulan Pro Lawn Tractor ...

Poulan Pro PP 19A42 (960420187-00) - Poulan Pro Lawn Tractor ...

IPL, PZ 4822, 968999302, 2005-11, Ride Mower ... - Husqvarna

IPL, PZ 4822, 968999302, 2005-11, Ride Mower ... - Husqvarna

Poulan Mower Parts Online, 52% OFF | www.emanagreen.com

Poulan Mower Parts Online, 52% OFF | www.emanagreen.com

Riding Mowers | Poulan Pro

Riding Mowers | Poulan Pro

Poulan PP105G30 96022002701 (2016-08) Riding Mower

Poulan PP105G30 96022002701 (2016-08) Riding Mower

Cutting Blades For Poulan Pro PP20VA46 Lawn Tractor - Mower ...

Cutting Blades For Poulan Pro PP20VA46 Lawn Tractor - Mower ...

Poulan Lawn Mower XT18542LT User Guide | ManualsOnline.com

Poulan Lawn Mower XT18542LT User Guide | ManualsOnline.com

Auto Express New Carburetor Fits Poulan Pro, Pro XT Lawnmower w/Briggs &  Stratton Intek Motor

Auto Express New Carburetor Fits Poulan Pro, Pro XT Lawnmower w/Briggs & Stratton Intek Motor

Poulan PP175G42 - 96046007500 (2015-08) Parts Diagrams

Poulan PP175G42 - 96046007500 (2015-08) Parts Diagrams

PoulanPRO Deck Rebuild 2 (Assembly & Test)

PoulanPRO Deck Rebuild 2 (Assembly & Test)

42

42" Deck Rebuild Kit Poulan Pro PP19A42 XT195H42LT – Parts ...

Poulan Riding Lawn Mower Parts Factory Sale, 56% OFF | www ...

Poulan Riding Lawn Mower Parts Factory Sale, 56% OFF | www ...

Poulan P2260A Mower Parts Diagram for Rotory Lawn Mower

Poulan P2260A Mower Parts Diagram for Rotory Lawn Mower

Mower belts

Mower belts

Poulan Pro Riding Mower Deck Parts Clearance, 56% OFF | www ...

Poulan Pro Riding Mower Deck Parts Clearance, 56% OFF | www ...

Amazon.com : PoulanPro 42

Amazon.com : PoulanPro 42" 4 Bolt Mower Deck Spindle Assembly ...

PP 175G42 (960460075-00) - Poulan Pro Lawn Tractor (2015-08 ...

PP 175G42 (960460075-00) - Poulan Pro Lawn Tractor (2015-08 ...

Poulan Mower Parts Online, 52% OFF | www.emanagreen.com

Poulan Mower Parts Online, 52% OFF | www.emanagreen.com

Poulan PP11536 Tractor Parts Diagram for Transaxle

Poulan PP11536 Tractor Parts Diagram for Transaxle

Poulan Lawn Tractor | PD185H42ST | eReplacementParts.com

Poulan Lawn Tractor | PD185H42ST | eReplacementParts.com

Installation, Repair and Replacement of Poulan PRGT25H48 Belts

Installation, Repair and Replacement of Poulan PRGT25H48 Belts

0 Response to "40 poulan pro riding lawn mower parts diagram"

Post a Comment

Iklan Atas Artikel

Iklan Tengah Artikel 1

Iklan Tengah Artikel 2

Iklan Bawah Artikel