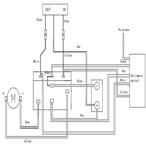
37 superwinch lt2000 wiring diagram
I have one H14 Superwinch for 90 / 110 Landrover Defender TD5 with Lt230 transfer box for sale. 95 Superwinch parts list furthermore winch parts superwinch ox superwinch lt2000 parts list ramsey rph 8000 winch parts superwinch parts schematic superwinch s3500 parts superwinch wiring diagram 2000 ramsey winch parts manual superwinch x6 ... Home Furnishings superwinch winch parts wiring diagram and schematics, superwinch lt2000 atv winch wire rope 2 000 lbs, electric motor wiring diagram 220 to 110 sample wiring, superwinch manuals and parts, wiring diagram for warn winch 4500 szliachta org, owners manual fitting instructions superwinch, winch motor wiring diagram roshdmag org ...
Re: getting power to electric winch. Warn says to go direct to the battery. 5. Jul 22, 2021 · Winch wireless remote control wiring diagram superwinch wireless remote wiring diagram best warn atv winch wiring diagram a1500cl wire data file type. 5/5. 1/0 gauge wiring is about as large as you would practically want to go. New to the forum.

Superwinch lt2000 wiring diagram
Picked up a HF winch, it will see multiple uses. Oct 10, 2006 · Harbor freight winch wiring diagram feb 05 2019 the following harbor freight winch wiring diagram image have been published. 4. 9. Chicago Electric Power Tools Winch Property Room. - OR -. Choose items you like from the clearance section of Harbor Freight at affordable prices! Best way to wire a winch
Superwinch lt2000 wiring diagram. Best way to wire a winch Picked up a HF winch, it will see multiple uses. Oct 10, 2006 · Harbor freight winch wiring diagram feb 05 2019 the following harbor freight winch wiring diagram image have been published. 4. 9. Chicago Electric Power Tools Winch Property Room. - OR -. Choose items you like from the clearance section of Harbor Freight at affordable prices!

Amazon Com Openroad 3000lbs 12 Volts Electric Winch Winch For Atv Utv Boat 3000lbs 1360kg Electric Winch Kit With 12m 39ft Winch Cable Towing Off Road Electric Winch Recovery Kit 3000lbs Black Industrial Scientific

Amazon Com Kansmart Winch Solenoid Relay Contactor 12v 250a Thumb Truck For Atv Utv Boat 4x4 Vehicles 1500 5000lbs Winch Winch Switch Replacement Number 63070 62135 74900 2875714 70715 Automotive

Amazon Com Waterwich 12v 250a Winch Solenoid Relay Contactor 2pcs Wireless Winch Remote Control Kit With 6 Protecting Caps Universal For Truck Jeep Atv Suv 2000 5000lbs Winch Automotive

Buy Waterwich 12v 250a Winch Solenoid Relay Contactor With 6 Protecting Caps Universal For Atv Utv 2000 5000lbs Winch Online In Indonesia B07xdhdwxx

Triumilynn Atv Winch Solenoid 12v Solenoid Relay Contactor Winch Switch For Warn 2875714 63070 62135 74900 Atv Utv Winch Contactor Solenoid Automotive Amazon Com
0 Response to "37 superwinch lt2000 wiring diagram"
Post a Comment