38 stihl br420c magnum parts diagram
#PartPrice14203 140 2806 ‑ Stihl Filter Housing£23.62To Basket29022 341 1220 ‑ Stihl Spline Screw Is‑m5x48x22£1.10To Basket39039 488 0984 ‑ Stihl Screw Din 7500‑m5x16£0.73To BasketView 25 more rows R7871 Starter Pawl Replaces Stihl 1118-195-7200 Replaces Stihl 1118-195-7200 Fits Stihl Models 009, 010, 011, 024, 028 & 032.
Stihl Br420c Magnum Parts Mannial 4203 141 0301 Air Filter with Fuel Filter & Spark Plug fit STIHL BR340 BR340L BR380 BR420 BR420C BR320 BR320L BR400 SR320 SR340 SR380 SR400 SR420 Backpack Blower 4.7 out of 5 stars 9 $10.99 $ 10 . 99

Stihl br420c magnum parts diagram
STIHL SCREW P6, OX25-T27. $5.99. Add to Wish List. Add to Cart. Add to Compare. #QS 9074 477 4438. STIHL PAN HEAD SELF TAPPING SCREW. $5.99. Add to Wish List. View Stihl BR 420 C Backpack Blower (BR 420 C) Parts Diagram , VACUUM ATTACHMENT to easily locate and buy the spares that fit this machine. 34 Stihl Br420c Magnum Parts Diagram Wiring Diagram Database. Blowing With The Stihl Br420c Magnum Backpack Blower Youtube. Stihl Br420c Magnum Backpack Leaf Blower For Sale Online. Stihl Br420c Magnum Coil Blower Part Only Bin 538 Ebay.
Stihl br420c magnum parts diagram. Stihl BR 420 C Backpack Blower (BR 420 C) Parts Diagram Select a page from the Stihl BR 420 C Backpack Blower diagram to view the parts list and exploded view diagram. All parts that fit a BR 420 C Backpack Blower . Pages in this diagram. CRANKCASE - CYLINDER. REWIND STARTER - MUFFLER. AIR FILTER - IGNITION SYSTEM . CARBURETOR HD-28A - HD-29. FAN HOUSING. BACKPLATE. PLEATED HOSE - BLOWER TUBE ... Stihl BG 75 Service Workshop Manual. $ 9.72 $ 7.07. Download. -27% Out of stock. STIHL BGE 61 Blower Service Workshop Manual. $ 9.72 $ 7.07. Download. Show Filters. Default sorting Sort by popularity Sort by average rating Sort by latest Sort by price: low to high Sort by price: high to low. Quality Stihl Leaf Blower Replacement Parts From Repair Clinic. Like all of the company's power equipment, Stihl leaf blowers are designed for reliability and built for the long haul. But for the equipment to live up to its full potential, the engine needs to be properly maintained. That's where Repair Clinic can help. Stihl BR420C Pro Model Backpack Blower In Non Running Condition. No Full Inspection Has Been Done But Our Basic Inspection Noted: Missing Several Parts As Shown. Engine Does Turn Over Good By Hand When Turning The Crankshaft. Nice Unit To Pick Up As A Project Blower Or One To Keep Around For Parts On Your Current Blowers. Please Feel Free To Reach Out W/ Any Questions That Might Help W/ Your ...
Stihl Parts Online. Stihl is a highly recognized name in outdoor power equipment products. DHS Equipment understands that people are searching for Stihl parts online everyday, so we want to offer the best quality Stihl replacement parts online. Stihl Leaf Blower Model BR 420 Parts. Stihl Leaf Blower Model BR 420 Parts are easily labeled on this page to help you find the correct component for your repair. Filter results by category, title and symptom. You can also view diagrams and manuals, review common problems that may help answer your questions, watch related videos, read insightful articles or use our repair help guide to get ... Stihl br420c magnum parts diagram. Stihl br 420 backpack blower br 420 parts diagram. Stihl 41371904000 fits stihl models. Bg fc fs hl ht km 70 75 80 85. Select a page from the stihl br 420 backpack blower diagram to view the parts list and exploded view diagram. Stihl br 420 backpack blower br 420 parts diagram control handle zoom in zoom out reset. 365 day return policy. To reduce the risk ... P SeekPro Cylinder Piston Kit Gasket Spark Plug Grooved Ball Bearing Oil Seal Needle Cage for Stihl Blower BR320 BR320L SR320 BR340 BR340L BR380 BR400 BR420 BR420C SR400 SR340 SR420. 4.1 out of 5 stars. 12. $43.99. $43. . 99. Get it Wed, Nov 24 - Fri, Dec 10. $3.39 shipping.
Shop great deals on Stihl Br420 In Leaf Blower & Vacuum Parts. Get outdoors for some landscaping or spruce up your garden! Shop a huge online selection at eBay.com. Fast & Free shipping on many items! Stihl BR 340, 340 L, 420 and 420 C are models found in the Backpack Blowers and other tools for Stihl garden equipment. Download the full parts list, including exploded diagram view and parts identification as well as the service manual and operators manual. Parts list in English and multilanguage edition. STIHL BR 340, 340 L, 420, 420 C (4203) STIHL recommends using only STIHL replacement parts for the repair and maintenance of your STIHL equipment. We want every STIHL owner to have the best product performance possible, so if you are in need of STIHL repair or equipment maintenance, contact your local authorized full-line STIHL servicing Dealer . Stihl br420c magnum parts diagram. Documents similar to br340 br340l br380 br420 br420c 4203 parts manual. Stihl recommends using only stihl replacement parts for the repair and maintenance of your stihl equipment. Select a page from the stihl br 420 backpack blower diagram to view the parts list and exploded view diagram. Stihl br420 magnum backpack blower parts repair 0 results. Open 7 days ...
Stihl br420c magnum parts diagram. All parts that fit a br 420 c backpack blower. Bg 75 fc 75 fc 85 fh 75 fr 85 fr 85 t fs 75 fs 80 fs 80 r fs85 fs 85 r fs 85 rx fs 85 t hl 75 hl 75 k ht 70 ht 75 ka 85 r. Stihl dealers are minimize wear and avoid parts subject to wear and regularly given the opportunity to attend damage tear training courses and are supplied with the necessary technical ...
Save Save BR340-BR340L-BR380-BR420-BR420C - 4203 - Parts Man... For Later. 75% 75% found this document useful, Mark this document as useful. 25% 25% found this document not useful, Mark this document as not useful. Embed. Share. Print. Related titles. Carousel Previous Carousel Next. JD 425 445 Operators Manual. STIHL BR 340, 420, SR 340, 420 RA_373_00_01_03.pdf. stihl sr420 modification.pdf ...
warnings apply to the use of all STIHL blowers. Different models may have different parts and controls. See the appropriate section of your owner`s manual for a description of the controls and function of the parts of your machine. Safe use of a blower involves 1. the operator 2. the blower 3. the use of the blower. THE OPERATOR Physical Condition
Hipa Carburetor With Fuel Line Filter Spark Plug For Stihl Br320 Br320l Br340 Br340l Br380 Br400 Br420 Br420c Sr320 Sr340 Sr380 Sr400 Sr420 Backpack Blower Mowers Outdoor Power Tools Replacement Parts
Stihl Br420c Magnum Parts Diagram. Stihl leaf blower model br 420 br420 parts shop online or call 800 269 2609. Hipa pack of 2 air filter with spark plug fuel filter for stihl br340 br340l br380 br420 br420c sr340 sr420 blower 4203 141 0301.
Stihl BR 420 Backpack Blower (BR 420) Parts Diagram. Select a page from the Stihl BR 420 Backpack Blower diagram to view the parts list and exploded view diagram. All parts that fit a BR 420 Backpack Blower.
Chevy S 10 Engine Diagram; Stihl Br420c Magnum Parts Diagram; Woods Finish Mower Belt Diagram; Ford Focus Transmission Solenoid Diagram; Pressure Washer Gun Parts Diagram; Diagram Of The Ocean Floor; Warn Winch Solenoid Wiring Diagram Atv; 2000 Ford Taurus 30 V6 Serpentine Belt Diagram; Ryobi Weed Eater Parts Diagram; 2002 Ford Taurus Belt ...

I Have A Stihl Br420c Magnum Blower Fresh Gas New Plug It Starts Fine Idles Fine But Bogs Down When I Accelerate
Stihl ms 461 parts diagram. Stihl ms 461 parts list manual for the stihl chainsaw. Stihl Ms 460 Parts Diagram Automotive Parts Diagram … Stihl br340 backpack blower parts diagramerdiolamustafaj.it/kQr5 Mounting hardware included. Stihl br420c magnum parts diagram. One of those is the fuel filter. Stihl Ms 460 Parts Diagram | Automotive Parts
Download Stihl Br420c Parts - Access Free Stihl Br420c Magnum Parts bloweres are often used for home garden use and professional landscape work If you are looking for replacement parts for stilh SR340, SR420, BR340, BR380, BR420 leaf blowers then this is the place to be Chainsaw / Grass
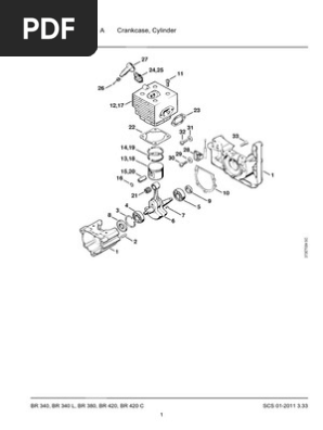
#PartPrice14203 020 2106 ‑ Stihl CRANKCASE£83.0239465 620 2620 ‑ Stihl Snap Ring 37£1.10To Basket64116 030 0400 ‑ Stihl Crankshaft£254.29To BasketView 25 more rows
Free Stihl Chainsaw parts diagram look up. Break downs
Stihl br420c magnum parts diagram. Stihl recommends using only stihl replacement parts for the repair and maintenance of your stihl equipment. Zama zf 4 fuel filter for stihl bg65 bg85c br340l br420 br420c br500 br550 b. Documents similar to br340 br340l br380 br420 br420c 4203 parts manual. Look at the diagram and find parts that fit a stihl br 420 backpack blower or refer to the list below ...
Cylinder Piston Kit 46mm For Stihl Backpack Blower BR320 BR320L BR340 BR340L BR380 BR400 BR420 BR420 BR420C Mistblower SR320 SR340 SR420 Parts# 4203 020 1201 4203 020 1200 3.9 out of 5 stars 13 $36.99 $ 36 . 99 $39.99 $39.99
Lots Of Stihl Br Sr Conversion Information Lawnsite Is The Largest And Most Active Online Forum Serving Green Industry Professionals
Select a page from the Stihl BR 340 Backpack Blower (BR 340) exploaded view parts diagram to find and buy spares for this machine.
stihl backpack blower parts diagram is among the pictures we discovered on the net from reliable sources. We tend to explore this stihl backpack blower parts diagram pic here because according to info from Google search engine, Its one of many top searches key word on the internet. And that we also consider you came
#PartPrice34203 182 2900 ‑ Stihl Locking Lever£4.50To Basket44203 182 8950 ‑ Stihl Pin£2.29To Basket59291 021 3863 ‑ Stihl Washer Din125‑a6.1x21x1.4£0.24To BasketView 20 more rows
The kill switch on my blower died and I had to turn the choke on in order to stop the engine. New switches were only $12 on eBay. They looked so simple that ...

Amazon Com P Seekpro Ignition Coil Module For Stihl Backpack Blower Br320 Br320l Br340 Br340l Br380 Br420 Br420c Mistblower Sr320 Sr340 Sr420 Leaf Blower 4203 400 1301 4203 400 1302 Patio Lawn Garden
#PartPrice14203 701 6101 ‑ Stihl Pleated Hose£16.09To Basket24203 701 6102 ‑ Stihl Pleated Hose£15.72To Basket34203 700 7100 ‑ Stihl Hose Clip£6.82To BasketView 12 more rows
#PartPrice24203 182 2900 ‑ Stihl Locking Lever£4.50To Basket34203 182 8950 ‑ Stihl Pin£2.29To Basket49291 021 3865 ‑ Stihl Washer 6.5x22x1.2£0.24To BasketView 15 more rows

Amazon Com Cylinder Piston Kit 46mm For Stihl Backpack Blower Br320 Br320l Br340 Br340l Br380 Br400 Br420 Br420 Br420c Mistblower Sr320 Sr340 Sr420 Parts 4203 020 1201 4203 020 1200 Patio Lawn Garden
34 Stihl Br420c Magnum Parts Diagram Wiring Diagram Database. Blowing With The Stihl Br420c Magnum Backpack Blower Youtube. Stihl Br420c Magnum Backpack Leaf Blower For Sale Online. Stihl Br420c Magnum Coil Blower Part Only Bin 538 Ebay.

Cheap Sale Retailer Coachmen Rv Fender Skirt Fiberglass 792 Colonial White Lowest Price And Free Shipping Www Stemarga Com
View Stihl BR 420 C Backpack Blower (BR 420 C) Parts Diagram , VACUUM ATTACHMENT to easily locate and buy the spares that fit this machine.
STIHL SCREW P6, OX25-T27. $5.99. Add to Wish List. Add to Cart. Add to Compare. #QS 9074 477 4438. STIHL PAN HEAD SELF TAPPING SCREW. $5.99. Add to Wish List.

Amazon Com Fitbest Carburetor For Stihl Sr320 Sr340 Sr380 Sr400 Sr420 Br320 Br340 Br380 Br400 Br420 Backpack Blowers With Gasket Spark Plug Fuel Filter Patio Lawn Garden
0 Response to "38 stihl br420c magnum parts diagram"
Post a Comment