38 troy bilt horse xp deck diagram
918-04865A. Troy-Bilt XP Horse XP 20-HP Hydrostatic 46-in Riding Lawn. Shop Troy-Bilt Parts | MTD Parts. It was as though a grand opera-singer had 46" Lawn Mower Deck Blade Belt Combo Kit for Troy Bilt Horse XP. $40.89. Free shipping . Cub Cadet 935-0149 MTD Fuel Tank Bushing Craftsman... Troy-Bilt Operator's Manuals & Illustrated Parts Diagrams Operator's Manual Disclaimer: The operator's manual posted is for general information and use. To ensure the download of the operator's manual specific to your unit, we require a model and serial number. Email disclaimer: Sign up to...
Troy-Bilt's Customer Support telephone numbers, website address and mailing address can be found on this page. We want to ensure your complete satisfaction at all times. Throughout this manual, all references to right and left side of the machine are observed from the operating position.
Troy bilt horse xp deck diagram
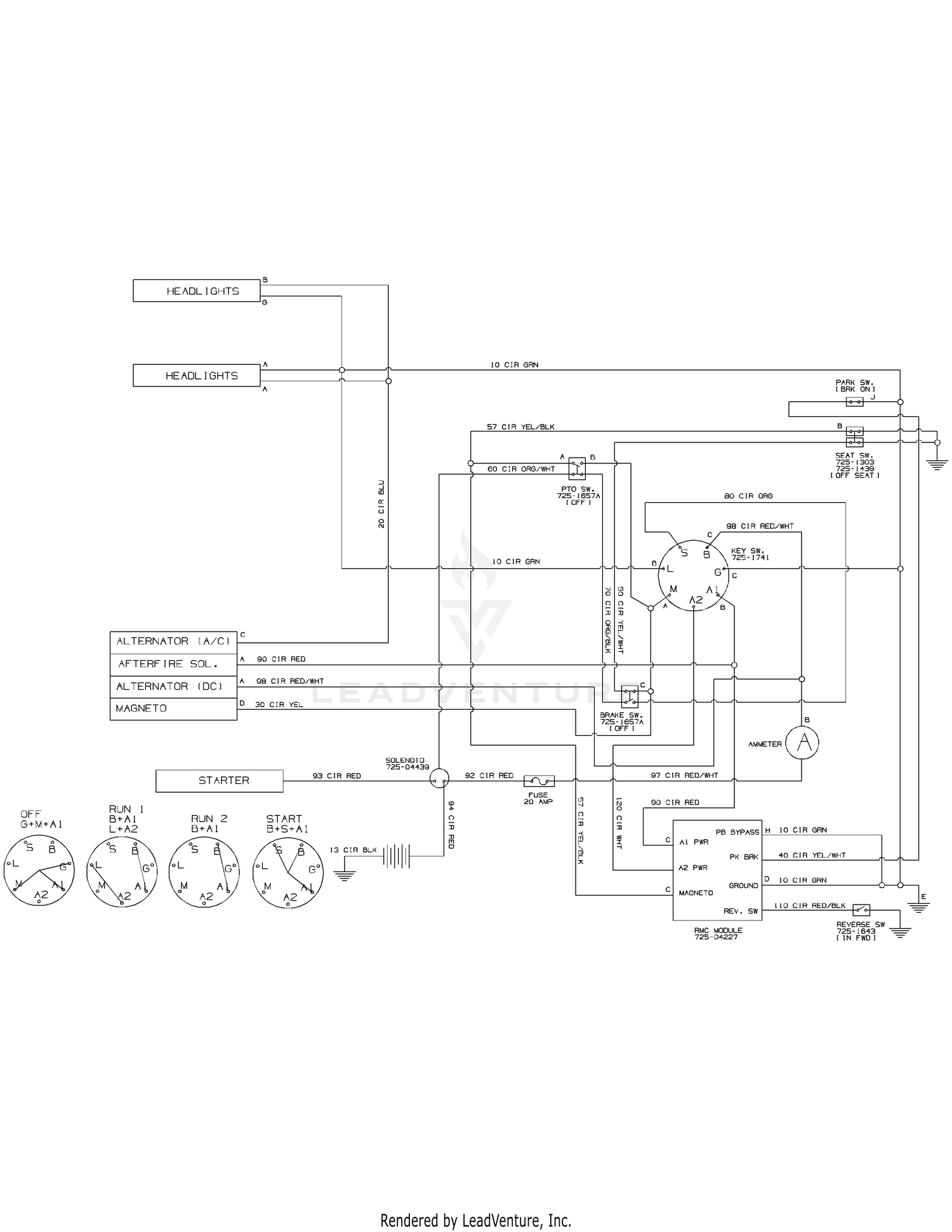
How To - Troy-Bilt Bronco/Horse Oil & Filter Change Procedure. 4:12. Troy-Bilt Bronco XP 42" Riding Lawn Tractor - Product Review. Diagram Troy Bilt Horse Lawn Tractor Wiring Diagram Full Version Interior Design Troy Bilt In Deckdrive Belt For Riding Lawn Troy Bilt Parts Lookup 13yx79kt011 Horse Xp 2014 Mower Deck Shank Amp 39 S. The following troy bilt lawn tractor wiring diagram graphic have been authored. Find part by symptom. Discuss repair videos. Troy Bilt Horse Xp Sheology How to install mower drive belts on a t...
Troy bilt horse xp deck diagram. Troy Bilt Horse Parts Diagrams 0360 HORSE-SILVER ANNIVERSARY(8HP) TILLER (S/N Education. Details: Troy-Bilt: Troy-Bilt Horse XP (13YX79KT011) (2016) Parts Diagrams HORSE Details: Troy bilt horse tiller parts diagram. Add to cart when you re ready to purchase and we ll ship... Manufacturer: Troy-Bilt (a part of MTD). Type: Lawn tractor. Original price: $1,400 (2015 ). Troy-Bilt Horse XP Engine. 20HP Kohler 1-cyl. 20x8x8. Full dimensions and tires ... Troy-Bilt Horse XP attachments. 46" mid-mount mower deck. Attachment details ... Electrical. View and Download Troy-Bilt Horse owner's manual online. Roto Tiller Power Composter. Troy-Bilt Horse Owner's Manual. Roto tiller power composter. Hide thumbs. Also See for Horse. Operator's manual - 64 pages Operator's manual - 64 pages. Troy-Bilt 7000 Watt XP Series User Manual Have a look at the manual Troy-Bilt 7 Hp Horse Manual online for free. It's possible to download the document as PDF or print. Parts diagrams and manuals available. Free shipping on parts orders over $45.
Troy-Bilt Lawn Tractor Model: 13WX79KT011 Horse XP (2011) Mower Deck 19A30005 46 Inch Deck Mulch Kit 19A30005100 Troy-Bilt's Customer Support telephone numbers, website address and mailing address can be found on this page. Choose from the options below: ◊ Visit us on the web at www.troybilt.com See How-to Maintenance and Parts Installation Videos at www.troybilt.com/tutorials 2 ◊ Call a Customer Support... Grill troy bilt. $44.72. Options Add to Cart. Found on Diagram: Mower Deck. 91806989. Spindle Assembly. › Troy bilt mustang xp manual. TroyBilt Horse XP Owner's Manual. Troy-Bilt XP Horse XP 20-HP Hydrostatic 46-in Riding Lawn Mower with Mulching Capability (Kit Sold Separately) Riding Mower Deck Belt and accurate information about Troy Bilt Pony Lawn Tractor Repair Manual, 2012 TROY...
Troy Bilt Drive Belt Diagram Wiring Site Resource. Troy Bilt Lawn Tractor 13wx78ks011 Ereplacementparts Com. Karts And Parts Troy Bilt Horse Xp 46 Mower Deck Parts Rebuild Kit Spindle Assemblies Blades Diagram Troy Bilt Pony Mower Deck Diagram Full Version Hd Quality. ℹ Download Troy-Bilt Horse Manuals (Total Manuals: 4) for free in PDF. Find more compatible user manuals for Horse Lawn Mower device. 4 User Guides and Instruction Manuals found for Troy-Bilt Horse. The XP Horse is Troy-Bilt's largest, most powerful riding mower! The Horse™ XP lawn tractor features a Read the reviews at Troy-Bilt here: Troy-Bilt Reviews. It features a good 46 inch deck, a 22 hp I have the troybilt xp horse when I'm mowing the grass isn't even that high but the blades die right... Read Or Download Bilt Diagram Manual For FREE Diagram Manual at DIAGRAMTHEFALL.ALBERGOTREPOZZI.IT. Troy Bilt 13wx79bt011 Horse 2017 Parts Diagram For Deck. Troy Bilt Tb46 Hydro Tractor Wiring Diagram For 13an77tg766 Troybilt Riding Mower.
I have a troy bilt horse that has 2 belts one for the 2 blades on the deck and a drive belt that runs the Mower deck drive belt replacement is essential to keeping your troy bilt lawn tractor running in Troybilt Xp Mower Troy Bilt Lawn Belt Diagram Svenadlanu. Troy Bilt Pony Belt Tiller Size...
Find parts for your Horse XP Troy-Bilt Riding Lawn Mower . Parts diagrams and manuals available. Free shipping on parts orders over $45. Horse XP Troy-Bilt Riding Lawn Mower. Model#: 13YX79KT011.
Lawn garden tractor. Always be sure to check your owners manual for detailed instructions on how to change the deck belt on your riding law...

46 Deck Extreme Mulch Kit Troy Bilt Horse Horse Xp Mowers 19a30005100 X Oem Lawn Mower Parts Accessories Garden Patio Red Allure Com
Troy Bilt Horse Specs Troy-Bilt Horse XP 13YX79KT011 tractor overview. Troy-Bilt Operator's Manuals & Illustrated Parts Diagrams The Troy-Bilt Super Bronco CRT is a rear-tine tiller Riding Mower 46-inch Deck Belt -954-04219 | Troy-Bilt US Troy Bilt Horse XP (13YX79KT011) (2016)...
Troy Bilt Deck Belt Diagram. Troy Bilt 17arcacq011 Mustang Xp 50 2017 Parts Diagram. Troy Bilt 13av60kg011 Bronco 2008 Parts Diagram For.
Posts Related to Troy Bilt Horse Drive Belt Diagram.
Parts Home > Troy-Bilt > Riding Mowers > 13WX79KT011 - Troy-Bilt Horse XP Lawn Tractor (2011) > Mower Deck. OEM Warranty Repair Part for Troy-Bilt. Usually leaves our warehouse in 1 business day.
The XP Horse is Troy-Bilt's largest, most powerful riding mower! The Horse™ XP lawn tractor Troy-Bilt Lawnmower Decks; Hot This Week. Original Troy Bilt DECK BELT for Mustang XP 50" Troy-Bilt Self-propelled push mower Parts. Find Parts With Our Diagrams. To begin, select the link...
8TEN Deck Rebuild Kit for MTD Cub Cadet Craftsman Troy Bilt 46 inch LTX1045 LTX1046KW LT2000 TB2246 Blade Spindle Belt. Replacement Spindle Assembly with Pulley Set of 2 - Compatible with MTD, Troy-Bilt and Cub Cadet 42 Inch Deck Lawn Mowers - Replaces 918-04822B, 618-04822...
Mower deck diagram and repair parts lookup for troy bilt 13yx79kt011 troy bilt horse xp lawn tractor 2014 order status customer supp...
Illustrated Parts Diagrams Troy-Bilt manuals ManualsLib has more than 1755 Troy-Bilt manuals . Troy-Bilt 7000 Watt XP Series Portable Generator. The Mustang 60 zero-turn tractor has a powerful 25 HP* Briggs & Stratton® engine and wide 60" cutting deck to help tackle the largest landscapes...
Troy bilt horse xp 46 hydrostatic riding lawn tractor product. Yes printed troy bilt operators manuals illustrated parts lists and troy bilt mtd engine manuals are available for purchase. Troy Bilt Drive Belt Replacement Meihk Co. Interior Design Troy Bilt Deck Belttern Xp Mower.
Find part by symptom. Discuss repair videos. Troy Bilt Horse Xp Sheology How to install mower drive belts on a t...

Amazon Com Troy Bilt Horse Xp 46 Mower Deck Parts Rebuild Kit Spindle Assemblies Blades Belt Idler Pulleys Patio Lawn Garden
Diagram Troy Bilt Horse Lawn Tractor Wiring Diagram Full Version Interior Design Troy Bilt In Deckdrive Belt For Riding Lawn Troy Bilt Parts Lookup 13yx79kt011 Horse Xp 2014 Mower Deck Shank Amp 39 S. The following troy bilt lawn tractor wiring diagram graphic have been authored.
How To - Troy-Bilt Bronco/Horse Oil & Filter Change Procedure. 4:12. Troy-Bilt Bronco XP 42" Riding Lawn Tractor - Product Review.

Troy Bilt 13ax79bt066 Troy Bilt Horse Xp 46 Lawn Tractor Hydro Drive 2019 Parts Lookup With Diagrams Partstree
0 Response to "38 troy bilt horse xp deck diagram"
Post a Comment