39 bayou 220 wiring diagram
Kawasaki Bayou Klf220 Wiring Diagram. Shop our large selection of Kawasaki BAYOU (KLFA15) OEM Parts, original equipment manufacturer parts and Chassis Electrical Equipment . Bayou Parts Diagrams. select a new vehicle Chassis Electrical Equipment. VIEW DIAGRAM Starter Motor (KLFA5/A6/A7/A8). 23 May 2020 — Hi Everyone - Need some help. Got a nice little 220...clean machine. wiring is a mess. I have a diagram however, the one I have has 4 wires ...
Kawasaki - Fixing up my newly-acquired Bayou 220, need a wiring diagram and questions answered. - So, I've recently acquired a 00 (i think) Bayou 220 from a ...

Bayou 220 wiring diagram
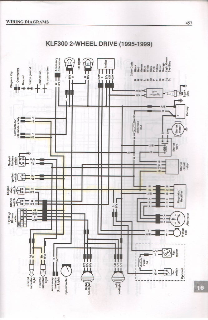
2 days ago — A wiring diagram is a simplified traditional pictorial depiction of an electric circuit. 220 Bayou Atv Wiring Diagrams. 2002 Kawasaki Bayou 220 Wiring Diagram from i2.wp.com. Print the electrical wiring diagram off and use highlighters in order to trace the circuit. When you use your finger or the actual circuit along with your eyes, it’s easy to mistrace the circuit. One trick that We use is to print out the same wiring plan off twice. Following diagrams is pretty simple, but applying it inside the scope of how the system operates is a different matter. Our best advice is not only look from the diagram, nevertheless understand how the constituents operate when in use. Wiring Diagram For Kawasaki Bayou 220 Source: carpny.org. READ Sony Head Unit Wiring Diagram Database.
Bayou 220 wiring diagram. Description : Kawasaki 220 Bayou Wiring Diagram intended for Kawasaki Bayou 220 Wiring Diagram, image size 600 X 397 px, and to view image details please click the image. Here is a picture gallery about kawasaki bayou 220 wiring diagram complete with the description of the image, please find the image you need. Fixing Up My Newly Acquired Bayou 220 Need A Wiring Diagram And Questions Answered Atvconnection Com Atv Enthusiast Community. Kawasaki atv 220 wiring diagram full 1998 bayou schematics klf 185 2001 ignition help 610 mule chassis electrical equipment stater 300 1987 page 3 i have a 300cc 2 250 klf220 klf250 a13 electric fixing up my newly acquired midwest 110 carburetor hose 95 4x4 review of ... Click here for Kawasaki Bayou 220 pictures! You can also find pictures of kawasaki bayou 220 wiring diagram, kawasaki bayou 220 atv. kawasaki bayou 220 wiring diagram – You will need a comprehensive, expert, and easy to know Wiring Diagram. With such an illustrative manual, you will be able to troubleshoot, stop, and full your assignments easily. Not just will it help you achieve your desired results more quickly, but also make the entire procedure easier for everybody.
Kawasaki Bayou 220 Wiring Diagram – 1990 kawasaki bayou 220 wiring diagram, 1994 kawasaki bayou 220 wiring diagram, 1995 kawasaki bayou 220 wiring diagram, Every electrical structure is composed of various different parts. Each part should be placed and linked to other parts in specific way. Otherwise, the structure won’t function as it ought to be. Kawasaki Bayou 220 Wiring Diagram – 1990 kawasaki bayou 220 wiring diagram, 1994 kawasaki bayou 220 wiring diagram, 1995 kawasaki bayou 220 wiring diagram, Every electric structure consists of various unique pieces. Each part should be placed and connected with different parts in particular manner. Otherwise, the arrangement will not work as it should be. 1998 bayou 220 wiring schematics kawasaki atv forum electrical issues chassis equipment klf220a parts and oem diagram bikebandit ignition help atvconnection com enthusiast community 1997 fixing up my newly acquired need a questions answered klf220 a13 ereplacementparts harness arnabgurlz 1999 issue 250 klf250 printed cyclepedia service manual switch diagrams for 1989 online genuine spare ... Kawasaki Bayou 220 Wiring Diagram. Assortment of kawasaki bayou 220 wiring diagram. A wiring diagram is a streamlined traditional photographic representation of an electric circuit. It reveals the components of the circuit as streamlined forms, and the power and also signal connections between the gadgets. A wiring diagram normally provides info about the relative setting…
6 Nov 2019 — Can some one please help me with a wiring problem. I got this thing, and the wiring was hacked up. I found a schematic on a google search ... Following diagrams is pretty simple, but applying it inside the scope of how the system operates is a different matter. Our best advice is not only look from the diagram, nevertheless understand how the constituents operate when in use. Wiring Diagram For Kawasaki Bayou 220 Source: carpny.org. READ Sony Head Unit Wiring Diagram Database. 2002 Kawasaki Bayou 220 Wiring Diagram from i2.wp.com. Print the electrical wiring diagram off and use highlighters in order to trace the circuit. When you use your finger or the actual circuit along with your eyes, it’s easy to mistrace the circuit. One trick that We use is to print out the same wiring plan off twice. 2 days ago — A wiring diagram is a simplified traditional pictorial depiction of an electric circuit. 220 Bayou Atv Wiring Diagrams.
Parts Braking Brake Cables For Kawasaki Bayou 220 Klf220 1989 2002 Front Upper And Lower Proplavani Cz
Baru Mulai Relay Solenoid Untuk Skuter Atv Dengan Gy6 250cc Cf250 Ch250 Cf188 Cfmoto 500cc Go Kart Buggy Utv Atv Quad Bike Atv 450r Atv For Sale Cheapatv 500cc Aliexpress
Diagram In Pictures Database Kawasaki Bayou 220 Wiring Diagram Just Download Or Read Wiring Diagram Online Casalamm Edu Mx
Troubleshooting Repairing A Kawasaki Bayou Klf300 Atv Electrical Charging System 7 Steps Instructables
Other Atv Side By Side Utv Parts Accessories Starter For Kawasaki Bayou 220 Klf220 1988 1987 1988 1989 1990 91 92 93 94 95 96 Atv Side By Side Utv Parts Accessories
I Have A Bayou 220 I Bought It With No Spark And Have Not Been Able To Get It Fixed I Have Changed The Cdi Box And Ahmed
2003 2003 Kawasaki Bayou 220 Atv Four Wheeler For Sale In Louisiana Louisiana Sportsman Classifieds La
Auto Parts And Vehicles New Starter Solenoid Relay For Kawasaki Bayou 220 Klf220 1988 2002 Atv Rs 007 Auto Parts Accessories
0 Response to "39 bayou 220 wiring diagram"
Post a Comment