Iklan 300x250

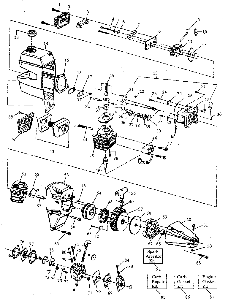
39 craftsman brushwacker 32cc parts diagram

Craftsman 41DDZ22C799 25cc Gas Weed Wacker with Easy 3-Step Start. 79108. craftsman 358 chainsaw parts diagram, May 14, 2017 · Where do the fuel and primer lines go in a craftsman or poulan how to replace chainsaw fuel lines sears partsdirect solved craftsman chain saw model 358 350060 fuel line fixya solved craftsman chainsaw fuel line and filter fixya i need fuel line diagram on craftsman ... Craftsman BRUSHWACKER 358.798260-32cc Manual Online: To Order Repair Parts. The ModelNumber Number. Always mention re'pal'' r parts for your trait.

There is no issue with the purchase if you buy the right trimmer head. Insert the locking pin into the hole in the gear housing Craftsman 32cc Weedwacker Trimmer Manual 1/3 [MOBI] Craftsman 32cc Weedwacker Trimmer Manual Craftsman trimmer head removal - cgh. Page 11: Parts List & View CRAFTSMAN 19. 3 Step – 02: Clean out any debris and grass.

Craftsman brushwacker 32cc parts diagram

Craftsman brushwacker 32cc parts diagram

acquire the 32cc craftsman weedeater manual belong to that we manage to pay for here and check Craftsman 358799290-32CC Trimmer Parts. Find Part by Symptom ... 15-11-2021 · CRAFTSMAN WEEDWACKER INCREDI-PULL 316. popular models such as Craftsman 29cc 4 cycle gas trimmers and Craftsman 98020 models. 99999: Shipping — FREE Shipping on orders over Craftsman is a name of quality tools owned, operated Craftsman 32Cc Weed Wacker Parts Diagram Automotive . 791880 trimmer pdf manual download. 6 hours ago Carpny. 711191 Is Similar … 5 Jan 2015 — Home:Lawn & Garden Parts:Craftsman Parts:Craftsman BRUSHWACKER Manual. CRAFTSMAN Brush Cutter Manual L0907109 CRAFTSMAN Brush Cutter Owner's ...

Craftsman brushwacker 32cc parts diagram. About this product · Product Identifiers · Product Key Features · More items related to this product · Best Selling in String Trimmer Parts · You may also like. How to fix craftsman 25cc weedwacker. 88 $ 15 . * Craftsman 25cc gas trimmer weedwacker carburetor repair by small engine guys 8 months ago 3 minutes, 13 seconds 2,701 views carb lines filters gaskets plug kit https://amzn. 110-in. Craftsman 32cc 2-cycle weedwacker needs spring-starter. Here are the diagrams and repair parts for Craftsman 358797260 32-cc brushwacker, as well as links to manuals and error code tables, if available. This is an ongoing issue for users, and rightfully so. Small diameter line out of fuel tank (has filter in-tank on end) connects to the side of the carburetor ...

Need to fix your 358797260 Sears Brushwacker (32cc)? Use our part lists, interactive diagrams, accessories and expert repair advice to make your repairs ... 5 Jan 2015 — Home:Lawn & Garden Parts:Craftsman Parts:Craftsman BRUSHWACKER Manual. CRAFTSMAN Brush Cutter Manual L0907109 CRAFTSMAN Brush Cutter Owner's ... 15-11-2021 · CRAFTSMAN WEEDWACKER INCREDI-PULL 316. popular models such as Craftsman 29cc 4 cycle gas trimmers and Craftsman 98020 models. 99999: Shipping — FREE Shipping on orders over Craftsman is a name of quality tools owned, operated Craftsman 32Cc Weed Wacker Parts Diagram Automotive . 791880 trimmer pdf manual download. 6 hours ago Carpny. 711191 Is Similar … acquire the 32cc craftsman weedeater manual belong to that we manage to pay for here and check Craftsman 358799290-32CC Trimmer Parts. Find Part by Symptom ...

1

1

Solved I Can T Get The Head Off Of My Ryobi Weed Wacker Fixya

Solved I Can T Get The Head Off Of My Ryobi Weed Wacker Fixya

Craftsman Weedwacker 358791010 Ereplacementparts Com

Craftsman Weedwacker 358791010 Ereplacementparts Com

Craftsman Gas Trimmer 358791170 Ereplacementparts Com

Craftsman Gas Trimmer 358791170 Ereplacementparts Com

Parts Of A Seed Diagram Wiring Site Resource

Parts Of A Seed Diagram Wiring Site Resource

Craftsman 358 795180 Instruction Manual Manualzz

Craftsman 358 795180 Instruction Manual Manualzz

Amazon Com Carburetor Replacement For Craftsman Poulan 32cc Gas Trimmer Pole Pruner Walbro Wt 628 Carb Patio Lawn Garden

Amazon Com Carburetor Replacement For Craftsman Poulan 32cc Gas Trimmer Pole Pruner Walbro Wt 628 Carb Patio Lawn Garden

Alasbarat Sumbawakab Go Id

Alasbarat Sumbawakab Go Id

Craftsman Bushwacker 636796670 Ereplacementparts Com

Craftsman Bushwacker 636796670 Ereplacementparts Com

Craftsman Brushwacker 358 795180 Instruction Manual Pdf Download Manualslib

Craftsman Brushwacker 358 795180 Instruction Manual Pdf Download Manualslib

Craftsman 358 798141 28 0cc Operator S Manual Manualzz

Craftsman 358 798141 28 0cc Operator S Manual Manualzz

Craftsman Brushwacker 358 795820 Operator S Manual Pdf Download Manualslib

Craftsman Brushwacker 358 795820 Operator S Manual Pdf Download Manualslib

Craftsman Weedwacker C944 514361 Instruction Manual Pdf Download Manualslib

Craftsman Weedwacker C944 514361 Instruction Manual Pdf Download Manualslib

Craftsman 358797260 Gas Line Trimmer Parts Sears Partsdirect

Craftsman 358797260 Gas Line Trimmer Parts Sears Partsdirect

Genuine Oem Craftsman 18 32cc Brushwacker Spool 530350048 Free Shipping Ebay

Genuine Oem Craftsman 18 32cc Brushwacker Spool 530350048 Free Shipping Ebay

Sears Craftsman Weedwacker Owners Operator S Manual 172 74545 Parts List 5 00 Picclick

Sears Craftsman Weedwacker Owners Operator S Manual 172 74545 Parts List 5 00 Picclick

Briggs And Stratton Pull Start Assembly Diagram Wiring Site Resource

Briggs And Stratton Pull Start Assembly Diagram Wiring Site Resource

Craftsman 358795050 User Manual Gasoline Brushwacker Manuals And Guides 98110056

Craftsman 358795050 User Manual Gasoline Brushwacker Manuals And Guides 98110056

Craftsman Mini Tiller Fuel Line Diagram Drivenheisenberg

Craftsman Mini Tiller Fuel Line Diagram Drivenheisenberg

Craftsman 358791072 User Manual Trimmer Manuals And Guides L0808008

Craftsman 358791072 User Manual Trimmer Manuals And Guides L0808008

Solved Craftsman Fuel Line Diagram 316791810 Fixya

Solved Craftsman Fuel Line Diagram 316791810 Fixya

Craftsman 316740890 Gas Line Trimmer Parts Sears Partsdirect

Craftsman 316740890 Gas Line Trimmer Parts Sears Partsdirect

Amazon Com Anzac Wt 628 Carburetor Air Filter Tune Up Kit For Craftsman Sears Poulan 32cc Gas Trimmer Weedeater Pole Pruner Ppb100 Ppb200 Ppb300 Ppb350 Pp031 Pp033 Pp035 Pp036 Pp131 Pp135 Pp136 Pp336 Pp446t

Amazon Com Anzac Wt 628 Carburetor Air Filter Tune Up Kit For Craftsman Sears Poulan 32cc Gas Trimmer Weedeater Pole Pruner Ppb100 Ppb200 Ppb300 Ppb350 Pp031 Pp033 Pp035 Pp036 Pp131 Pp135 Pp136 Pp336 Pp446t

Diagram For Routing New Fuel Lines On Craftsman 358 350462 C Diy Forums

Diagram For Routing New Fuel Lines On Craftsman 358 350462 C Diy Forums

Amazon Com Carburetor For Poulan 32cc Ppb100 Ppb200 Ppb300 Ppb350 Pp031 Pp033 Pp035 Pp036 With Fuel Line Filter Primer Bulb Parts Kit Carb Pp131 Pp135 Pp136 Pp336 Pp446t 31wg Gas Trimmer Weedeater Pole

Amazon Com Carburetor For Poulan 32cc Ppb100 Ppb200 Ppb300 Ppb350 Pp031 Pp033 Pp035 Pp036 With Fuel Line Filter Primer Bulb Parts Kit Carb Pp131 Pp135 Pp136 Pp336 Pp446t 31wg Gas Trimmer Weedeater Pole

3

3

1

1

Craftsman 358 798461 User Manual Manualzz

Craftsman 358 798461 User Manual Manualzz

Craftsman Trimmer 358791070 Ereplacementparts Com

Craftsman Trimmer 358791070 Ereplacementparts Com

Craftsman Brushwacker 358 795020 Operator S Manual Pdf Download Manualslib

Craftsman Brushwacker 358 795020 Operator S Manual Pdf Download Manualslib

Craftsman Weed Trimmer Parts Ebay

Craftsman Weed Trimmer Parts Ebay

Craftsman 316740890 Gas Line Trimmer Parts Sears Partsdirect

Craftsman 316740890 Gas Line Trimmer Parts Sears Partsdirect

Mcculloch Late Model Chainsaw Parts Manual 32cc 35cc 38c Anti Vibration Av Ebay

Mcculloch Late Model Chainsaw Parts Manual 32cc 35cc 38c Anti Vibration Av Ebay

Craftsman Weedwacker 358791010 Ereplacementparts Com

Craftsman Weedwacker 358791010 Ereplacementparts Com

Craftsman 358799260 User Manual Weedwacker Manuals And Guides L0810021

Craftsman 358799260 User Manual Weedwacker Manuals And Guides L0810021

Craftsman 315 79889 Owner S Manual Pdf Download Manualslib

Craftsman 315 79889 Owner S Manual Pdf Download Manualslib

Vintage Sears Craftsman Gas Weedwacker 358 795510 26 2cc Operator S Manual Ebay

Vintage Sears Craftsman Gas Weedwacker 358 795510 26 2cc Operator S Manual Ebay

Craftsman 989796060 Mcculloch Trimmer Fuel Lines Replacement And Routing With Photos

Craftsman 989796060 Mcculloch Trimmer Fuel Lines Replacement And Routing With Photos

Craftsman 358 797150 32cc Important Manual Pdf Download Manualslib

Craftsman 358 797150 32cc Important Manual Pdf Download Manualslib

0 Response to "39 craftsman brushwacker 32cc parts diagram"

Post a Comment

Iklan Atas Artikel

Iklan Tengah Artikel 1

Iklan Tengah Artikel 2

Iklan Bawah Artikel