40 true t 49f wiring diagram
Size: 97.32 KB. Dimension: 436 x 598. DOWNLOAD. Wiring Diagram Pictures Detail: Name: t 49f wiring diagram – Nissan Wiring Diagram By Rickfihoutab1974 Deviantart 1989 240sx Stereo 240sx And Nissan Wiring Diagrams. File Type: JPG. Source: niraikanai.me. 450 items — Find genuine OEM True T-49F replacement parts at Parts Town with the largest in-stock inventory and same day shipping until 9pm ET.
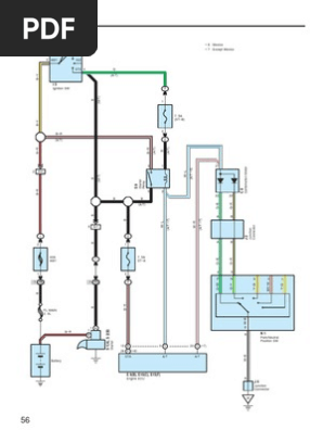
True's Remote System - How it Works ... GDM &; T-Series Freezer Perimeter Heater Wire Replacement ... NOTE: Wiring diagram is positioned on inside cover.121 pages

True t 49f wiring diagram
READ Water Well Pump Wiring Diagram Download. DOWNLOAD. Wiring Diagram Sheets Detail: Name: true t 49f wiring diagram – Contemporary Nissan Almera Wiring Diagram Elaboration Wiring. File Type: JPG. Source: littleforestgirl.net. Size: 414.12 KB. Dimension: 1536 x 1136. DOWNLOAD. True freezer t 49f wiring diagram. A wiring diagram is a simplified conventional pictorial depiction of an electric circuit. It shows the components of the circuit as streamlined shapes and the power as well as signal connections in between the gadgets. A wiring diagram is a simplified traditional photographic representation of an electric circuit. Variety of true freezer t 49f wiring diagram. A wiring diagram is a streamlined standard pictorial depiction of an electric circuit. It shows the components of the circuit as streamlined shapes, and the power as well as signal connections in between the gadgets.
True t 49f wiring diagram. 450 items — Find genuine OEM True T-49F replacement parts at Parts Town with the largest in-stock inventory and same day shipping until 9pm ET. Description: True Freezer T 49F Wiring Diagram intended for True Freezer T 49F Wiring Diagram, image size 450 X 300 px, and to view image details please click the image.. Here is a picture gallery about true freezer t 49f wiring diagram complete with the description of the image, please find the image you need. True Freezer T 49f Beautiful True Freezer Wiring Diagram img source: wiringall.com True T49f Wiring Diagram notes on the troubleshooting and repair of television sets back to tv repair faq table of contents introduction television at the crossroads television in substantially its present form has been with us for nearly 50 years. Tf wiring diagram: Swapping timer on True T49F freezer, from Grasslin DTSX-IMTM to a Supco S timer, I need - Answered by a verified HVAC Technician We use cookies to give you the best possible experience on our website. Assortment of true t 49f wiring diagram. A wiring diagram is a simplified conventional pictorial depiction of an electric circuit.
True T-49 Pdf User Manuals. View online or download True T-49 Installation Manual. Wiring schematic for true t-49f Wires all burned need wiring diagram - True 49 cu. ft. / 1388 liter question. True T 49f Wiring Diagram Gallery. Assortment of true t 49f wiring diagram. A wiring diagram is a simplified conventional pictorial depiction of an electric circuit. It shows the elements of the circuit as streamlined shapes, and also the power and also signal links between the tools. A wiring diagram normally offers information concerning the relative… A collection of True's service documentation in one place. If you are unable to locate specific ... T-SERIES®(Refrigerators/Freezers Swing and Slide Door).
T-49F wiring schematic. Does anyone know where to find a wiring schematic for a True T-49F? 4 comments. share. save. hide. report. 100% Upvoted. ... Found it without the wiring diagram. 1. Share. Report Save. View Entire Discussion (4 Comments) More posts from the refrigeration community. 58. True Freezer T 49f Wiring Diagram. Assortment of true freezer t 49f wiring diagram. A wiring diagram is a simplified traditional photographic representation of an electric circuit. It reveals the components of the circuit as streamlined forms, and the power as well as signal links between the tools. A wiring diagram normally provides info regarding the… 14 Jul 2021 — TRUE MANUFACTURING CO., INC. T-49-HC ... T-Series Refrigerator ... The cabinet's wiring diagram is in the exterior servicing.22 pages Variety of true freezer t 49f wiring diagram. A wiring diagram is a streamlined standard pictorial depiction of an electric circuit. It shows the components of the circuit as streamlined shapes, and the power as well as signal connections in between the gadgets.
True freezer t 49f wiring diagram. A wiring diagram is a simplified conventional pictorial depiction of an electric circuit. It shows the components of the circuit as streamlined shapes and the power as well as signal connections in between the gadgets. A wiring diagram is a simplified traditional photographic representation of an electric circuit.
READ Water Well Pump Wiring Diagram Download. DOWNLOAD. Wiring Diagram Sheets Detail: Name: true t 49f wiring diagram – Contemporary Nissan Almera Wiring Diagram Elaboration Wiring. File Type: JPG. Source: littleforestgirl.net. Size: 414.12 KB. Dimension: 1536 x 1136. DOWNLOAD.
True Refrigeration T49 Troubleshooting Partsfps Restaurant Equipment Parts Food Service Parts Partsfps
True T49f Wiring Diagram Diagram Base Website Wiring Diagram Get Ge Load Center Wiring Diagram Sample
0 Response to "40 true t 49f wiring diagram"
Post a Comment