Iklan 300x250

37 john deere 46" mower deck parts diagram

Home · John Deere Products · John Deere Lawn and Garden Tractor Parts · Model 265 · Click here for model 46 mower deck parts for 265 ...

John Deere Parts Lookup -John Deere-46-IN MID-MOUNT ROTARY MOWER (210, 212, 214 & 216 TRACTORS) -PC1938.

Predator2 Mower Blade for 46-inch John Deere Deck - B1PD5023. (4) $17.66. Usually available. Add to Cart. Quick View. Sunbelt XHT Mower Blade for 46-inch John Deere Deck - B1JD5000. (0) $12.89.

John deere 46

John deere 46" mower deck parts diagram

Search part numbers and John Deere parts diagrams to identify exactly what you need to keep your equipment running smoothly. Search Parts Catalog. View ...

Copyright 2000 - 2021 AHW LLC. All Rights Reserved. All other trademarks and brands are the property of their respective owners. John Deere Trademark used with ...

John Deere 42" D100, D105, D110, D120, D125, D130 Deck Parts Diagram. Easy to use Parts Schematic for 42" D100 Series Lawn Tractors

John deere 46" mower deck parts diagram.

Home · John Deere Products · John Deere Lawn and Garden Tractor Parts · Model 317 · Click here for model 46 mower deck parts for 317 ...

John Deere Parts Diagrams, John Deere STX38, STX46 (BLACK MOWER DECK) LAWN TRACTORS. ELECTRICAL. ENGINE AM123086, AM123705, AM121420. FUEL AND AIR. MOWER DECK AND LIFT LINKAGE. POWER TRAIN. POWER TRAIN AM126660, AM125083, AM125242. STEERING AND BRAKES. WHEELS, FRAME, SHEET METAL AND OPERATOR'S STATION.

John Deere repair parts and parts diagrams for John Deere JS46 (7800792) - John Deere 22" Walk-Behind Mower (2011)

John Deere AG, Lawn & Garden and CWP Equipment Parts Search. John Deere parts lookup tool and diagram is an incredible online source. It is a complete catalog that shows you detailed parts diagrams of every part of your machine. This online parts catalog is robust and easy to use. Searching for your John Deere parts online has never been easier.

CALL US AT (855) 669-7278. John Deere STX46 Lawn Tractor Parts 46 Mower Deck (Black Deck) Quick Reference Guide. Click the part number below to view and order John Deere STX46 Lawn Tractor Parts 46 Mower Deck (Black Deck), or search illustrated diagrams to determine the part you need.

John Deere Parts Diagrams, John Deere 116 LAWN TRACTOR (GEAR) (46" MOWER DECK) -PC1871. John Deere-Parts-Diagrams-John Deere-116-LAWN-TRACTOR-.

John Deere LT Riding Mower Parts including mower blades, deck belt, oil and air filter along with Parts Look-up Diagrams/Schematics. Click the part number below to view and order John Deere LT Lawn Tractor Parts 46 Mower Deck, or search illustrated diagrams to determine the part you. Order residential parts online such as belts, blades, and ...

Model 46 Mower Deck - 46-inch Deck Parts - For tractor models 316 Onan, 318, 322, ... John Deere 2-piece 6-inch Gauge Wheel Kit - AM32639-KIT Quick View.

John Deere Parts Diagrams, John Deere D110 100 Series Tractor Material Collection System -PC10442. Air Cleaner: Fuel & Air. Alternator: Electrical. Attachment,Height Gauge: Mower Deck & Lift Linkage. Attachment,Hopper / Chute,42 inch: Material Collection System. Attachment,Mower Deck,42 inch: Mower Deck & Lift Linkage.

John Deere repair parts and parts diagrams for John Deere JS46 (7800576) - John Deere 22" Walk-Behind Mower (2010)

Copyright 2000 - 2021 AHW LLC. All Rights Reserved. All other trademarks and brands are the property of their respective owners. John Deere Trademark used with ...

John Deere Parts Diagrams, John Deere 260, & 265 Lawn ...

John deere parts diagrams, john deere 260, & 265 lawn ...

Details about John Deere 318 332 330 314 316 Garden Tractor 46 Mid Mower  Parts Catalog Manual

Details about john deere 318 332 330 314 316 garden tractor 46 mid mower parts catalog manual

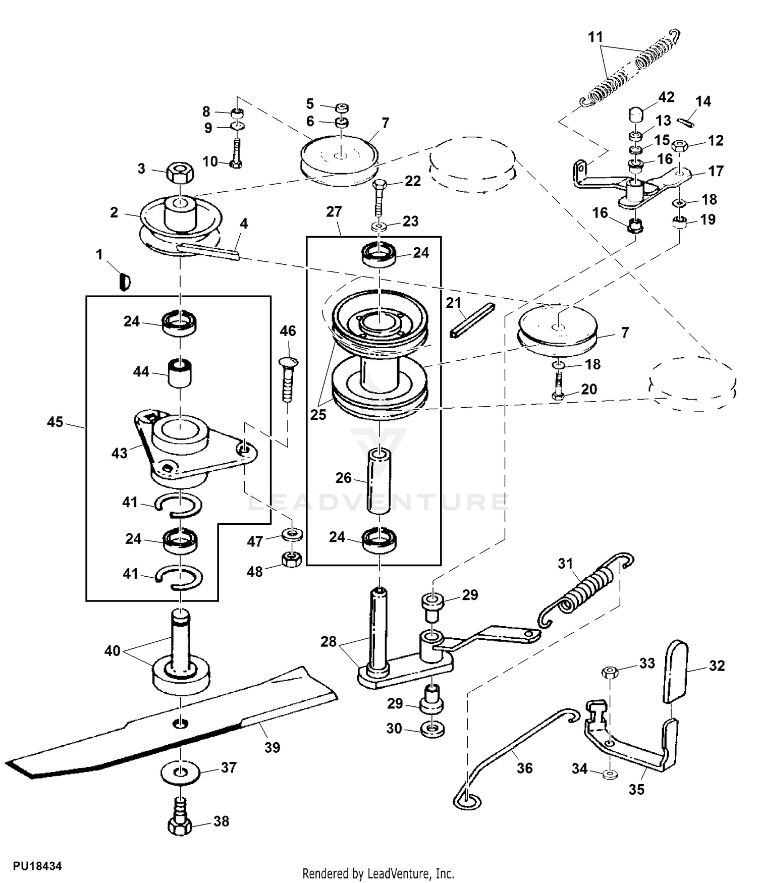
John Deere Mower Deck and Lift Linkage Mower Deck Lift Straps ...

John deere mower deck and lift linkage mower deck lift straps ...

Simplicity 1691847 - 46

Simplicity 1691847 - 46" mower deck parts diagram for mower ...

John Deere L120 Lawn Tractor (With 48-IN Mower Deck) 46-IN ...

John deere l120 lawn tractor (with 48-in mower deck) 46-in ...

John Deere 46

John deere 46", 48", 50", & 54" decks | small engine ...

suneducationgroup.com 2 Am121342 Spindle Assembly for John ...

Suneducationgroup.com 2 am121342 spindle assembly for john ...

214 John Deere 46 in Mower deck | My Tractor Forum

214 john deere 46 in mower deck | my tractor forum

John Deere LT166 Lawn Tractor (With 46-IN Mower Deck) -PC2608 ...

John deere lt166 lawn tractor (with 46-in mower deck) -pc2608 ...

John Deere LT166 Lawn Tractor (With 46-IN Mower Deck) -PC2608 ...

John deere lt166 lawn tractor (with 46-in mower deck) -pc2608 ...

John Deere 116 LAWN TRACTOR (GEAR) (46

John deere 116 lawn tractor (gear) (46" mower deck) -pc1871 ...

John Deere LA130 Tractor (With 48-IN Mower Deck) 46-IN Snow ...

John deere la130 tractor (with 48-in mower deck) 46-in snow ...

John Deere L120 Lawn Tractor (With 48-IN Mower Deck) 46-IN ...

John deere l120 lawn tractor (with 48-in mower deck) 46-in ...

MTD 46

Mtd 46" to 54" deck parts (3 blades) | lawnmower pros

JOHN DEERE 46 MOWER DECK 318 322 332 330 316 140 300 312 314 ...

John deere 46 mower deck 318 322 332 330 316 140 300 312 314 ...

MTD 13BT696H190 LT-185 (1999) Parts Diagram for 46-Inch Deck ...

Mtd 13bt696h190 lt-185 (1999) parts diagram for 46-inch deck ...

Belt diagram for 46

Belt diagram for 46" deck - fixya

8TEN Deck Belt for John Deere Scotts Sabre 46 inch S2046 S2546 2046HV  GX10176

8ten deck belt for john deere scotts sabre 46 inch s2046 s2546 2046hv gx10176

John Deere LA115 Tractor 46-IN Snow Blade -PC9741 Mower Drive ...

John deere la115 tractor 46-in snow blade -pc9741 mower drive ...

Need HELP with 265 and 46 inch mower deck! | My Tractor Forum

Need help with 265 and 46 inch mower deck! | my tractor forum

John Deere 46-IN MID-MOUNT ROTARY MOWER (210, 212, 214 & 216 ...

John deere 46-in mid-mount rotary mower (210, 212, 214 & 216 ...

John Deere 42 Inch Replacement Mower Deck Housing AUC16767

John deere 42 inch replacement mower deck housing auc16767

scotts 1642h deck belt diagram,idardarjisamaj.com

Scotts 1642h deck belt diagram,idardarjisamaj.com

Deck Kit Bearings Blades Belt Fits John Deere 46

Deck kit bearings blades belt fits john deere 46" 48" mower - 140, 300, 314, 316, 317, 318

JOHN DEERE 50” Mower Deck 316 318 322 332 330 Garden Tractor ...

John deere 50” mower deck 316 318 322 332 330 garden tractor ...

216 46

216 46" deck belt routing | my tractor forum

John Deere Z535M and Z540M 62

John deere z535m and z540m 62" mower deck parts

John Deere 445 Parts Diagram - Wiring Site Resource

John deere 445 parts diagram - wiring site resource

John Deere LT166 Lawn Tractor (With 46-IN Mower Deck) -PC2608 ...

John deere lt166 lawn tractor (with 46-in mower deck) -pc2608 ...

John Deere 60 Inch Mower Deck Belt Diagram - Wiring Site Resource

John deere 60 inch mower deck belt diagram - wiring site resource

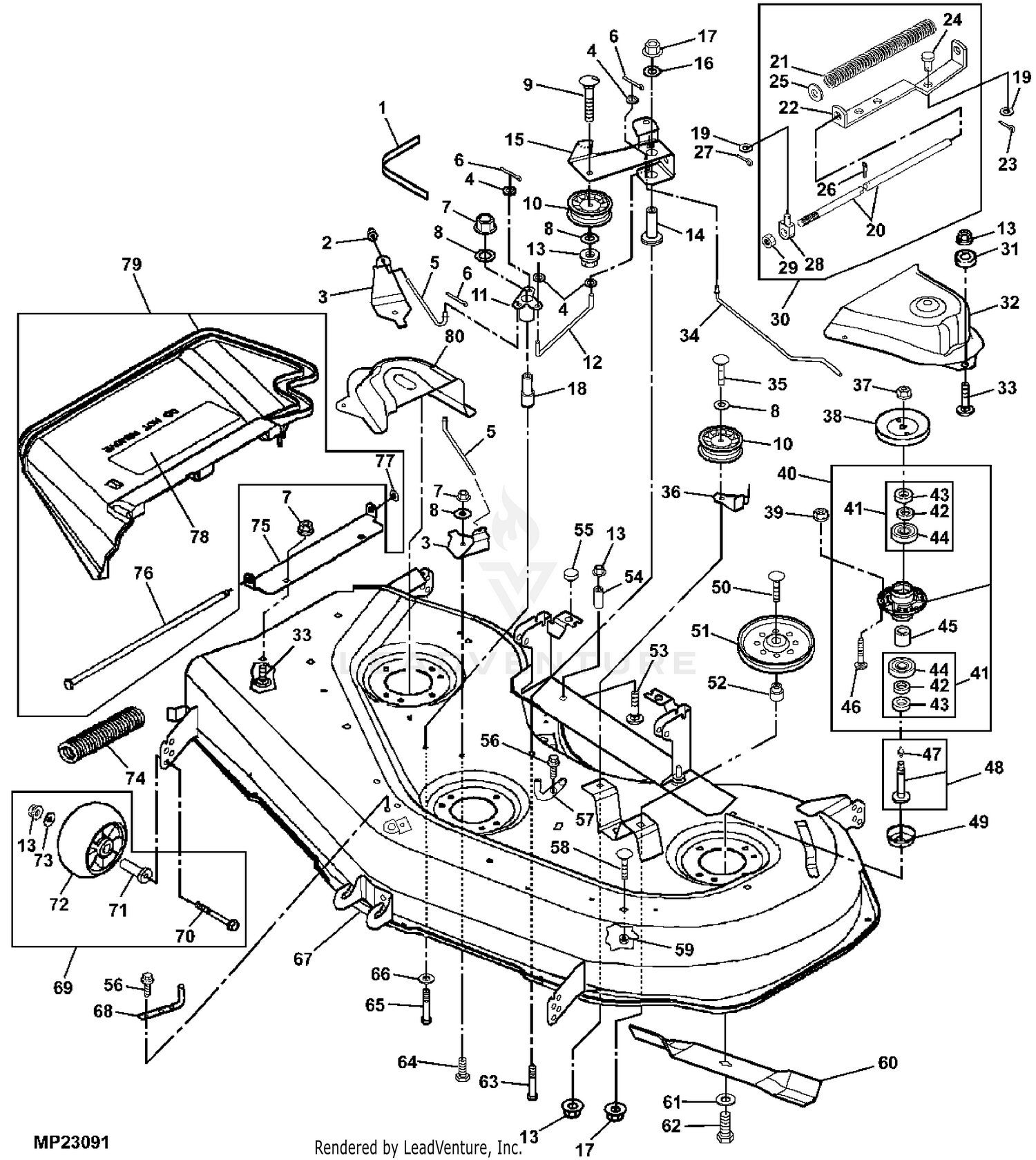
John Deere Mower Deck and Lift Linkage Mower Deck Sheaves (46 ...

John deere mower deck and lift linkage mower deck sheaves (46 ...

Repairing a John Deere 180 Mower Deck - YouTube

Repairing a john deere 180 mower deck - youtube

46 Inch Deck Belt - 116H | My Tractor Forum

46 inch deck belt - 116h | my tractor forum

John Deere L120 Lawn Tractor (With 48-IN Mower Deck) 46-IN ...

John deere l120 lawn tractor (with 48-in mower deck) 46-in ...

46 Inch Deck Belt - 116H | My Tractor Forum

46 inch deck belt - 116h | my tractor forum

X380 Owner Information | Parts & Service | John Deere US

X380 owner information | parts & service | john deere us

0 Response to "37 john deere 46" mower deck parts diagram"

Post a Comment

Iklan Atas Artikel

Iklan Tengah Artikel 1

Iklan Tengah Artikel 2

Iklan Bawah Artikel