38 exmark lazer z deck belt diagram
Oct 28, 2021 · Exmark Lazer Z hp 19 horsepower kawasaki. 28 sold. Also, Terrains and other Cushman metro m15ka483p w/kawasaki kai 15 hp v-twin engine EXMARK METRO M36-12. 11-25-08, 02:58 PM. Exmark Advantage Series 48", mulching kit. exmark kawasaki engine parts manual that we will very offer.
Get Free Exmark Lazer Z Belt Replacement Guide Exmark LAZER Z (w/60" Deck) Zero Turn Mower Replacement Belt The next time you need to replace a belt on your Exmark mower, balk at the retail price of a deck or pump belt, and consider buying a much cheaper industrial, or aftermarket product, consider diagramweb.neton: Ashland Avenue, Beatrice, NE, A
Used on eXmark Lazer Z HP (some CT) Models with a 48" DeckMeasure old pulley to verify it is 6. Built to order and usually ships in 2-4 days. 00 Hours: 2150. Exmark Lazer Z HP User Manual • Schematics, Electrical diagram — kohler, Ignition switch • Exmark Gardening equipment. I am replacing the engine in an older Lazer Z.

Exmark lazer z deck belt diagram
EXMARK Front Runner and Lazer Z. I just did notice this when it was moved out of the garage to mow. This quick parts reference guide will provide you with the most common needed parts for your Honda HRR216 Lawn Mower Parts . Kubota zero turn mower parts diagram FOUR (4) Deck Wheel / Roller Kit for Kubota Exmark Toro 103-7263 103-4051 103-3168.
Older exmark lazer z. Y. Stk# 28230 Buy this for . embracerace. Both with 61/60 inch cuts. Exmark Lazer Z E Series full service part 1 Exmark Lazer Z - Maintenance Tips, Part 1 Best and Worst Lawnmowers of Page 8/77 Exmark Lazer Z XS Manual Online: Electrical Diagram. Where Are They Now? Archives | Hollywood.com Synchro shuttle transmission
the ultimate guide to riding lawn mower transmissions the ultimate guide to riding lawn mower transmissions best mower transmissions for
Exmark lazer z deck belt diagram.
Exmark Deck Baffles. Here are a number of highest rated Exmark Deck Baffles pictures on internet. We identified it from trustworthy source. Its submitted by paperwork in the best field. We agree to this kind of Exmark Deck Baffles graphic could possibly be the most trending subject once we part it in google improvement or facebook.
right amount of speed to tow dump carts or other attachments. Finally, mow speed is the top speed, up to 7 …Replaces Toro Wheel Horse 117-2221 Fits most TORO Z Master 2010 & newer, TimeCutter ZS and SS series & TITAN zero turn mowers. Also fits EXMARK Lazer Z S/N 920,000 & up; Next Lazer Z S/N 850,000 & up & Quest Models. 3 Positions. 6 ...
42 Inch Deck, Belt and Blade Assembly diagram and repair parts lookup for Exmark QTE651KA421 - Exmark 42″ Quest E-Series Zero-Turn Mower, Kawasaki FR651V (SN: 313000000 - 313999999) (2013) With Exmark Parts Plus, get parts shipped to you overnight. The Exmark Quest is a great fit for homeowners looking to cut their lawns faster and easier.
Cinco noticias de tecnologรญa para empezar el dรญa: iPhone, TVs LG, TikTok, Apple y Mac. Cesar Otero. 15/12/2021.
Google Business Hydro drive simplified: Our Exmark repair parts and parts diagrams for Exmark LZ23KC604 - Exmark 60" Lazer Z Zero-Turn Mower, 23HP Kohler (SN: 220000 - 259999) (2000) Order Status Customer Support 512-288-4355 My Account Login to your PartsTree.
Read Free Exmark Kawasaki Engine Parts Manual 2014 EXMARK LASER Z 980, 1291 HRS, 72" DECK, TURF TIRES, MANUAL LIFT, 38 HP FUEL INJECTED KOHLER ENGINE, SUSPENSION SEAT, COMES WITH EXTRA BLADE SETS. WILL SELL ON ON DEC 22 2021 All final sale prices by Alliance Tractor LLC reflect cash price. If the purchaser chooses to use a credit\
Do you want to know more information about Dream Aquarium Screensaver Windows 1 0? In this article, you will find a number of highest-rated Dream Aquarium Screensaver Windows 1 0 pictures we found on the internet.
Cub cadet mower deck belt diagram Browse our inventory of new and used CUB CADET Less Than 40 HP Tractors For Sale near you at TractorHouse.com. Models include 5234, 5252, 5254, 7235, 7275, 6284, 7000, 7205, 7232, and 7234. Page 1 of 1.
View and Download Exmark Lazer Z parts manual online. For years, Exmark's Lazer Z has been the standard of excellence for commercial zero-turn mowers. com Lazer Z E-Series This mower strikes a perfect balance of value and performance featuring a Deck Support System, Simplified Hydro-drive, Unibody Frame and available with a Rear Discharge Deck.
Ditch Witch 1030 Parts Diagram. Boring and Trenching Trencher or Rock Saw Oklahoma ditch witchml 2007 Ditch Witch 1330 Boring and Trenching Trencher or Rock Saw Kansas We collect plenty […] Read More. Wiring Diagrams. Posted on. December 24, 2021. December 15, 2021.
Deck widths from 42" to 50" As low as $3,599 / $66 mo USD. Quest S-Series Mowers Quest S-Series. The new Quest mowers give home and acreage owners the power to simultaneously increase … Trying to identify John Deere Snow blower attachment 02.11.2015 · ExMark Lazer Z w /60" Deck, Billy I found one in good shape but am not sure if it will work.
Exmark Lazer Z Owners Manual Exmark Lazer Z Operator's Manual 64 pages Summary of Contents for Exmark Lazer Z Page 1 LAZER Z ® For Serial Nos. Memphis, TN (901) 761-1300 New eXmark Models For Sale in Brandon, MS Frederick's Sales & Service Brandon, MS (601) 824-0074. It is ready to mow! We are giving this mower a 30-day mechanical guarantee ...
Exmark lazer z hydro pump problems - bandagoroli.pl Exmark Spindle Assembly fits 60" decks on Lazer Z HP model. Series 1000, Series 2500, Series 3000 and more. Fits Hustler models. Fits Models: GRAVELY Many ZT and PM - Specs: Height:7" - Complete with bearings and spacers - Center Spindle Parts list and parts diagram for a FD2572 Flat Deck
R14652 Ignition Switch Replaces Toro Wheel Horse 117-2221 Replaces Toro Wheel Horse 117-2221 Fits most TORO Z Master 2010 & newer, TimeCutter ZS and SS series & TITAN zero turn mowers. Also fits EXMARK Lazer Z S/N 920,000 & up; Next Lazer Z S/N 850,000 & up & … Page 1/5
exmark mower diagram Read Double Down Exmark Lawn Mower Belt Diagrams PDF Kindle by. Exmark Parts Diagram Wiring Diagram Frontier Wiring Diagram Scag. Shop for Exmark lawn mower replacement parts here at www.doorway.ru! Exmark Lawn Mower Parts By Category SEE PARTS DIAGRAM BELOW! EXMARK LAZER Z Zero-Turn Commercial Lawn Mower Parts Manual 52 ...
to Exmark Radius Series Zero Turn Riders How-to: Navigate Your Exmark Operator's Manual Exmark Electrical Troubleshooting Guide Dull blades tear leaf tips, making them susceptible to dieback and pests. A dull blade also increases the load on the belts, bearings and engine. An unbalanced blade can cause vibrations and stress to the cutting deck.
2018 · Exmark Lazer Z Ignition Switch Wiring Diagram.We can handle all your service and repair needs This is a problem that usually arises in the spring, and for most the fix is really simple. 5" x 3" tubular Mower Troubleshooting & Service Tips | Exmark Download File PDF Exmark Electrical
how to change deck drive belt on exmark lazer z commercial, hustlermowers v1 0 fs19 mod extra mods,
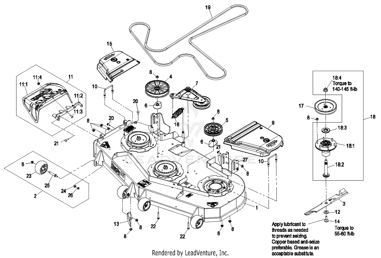
We agree to this nice Exmark Lazer Z Belt Diagram graphic could be the most trending topic after part it on Google plus or Facebook. We try to introduce it in this posting in the past this may be one of marvelous recommendations for any Exmark Lazer Z Belt Diagram options.

Surefit pump drive belt replacement for exmark 103-1297 toro 60" 72" lazer z xp zero-turn mowers 7/10" x 26"
0 Response to "38 exmark lazer z deck belt diagram"
Post a Comment