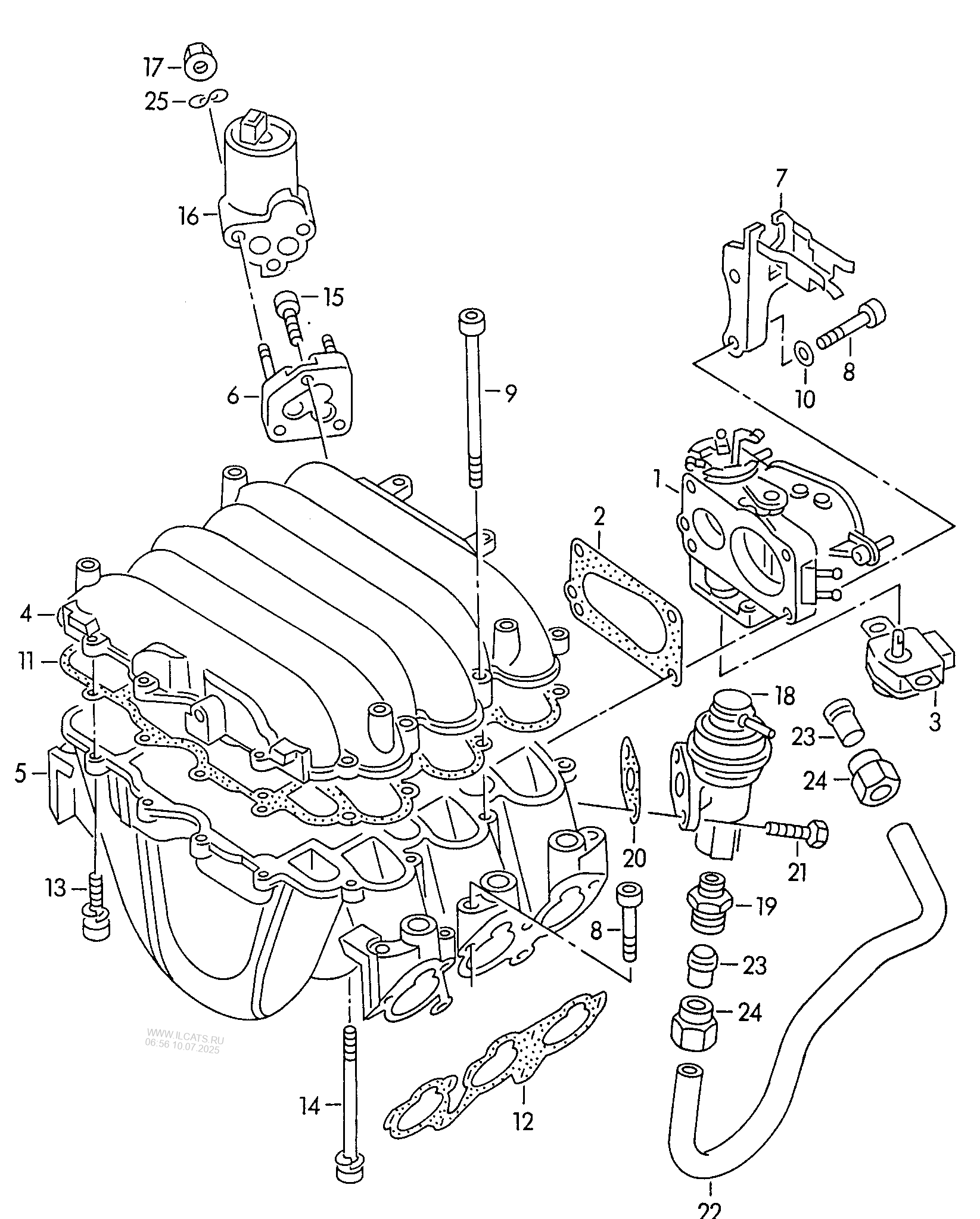
39 5.7 hemi intake manifold diagram
All in all I spent roughly $600 in parts and 17 hours of my own time in labor, but it was all very worth it. If you have an 04 or 05 Durango with the 5.7L HEMI I would strongly encourage you to replace both the windshield cowl and the Intake manifold before you brick the engine. View attachment 28927. Engine with the old manifold out of the way.
5.7 to 6.1 intake manifold swap info. Jump to Latest Follow 1 - 5 of 5 Posts. Wrex · Registered. Joined Mar 4, 2010 · 406 Posts . Discussion Starter · #1 · Jun 9, 2011 (Edited) I was wondering if anyone knew the torque specs for each aspect of the process to successfully change out the 5.7 intake manifold to the 6.1. ...
This is how the 5.7L Gen III HEMI was born in 2003. Although the chamber had small "squish shelves" on both sides, the heads did have HEMI-shaped chambers that enabled them to incorporate big valves and generous ports that actually outflowed the Chevy LS1 heads by 24% at 0.500" lift, so the new motor delivered 345 hp and 375 lbs. of torque.

5.7 hemi intake manifold diagram
5.7 Hemi If replacing the stock manifold with shorty headers is a legitimate solution, can someone tell me if this will require alterations to the exhaust system? It looks like (If i can figure out how to get the dipstick tube off) i could do this myself as long as there isn't anything else that would have to be done.
Why is it so hard to find the torque sequence for the 5.7 L Hemi. I found torque sequence for the 5.2/5.9 but they had twelve intake bolts holding down the manifold. My intake manifold only appears to have ten bolts holding it down. I know you work yourself from the inside out moving back...
Have a 2009 dodge ram 1500 5.7 hemi and was wondering if the intake on a 2009 dodge ram 2500 5.7 hemi would fit on the 1500 as long as u change the fuel injectors and short runner valve and throttle b … read more
5.7 hemi intake manifold diagram.
2009 Dodge Ram 1500. 4 diagrams found for the vehicle you selected. Select your vehicle options to narrow down results. 1. 3.7L Gas; Engine Intake Manifold 3.7L [EKG] 2. 4.7L Gas; Engine Intake Manifold 4.7L [EVE] 3. 5.7L HEMI Gas; Engine Intake Manifold 5.7L [EZD]
Here's a bit more to throw in from an Arrington/Shop Hemi page about it: "Adding a Mopar 6.1L intake manifold to your 5.7L HEMI engine will increase its horsepower and torque. This kit includes everything needed to upgrade a 2009 and up 5.7L motor- including Intake Manifold, Fuel Rails, Injectors, Map Sensor, Gaskets, Throttle Body, Throttle ...
In this video I explain the parts required and the cost to install a 392 / 6.4 intake manifold on a 5.7 Hemi.Here is the parts list with links to eBay for pu...
08 HO Daytona #1254 (Traded off 11/04/12) Inertia cam 112LSA/214/222, port matched 5.7 Inertia performance heads , 6.1 timing chain tensioner w/ Crower timing set /advanced 2*, 6.1 intake manifold and injectors, Magnaflo 6.1 high flow cats/mids and catback exhaust, FTI 3200 stall 'verter, SLP underdrive pulley, Innovate LC-1, Johan toon, 180* t-stat, BT t-stat housing, Silver box shift kit, BT ...
5.7 hemi cammed with eagle intake manifold; If this is your first visit, be sure to check out the FAQ by clicking the link above. You may have to register before you can post: click the register link above to proceed. To start viewing messages, select the forum that you want to visit from the selection below. ...
EMS Kit, Programmable, with Control Unit and Harness, for use with 392/6.1L/5.7L Hemi with Carbureted Intake and 2006 and newer Coils. Contains P5153607AB and P5153608. 2497.00. P5153916. EMS Kit, Programmable, with Control Unit and Harness, for use with 5.7L Hemi with Carbureted Intake and 2003-05 Coils.
Upgrade your intake manifold and cold air intake for 5.7L HEMI powered RAM to a 6.4L HEMI intake! Get the best possible air flow to your naturally aspirated 5.7L HEMI powered RAM with this upgrade kit offered by MMX.
The torque specification is a 2-step process; tighten the vertical lower intake manifold bolts (the four middle ones) to 7 Nm (62 lb in). Tighten the diagonal lower intake manifold bolts (two on each end) to 7 Nm (62 lb in). Tighten the vertical lower intake manifold bolts (the four middle ones) to 13 Nm (115 lb in). Tighten the diagonal lower intake manifold bolts (two on each end) to 25 Nm ...
The important task of sealing the intake manifold is handled in style with ARP's special fasteners designed for 5.7L and 6.1L Hemi engines with aluminum intake manifolds. Choose between polished stainless steel or black oxide finished 8740 chrome moly with 12-point or hex heads. 144-2003 - Black Oxide Hex intake manifold bolts
The 2005 5.7 intake from RockAuto was correct. No issues so far, and considering the large amount of water I poured out of the old intake I would consider this a mandatory item for anyone with a 2004 Hemi in order to prevent a blown engine caused by hydrolock.
The Hemi Ram 1500's 5.7-liter V8 engine cranks out 395 horsepower and 410 pound-feet of torque. However, a 10% increase in these numbers is nothing to sneer at. With the extra power (421 hp) and greater torque (441 lb-ft), this equipment delivers more immediate acceleration that many Ram 1500 drivers desire.
Bruce 1998 Dakota - - 5.7 Hemi - RCC#115 - 6.1 Cam, pushrods & springs, DS Predator 91 tune, LX intake manifold, aluminum fuel rails, 2006+ coils & valve covers, SST dual exhaust, Magnaflow muffler & Pypes tips, 545RFE w/ Sonnax line pressure booster, Lokar floor shifter, 9.25 diff w/ Powertrax Lock-rite locker, Dynamic Grounding system,Viper electric fan, custom aluminum fan shroud & CAI ...
Joined Aug 7, 2019 Posts 2,172 Reaction score 2,814 Location Northwest Ram Year 2015 Engine Hemi 5.7
392 Intake Manifold for 5.7L Hemi swap! All the parts are listed below Along with the pricing in the video link. The 392 intake with help the 5.7L gain much ...
Intake Manifold, Victor II EFI, Black, Hemi Gen III, Chrysler, 5.7, 6.1, 6.4, Each. Part Number: EDL-7179
Charger Performance Mods - Engine - 5.7L HEMI. 392 6.4l intake manifold swap on a 5.7. Tags 6.4l intake manifold swap 5.7. Jump to Latest Follow ... Can anybody provide links to pics/diagrams or point me in the direction of a more solid guide on wiring these things together? Overall it doesn't seem that difficult, I have just never used either ...
5.7 PARTS MANUAL TL57V-0500 17506 Marine Power Industrial Park Ponchatoula, LA 70454 Parts Direct Line: (504) 386-3571 or (877) 388-9555 ... - THROTTLE BODY DIAGRAM, INTAKE MANIFOLDS - FUEL LINES - GASKETS - BRACKETS - HARNESSES - FUEL PUMPS - SENSORS, SENDERS, ECM MODULES
5.7 HEMI Bolt Torque Specs. After a 32-year absence, Chrysler made the HEMI engine available again during the 2003 production year. The engine , however, was reduced from the 7.0-liter monster of the 1960s and early-1970s to 5.7 liters. The engine was originally used only in Dodge's pickup truck line, but it was quickly adapted for use in a ...
Manifolds - Intake & Exhaust fit your. 2004 Dodge Ram 1500. 5 diagrams found for the vehicle you selected. Select your vehicle options to narrow down results. 1. Engine 3.7L Six Cylinder Manifolds 3.7L [EKG] 2. Engine 4.7L Eight Cylinder Manifolds, Intake and Exhaust 4.7L [EV0] 3.
Hemi Aftermarket Intake Manifold by Holley. The Holley Sniper Intake Manifold fits 5.7L Hemi, 6.1L SRT8 and 6.4L 392 Chrysler, Dodge & Jeep. Available in Street or Race Series, and Black or Silver Finish.
6.4L HEMI Intake Manifold for 5.7L RAM Upgrade Kit Wiring Harness by MMX. Extend your "active runner" actuator wiring harness to connect to the new location on the 6.4L intake manifold with this product. View Details. $75.00.
5.7 Chrysler Hemi V8 Parts. Introduced in 2003, Chrysler's "modern Hemi" successfully replaced the 5.9 Magnum and 8.0L V-10 with various improvements such as a coil-on-plug ignition system, variable valve timing (VVT), and multi-displacement system (MDS), resulting in greater horsepower, torque rating, and improved fuel efficiency.
Upper Intake Manifold Stud First Pass 5 N•m 44 lb in Final Pass 10 N•m 89 lb in ... Firing Order 1-8-4-3-6-5-7-2 Spark Plug Gap 1.52 mm 0.060 in 42 kPa at 6.0 psig at 1,000 engine rpm 1,000 engine rpm Oil Pressure (Minimum) at Normal Operating Temperature 125 kPa at 18.0 psig at ...
0 Response to "39 5.7 hemi intake manifold diagram"
Post a Comment