Iklan 300x250

41 john deere lx255 parts diagram

Diagram group LX255 Lawn Tractor John Deere : 20 ENGINE CCE. 30 FUEL AND AIR CCE. 40 ELECTRICAL CCE. 50 POWER TRAIN CCE. 60 STEERING AND BRAKES CCE. 80 WHEELS, FRAME AND OPERATOR'S STATION CCE. 90 LABELS CCE.

Find parts for your john deere flywheel,ignition coil & stator: electrical with our free parts lookup tool! Search easy-to-use diagrams and enjoy same-day shipping. Buy Genuine OEM John Deere parts for your John Deere LX Lawn With 42 -IN "M" Mower Deck -PC HEADLIGHT WIRING HARNESS: ELECTRICAL.

Original Factory John Deere LX255, LX266, LX277, LX277AWS, LX279, LX288 Lawn Tractors Manual is a Complete Informational Book. It will come up with the whole thing you want to do the job. Save money and time via way of means of DO-IT-YOURSELF!

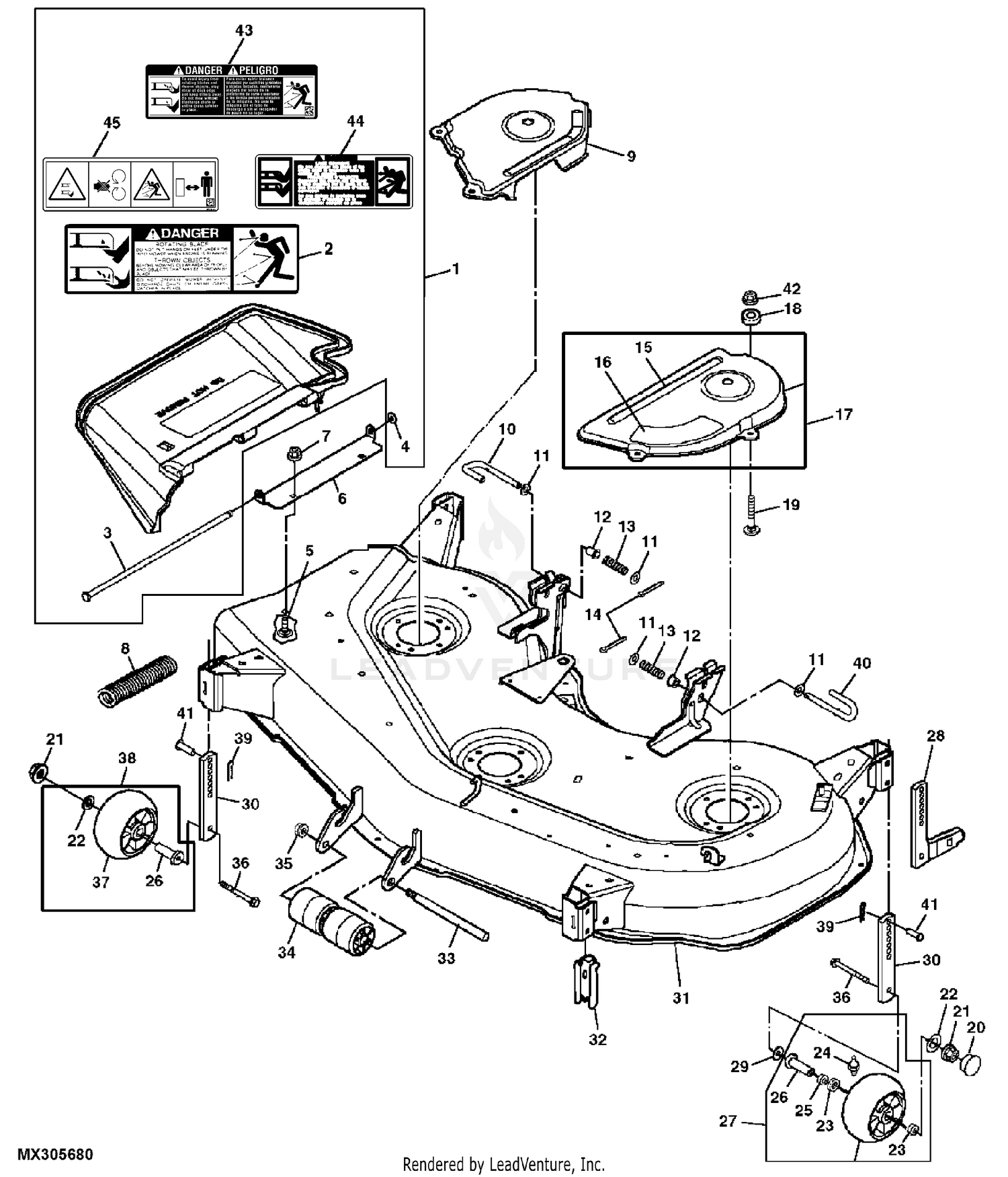
John deere lx255 parts diagram

John deere lx255 parts diagram

John Deere Equipment Attachments. John Deere Lawn Tractor Attachments. Model LX255.

John Deere LX255 tractor overview. References: Lawn and Garden Product Information Handbook published in 2000, by John Deere

John Deere Parts Diagrams, John Deere LX255 Lawn Tractor With 42-IN "C" Mower Deck -PC2717. AIR FILTER ENGINE MARKED CV15S-41571: FUEL & AIR. AIR FILTER ENGINE MARKED CV460S-26511: FUEL & AIR.

John deere lx255 parts diagram.

John Deere Parts Lookup -LX255 Lawn Tractor With 42-IN "C" Mower Deck -PC2717. 855-669-7278.

The John Deere GX255 was produced from 2004 to 2005. It came equipped with a hydrostatic drive transmission, 48" or 54" Mower Deck and 20hp Kawasaki Engine. Regular Maintenance should be performed on the GX255 every 50 hours and should include Spark Plug, Air Filter, Oil Filter with 1.8qts oil and sharpen or replace mower blades.

John Deere Accessories and Other Parts; John Deere Attachments; John Deere Lawn and Garden Tractor Parts; John Deere Lawn Tractor Parts; John Deere Zero Turn Mower Parts; ... Click here for 42C Mower Deck Parts for LX255. Products [32] Sort by: Quick View. John Deere Belt Tightener Spring - M47400 ...

John Deere LX255, LX266, LX277, LX277AWS, LX279, LX288 Lawn Tractors Technical Manual (TM1754) John Deere GT225, GT235, GT235E, GT245 Garden Tractors Technical Manual (TM1756) John Deere 2500, 2500A, 2500E Professional Greens Mower Technical Manual (TM1757) John Deere ProGator 2020, 2030 Utility Vehicle Technical Manual (TM1759)

(New Part) LX255 GT225 Fuel Pump for Compatible with John Deere L110 LT133 LT155 Lawn Mower Tractor fits Kohler: 12 393 03, 12 559 01, 12 559 01-S, 12 559 02-S 3.8 out of 5 stars 6 $16.01 $ 16 . 01

Find parts for your john deere flywheel,ignition coil & stator: electrical with our free parts lookup tool! Search easy-to-use diagrams and enjoy same-day shipping. lx mower wiring diagram safety switch locations - John Deere Garden question.May 22, · We work on John Deere mowers for time to time but we are not a John Deere dealer.

John Deere Model LX255 Lawn Tractor Parts - The 13-digit product identification number (serial number) (A) is located on the right-hand side frame, ju

John Deere LX255 Parts. The John Deere LX255 was produced from 1999 to 2001. It came equipped with a hydrostatic drive transmission, 42" or 48" Mower Deck and 15hp Kawasaki Engine. Regular Maintenance should be performed on the LX255 every 50 hours and should include Spark Plug, Air Filter, Oil Filter with 2qts oil and sharpen or replace mower ...

Service Schedule Parts for a John Deere LX255 Lawn Tractor & Parts List. While your John Deere machine is certainly built with quality parts, they have a limited life. Good news is you can easily service your machine yourself using a John Deere maintenance kit or service kits or by getting the specific John Deere part needed to keep your John Deere mower or tractor running for a long time.

JOHN DEERE WORLDWIDE COMMERCIAL & CONSUMER EQUIPMENT DIVISION 1754 January 2003 Lawn Tractors LX255, LX266, LX277, LX277AWS, LX279 and LX288 TECHNICAL MANUAL North American Version Litho in U.S.A. www.servicemanualall.com Buy, Download, Print... www.servicemanualall.com

John Deere Front Blowout Baffle Kit. (4) $49.21. Add To Cart. Quick View.

20 ENGINE LX255 - TRACTOR, LAWN AND GARDEN EPC John Deere online advisor sale parts diagram catalog LX255 - TRACTOR, LAWN AND GARDEN 20 ENGINE EPC John Deere :: AVS.Parts My Account

John Deere Parts Diagrams, John Deere LX255 Lawn Tractor With 42 ...

John deere parts diagrams, john deere lx255 lawn tractor with 42 ...

This John Deere LX255 Lawn and Garden Tractor service manual is the same service manual used by professional John Deere technicians. All pages are printable, so run off what you need & take it with you into the garage or workshop. Save money $$ by doing your own repairs! LX255, LX277, LX277AWS, LX279, and LX288 Lawn Tractors PIN (010101 ...

JOHN DEERE 42C

John deere 42c" mower deck lx225 lx255 lx277 lx279 lx289 lx280 ...

A Complete Listing Of All John Deere Lawn Tractor Parts Is Available Using Illustrated Diagrams. This quick parts reference guide will provide you with the most common John Deere LX255 Lawn Tractor Parts 44 Mower Deck. These John Deere Lawn Tractor Parts may include: Tune Up Kit, Spark Plug, Mower Blades, Traction Drive Belt, Transmission Belt ...

John Deere LX255 LX266 LX277 LX277AWS LX279 LX288 Repair Manual ...

John deere lx255 lx266 lx277 lx277aws lx279 lx288 repair manual ...

John Deere LX255 Lawn Tractor Parts 44 Piranha Mower Deck, or search illustrated diagrams to determine the part you need. John Deere Lx255 Lawn Tractor has high quality Kohler CV15S-41571 gasoline 1-cylinder air-cooled 426 cc engine, which provide 15 horsepower (11.2 kW) at rated rpm 3600.

John Deere Parts Lookup -LX255 Lawn Tractor With 42-IN

John deere parts lookup -lx255 lawn tractor with 42-in "c" mower ...

John Deere AG, Lawn & Garden and CWP Equipment Parts Search. John Deere parts lookup tool and diagram is an incredible online source. It is a complete catalog that shows you detailed parts diagrams of every part of your machine. This online parts catalog is robust and easy to use. Searching for your John Deere parts online has never been easier.

John Deere LX255, LX266, LX277, LX277AWS, LX279, LX288 Service Manual TM1754

John deere lx255, lx266, lx277, lx277aws, lx279, lx288 service manual tm1754

John Deere PARTS LOOKUP. LX255-LAWN-TRACTOR Parts Diagram. LX255 Lawn Tractor With 42-IN "C" Mower Deck -PC2717 1999 Model M0L255B010101-020000 LX255 Lawn Tractor With 42-IN "C" Mower Deck -PC2717 2000 Model M0L255B020001-040000 LX255 Lawn Tractor With 42-IN "C" Mower Deck -PC2717 2001 Model M0L255B040001-060000 ;

John Deere LX255 Lawn Tractor Maintenance Guide & Parts List

John deere lx255 lawn tractor maintenance guide & parts list

John Deere 42 Inch Mower Deck Parts Diagram. 42" mower deck john deere parts direct quick model guide for john deere 100 lawn tractor with 42″ mower deck parts you can search using john deere illustrated diagrams to view an 42 inch mower deck parts for l110 parts for john deere 42 inch mower deck parts for l110 john deere 42 inch mower deck maintenance kit years 2002 thru 2005 gy 11 $72 00 ...

JOHN DEERE LX255 LX266 LX277 LX277AWS LX279 LX288 LAWN GARDEN ...

John deere lx255 lx266 lx277 lx277aws lx279 lx288 lawn garden ...

Feb 17, · John Deere Lx Wiring Diagram (+83 Wiring Diagrams) Identical model motors vary, so each needs to be calibrated by banging against some edge think of the banging noise when an inkjet printer is turned on. John Deere LX Parts. The John Deere LX was produced from to It came equipped with a hydrostatic drive transmission, 42" or 48 ...

AM133802 - TIE ROD ASSEMBLY fits John Deere | AFTERMARKET.SUPPLY

Am133802 - tie rod assembly fits john deere | aftermarket.supply

lx255 wiring diagram\schematic. Jump to Latest Follow ... A forum community dedicated to John Deere tractor owners and enthusiasts. Come join the discussion about towing, PTO's, reviews, attachments, modifications, troubleshooting, maintenance, and more! Full Forum Listing.

John Deere LX255 Lawn Tractor With 42-IN

John deere lx255 lawn tractor with 42-in "c" mower deck -pc2717 ...

JOHN DEERE LX LAWN GARDEN TRACTOR Service Repair Manual. 1. Manual Description This technical manual is written for an . Shut off power to service, lubricate or remove mower blades, augers or PTO shafts.Lx Wiring Diagram (+91 Wiring Diagrams) Note that U4, a 10 MHz MEMS oscillator, is also very close to the microcontroller's clock input pin.

Steering Upgrade Kit John Deere LX255 LX266 LX277 LX279 LX288 | eBay

Steering upgrade kit john deere lx255 lx266 lx277 lx279 lx288 | ebay

is the OEM John Deere LX Series Lawn Tractor SERVICE Technical MANUAL THIS MANUAL COVERS THE FOLLOWING MODELS: LX255 LX266 LX277 LX277AWS LX279 LX288 This invaluable technical manual includes all needed instructions to maintain and service your equipment using detailed diagrams and manufacturers specifications.

John Deere LX255 LX266 LX277 LX277AWS LX279 LX288 Lawn Tractor TM1754  Technical Manual PDF

John deere lx255 lx266 lx277 lx277aws lx279 lx288 lawn tractor tm1754 technical manual pdf

Some of the parts available for your John Deere LX255 include Electrical & Gauges, Hay Tool, Lawn and Garden and Specialty Belts, Seats | Cab Interiors, Sunbelt - Belts, Sunbelt - Blades, Sunbelt - Equipment. Choose your Sub-Category or use the "Search products within this category" search bar just above Electrical & Gauges Hay Tool

How to Change the Traction Belt on a John Deere LT155 : 8 Steps ...

How to change the traction belt on a john deere lt155 : 8 steps ...

XHT 2 REPL HD Blades Compatible with John Deere M139976-LX255 LX266 LX277  LX279 42

Xht 2 repl hd blades compatible with john deere m139976-lx255 lx266 lx277 lx279 42"

John Deere LX255, LX266, LX277, LX277AWS, LX279, LX288 Lawn ...

John deere lx255, lx266, lx277, lx277aws, lx279, lx288 lawn ...

John Deere Bagger Chute Kit - BG20766

John deere bagger chute kit - bg20766

John Deere decks by crigby

John deere decks by crigby

John Deere Lx277 Deck Belt | Shop www.hotelesdealicante.org

John deere lx277 deck belt | shop www.hotelesdealicante.org

John Deere Mower Repair & Service Manual – Choose Your Mower ...

John deere mower repair & service manual – choose your mower ...

I have a JD LX255. I Just replaced the clutch and mower drive belt ...

I have a jd lx255. i just replaced the clutch and mower drive belt ...

JOHN DEERE LX255 42

John deere lx255 42" mower deck 42c convertible - $250.00 | picclick

LX255

Lx255 "jerking" when moving fwd or rev. | my tractor forum

JD LX255 LX266 LX277 LX277AWS LX279 LX278 Technical Manual Lawn ...

Jd lx255 lx266 lx277 lx277aws lx279 lx278 technical manual lawn ...

John Deere Lx255 Parts, Price, Review, Manual & Problems ...

John deere lx255 parts, price, review, manual & problems ...

John Deere LX255 Lawn Tractor Without Mower Deck -PC2717 1999 ...

John deere lx255 lawn tractor without mower deck -pc2717 1999 ...

John Deere LX255 Lawn Tractor With 42-IN

John deere lx255 lawn tractor with 42-in "c" mower deck -pc2717 ...

John Deere LX255 Riding Mower Blade, Mulching (W/ 38

John deere lx255 riding mower blade, mulching (w/ 38" deck)

John Deere LX255, LX266, LX277, LX277AWS, LX279, LX288 Service ...

John deere lx255, lx266, lx277, lx277aws, lx279, lx288 service ...

42C Deck Repair Options | Green Tractor Talk

42c deck repair options | green tractor talk

John Deere LX255 LX266 LX277 LX277AWS LX279 LX288 Lawn Tractor TM1754  Technical Manual PDF

John deere lx255 lx266 lx277 lx277aws lx279 lx288 lawn tractor tm1754 technical manual pdf

John Deere LX255 Lawn Tractor With 42-IN

John deere lx255 lawn tractor with 42-in "c" mower deck -pc2717 ...

John Deere Convertible Mower (48-Inch) (LX255,LX266,LX277,LX277 W ...

John deere convertible mower (48-inch) (lx255,lx266,lx277,lx277 w ...

John Deere Replacement Mower Decks

John deere replacement mower decks

Installation, Repair and Replacement of John Deere LX266 Hydro ...

Installation, repair and replacement of john deere lx266 hydro ...

SOLVED: Need to remove rear fender on john deere lx255 - Fixya

Solved: need to remove rear fender on john deere lx255 - fixya

John Deere LX255, LX266, LX277, LX277AWS,LX279,LX288 Tech Service ...

John deere lx255, lx266, lx277, lx277aws,lx279,lx288 tech service ...

John deere 42c deck belt routing

John deere 42c deck belt routing

AM132529 - Hood fits John Deere | AFTERMARKET.SUPPLY

Am132529 - hood fits john deere | aftermarket.supply

John Deere LX255 LX266 LX277 LX277AWS LX279 LX288 Repair Manual ...

John deere lx255 lx266 lx277 lx277aws lx279 lx288 repair manual ...

John Deere Lawn Mower Parts / Accessories

John deere lawn mower parts / accessories

Installation, Repair and Replacement of John Deere LX266 Hydro ...

Installation, repair and replacement of john deere lx266 hydro ...

0 Response to "41 john deere lx255 parts diagram"

Post a Comment

Iklan Atas Artikel

Iklan Tengah Artikel 1

Iklan Tengah Artikel 2

Iklan Bawah Artikel