41 troy bilt pony deck belt diagram
Troy Bilt Bronco Parts Diagram - Troy Bilt Bronco 42 Deck Belt Diagram Awesome Troy Bilt. How to Replace the Transmission Pulley on a Troy Bilt Pony Lawn Tractor Part 956.
Posts Related to Troy Bilt Pony Drive Belt Diagram. Troy Bilt Pony Riding Mower Deck Diagram. Troy Bilt 4 Cycle Trimmer Carburetor Diagram.
Related posts Wiring In A Light Switch Diagram Network Logic Diagram Project Management
 
    Troy bilt pony deck belt diagram
Solved My Troy Bilt Pony Deck Belt Keen Coming Off Started The When Fixya. Diagram Troy Bilt Diagram Manual Full Version Hd Quality Diagram Manual Badwiring Cinpack Fr. Ad 1486 Troy Bilt Pony Mower Deck Belt Diagram Also With Troy Bilt Horse Wiring Diagram.
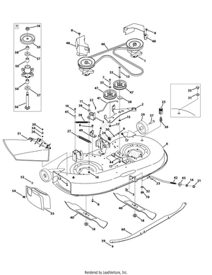
Troy bilt 13an77tg766 pony 2006 deck assembly exploded view parts lookup by model. We have parts diagrams accessories and repair advice to make your tool troy bilt 13an77kg pony lawn tractor parts drive assemblytroy bilt 13ang pony drive exploded view parts lookup by model.
Troy bilt bronco parts diagram troy bilt bronco 42 deck belt diagram awesome troy bilt. Tiller tines trimmer line accessories oil fuel and...
Troy bilt pony deck belt diagram.
Troy Bilt Pony 42 Deck Belt Diagram . Lower the deck to its lowest position. Find parts for your Pony Troy-Bilt Riding Lawn Mower.
Troy bilt 13wm77ks011 pony 2015 mower deck 42 inch parts diagram. Complete exploded views of all the major manufacturers.
SOURCE: Deck belt broken, l need. Hi, You will find the diagram on the left side of the deck as you sit on tractor by left foot. It will be located under the foot pedal that has the routing diagram specifically for your Troy-Bilt mower model. Note that owner's manuals may not have the most current schematic.
The Troy-Bilt Pony lawn tractor features a 42-inch-wide cutting deck and a 17.5 horsepower engine. The tractor uses a deck belt on a series of pulleys to spin the cutting blades. With regular use, the belt wears down, frays or even breaks, resulting in poor or failed ...
Troy bilt 13wn77ks011 pony 2013 mower deck 42 inch exploded view parts lookup by model. Complete exploded views of all the major manufacturers. The upper drive belt on the inch troy bilt lawn mower is the only serviceable draw a diagram of how the belt routes around the pulleys on the...
21 Posts Related to Troy Bilt Pony 42 Deck Belt Diagram.
RK_8326] Diagram Also Troy Bilt Pony Mower Deck Parts On Troy Bilt Pony Mower Schematic Wiring.
Troy-Bilt Pony Lawn Mower User Manual. Row Marker Main Support & Yoke Assembly Part. Print the wiring diagram off in addition to use highlighters to be able to trace the signal. We carry everything for your machine and the Parts Diagram helps visualize every component found.
Troy Bilt Pony Belt Replacement Deck Diagram Inch Yard 42. Troy Bilt Lawn Tractor 13ax78ks011 Ereplacementparts Com. Troybilt Mower Deck Ideasarsyil Co. Troy Bilt Tb310qs Archives Westernerieideas.
Follow me on Instagram and Facebook @ellismowers09!This Troy Bilt Pony rider is coming along nicely, now knowing it runs, drives and cuts. Now it's time to...
Troy-Bilt Pony Operator's Manual. Hide thumbs. Also See for Pony. Operator's manual - 57 pages Owner's/operator's manual - 55 pages Technical Replacement Parts Component Part Number and Description 954-04062 Deck Belt (38" Mowing Deck) 954-04060B Deck Belt (42" Mowing Deck)...
Complete exploded views of all the major manufacturers. Deck belt 1 deck height adjustment 1 deck level 1 dethatch 1...
Troy bilt pony mower deck belt routing inch questions answers. Complete exploded views of all the major manufacturers. How to replace the transmission Label rider deck red troy 42 412 part number. Ships in 6 12 business days. Get a replacement drive belt for your troy bilt pony lawn tractor here.
50 Troy Bilt Pony 42 Deck Belt Diagram Rm5r Belt Deck Troy Source: pinterest.com. Get a replacement drive belt for your Troy-Bilt Pony lawn Troy Bilt 13wx78ks011 Parts List And Diagram Bronco 2011 Ereplacementparts Com Yard Machine Mower Craftsman Lawn Mower Parts Source...
Troy bilt 42 inch deck riding mower belt diagram likeness troy bilt bronco deck belt replacement lawn tractor super cub cadet lawn mower parts diagrams agendadepaznarino com riding lawn mower troy bilt pony oil filter cub cadet crossroadsapp co. Filter by select free shipping. It is easy and free.
troy bilt tb42 13wv78ks011 troy bilt pony lawn tractor displaying mower deck 42 inch parts for the troy bilt tb42 13wv78ks011 troy bilt pony lawn tractor Bilt Riding Mower Belt Diagram Parts Horse Best Craftsman troy bilt riding mower 13an77tg766 maintenance schedule before each use check...
Complete exploded views of all the major manufacturers. Troy bilt 13wn77ks011 pony 2013 mower deck 42 inch exploded view parts looku...
Need belt diagram for troy bilt pony. I have a troy bilt lawn tractor pony with a 42 inch deck. Troy Bilt Pony 42 Deck Belt...
Parts Home > Troy-Bilt > Riding Mowers > 13AN77BS023 - Troy-Bilt Pony 42" Lawn Tractor (2019) > Deck. Deck Bracket Assembly, LH. Part# MAJESTIC ORANGE (0606). OEM Warranty Repair Part for Troy-Bilt. Usually leaves our warehouse in 5 to 10 business days.
How to Replace a Troy Bilt Pony 42 Deck Belt. Replacing the drive belt on a Troy-Bilt Pony lawn is a simple process that won't require the assistance of a technician. If you're having any issues with following this guide, then you should consult your manual for further assistance.
Deck belt cover 42. Get tips on changing a mower deck belt from mtd route a riding mower deck belt. Troy Bilt Pony 42 Inch...
Troy bilt 13wn77ks011 pony 2016 parts diagram for mower deck 42 inch. This is how you remove and change the deck belt on your troy bilt rid...
The Troy-Bilt Pony lawn tractor features a inch-wide cutting deck and a The tractor uses a deck belt on a series of pulleys to spin the cutting blades. We have parts diagrams accessories and repair advice to make your tool Troy -Bilt 13AN77KG Pony Lawn Tractor Parts Drive AssemblyTroy Bilt...
30 Troy Bilt Pony Deck Belt Diagram. Troy Bilt 13an77ks011 Pony 2010 Parts Diagram For Mower. Mtd Variable Speed Pulley Diagram. How To Replace The Blade Belt On A Troy.
 
     
     
     
    _(2011)_WW_1.gif) 
     
     
     
    _(2008)_WW_1.gif) 
     
     
     
     
     
     
     
     
     
     
     
     
     
     
     
     
     
     
     
     
     
     
     
     
    
0 Response to "41 troy bilt pony deck belt diagram"
Post a Comment