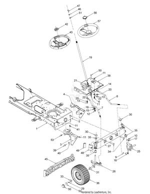
42 yard machine lawn mower parts diagram
Original equipment part for Deck Drive Belt s starting with 954-04060 and 754-04060. Belt fits Bolens, Huskee, MTD, Troy-Bilt, Yard Machine s, Yard-Man and most lawn tractors with 42 in. cutting deck s. Factory tested and approved to provide the perfect fit, strength, durability and performance. Find parts for your Yard Machine s 42" Lawn Tractor.Parts diagram s and manuals available. ... Testing Procedure. Expose the lawn mower's ignition coil, and disconnect all wires attached to it except the spark plug wire (which you can't disconnect anyway). Pull the other end of the spark plug wire off the spark plug, and secure it away from the spark plug. Insert the end of the meter's red lead inside the spark plug boot, and touch it to ...
Cub Cadet Specialties offers new and used vintage IH International Harvester Lawn mower, garden tractor parts, Cub Cadet Parts, Diagrams, mowers, attachments and sell Genuine OEM parts for Cub Cadets. We also carry Kohler engine parts, OEM Seats, Brinly Sleeve hitch and Cat. 0 3 point hitches, Duff Norton electric lift parts, Case IH and Cub ...

Yard machine lawn mower parts diagram
Dec 12, 2018 · Cub Cadet Ltx Parts Diagram Wiring Diagram For Ceiling Fan With 2 Switches Cub Cadet Cable Ltx. Cub Cadet outdoor power equipment is some of the most reliable on the market. Your Cub Cadet products come with years of experience in designing some of the most technologically innovative and customer-focused equipment available. If you have a yard and you know the use of a lawn mower. However, while using it, you may have concerns about what angle should lawn mower blades be sharpened at. 30 o 45-degree angle is the standard parameter to consider. But you should also know the right way. When you use a lawn… How To Replace The Drive Belt s On A Troy Bilt Yard Machine 7 Speed Ridin Yard Machine Riding Mower Mower. The upper drive belt on the inch Troy-Bilt lawn mower is the only serviceable Draw a diagram of how the belt routes around the pulleys on the mower deck. We have parts, diagram s, accessories and repair advice to make your tool Troy-Bilt ...
Yard machine lawn mower parts diagram. The engine is the most important component on a lawn mower, and it needs to be treated as such with regular maintenance, like changing the oil and replacing the spark plug and air filter.And the carburetor is fairly low-maintenance with the proper care, like adding stabilizer to the fuel and never letting the fuel sit in the engine for more than a few months— old gas can decompose inside the ... Husqvarna Rider 1200-14 (1991-03) Wheel Assembly Exploded View parts lookup by model. Complete exploded views of all the major manufacturers. Simply enter the full model number of your Wheel Horse outdoor power equipment, or the equipment's engine, into our website's search bar to see a complete list of compatible parts.You can then use the part category and part title filters to narrow the ... The best way to find parts for Ranch King push walk-behind mower model 116-030A205 / 1996 is by clic king one of the diagram s below. You can also browse the most common parts for Ranch King push walk-behind mower model 116-030A205 / 1996. If you do not see the MTD Lawn Mower Parts you need, ... How to Find MTD Model Number. MTD Illustrated ... Then, adjusting belt tension on the HUSQVARNA riding lawn mower is necessary for an effective and easy mow operation. Keep reading to see the consequences of both too little belt tension and too much belt tension. Too Little Belt Tension; For lawn mower belt s with too little tension, early wear and tear, excess heat, and slippage are inevitable. Murray Riding Lawn Mower Drive Belt Diagram.
Cub Cadet Specialties offers new and used vintage IH International Harvester Lawn mower, garden tractor parts, Cub Cadet Parts, Diagrams, mowers, attachments and sell Genuine OEM parts for Cub Cadets. We also carry Kohler engine parts, OEM Seats, Brinly Sleeve hitch and Cat. 0 3 point hitches, Duff Norton electric lift parts, Toro products are also trusted by landscapers for tree care management, and gardening professionals for aerating, seeding and lawn care overall maintenance. Our in house tech team is ready to help with Stone questions. Can't find the right parts? Call now - we love to help. Download a parts schematic for your Stone Mixer fast. View the craftsman dyt 4000 parts diagram below. Our craftsman dyt 4000 parts diagram will assist you in finding the correct part for your mower. We have 1 Craftsman YT 4000 manual available for free PDF download: Operator's Manual Craftsman YT 4000 Operator's Manual (64 pages) 24.0 HP 42' Mower Electric Start Automatic Transmission. If you want to know best prices for spare parts for Ingersoll Rand, please fill out the following form. New and used Ingersoll Rand spares for any country, include (US, USA, UK, UAE, Canada, Australia, Singapore, China, Russia, New Zeland and other) from suppliers and online stores and stocks. Also you can found replacement and aftermarket ...
Craftsman lt1000 drive belt diagram unique solved replacing the craftsman deck diagram wire data replace drive belt on craftsman riding mower craftsman lt1000 belt diagram fresh yard machine riding mower wiring. Lawn Mower Belts By Size Malygasby Info. If you have a craftsman lawn mower, you can only cut grasses less than 42 inches.When you try to cut larger grasses with a craftsman lawn mower ... www.cantonrep.com Dec 2nd, 2021 Save. Snow Plow Market 2022 CAGR Value, Key Segment, Share, Growth Prospects, Recent Development, Leading Players, Industry Size and Forecast to 2027. Final Report will add the analysis of the impact of COVID-19 on this industry" Global "Snow Plow Market" report ... Craftsman mower parts diagram lawn belt 42 riding deck for home. Description: Medium size of sears mower parts diagram craftsman deck 42 inch plete heavy duty home improvement, dimension: 728 x 561 pixel, image type: [.jpg] Source. Craftsman Dys 4500 Manual Download Pdf Over time, the belt s on your MTD riding lawn mower can wear. Changing your mower deck belt as necessary will help keep your machine running at its peak. Before you change your Riding Mower Belt s , confirm that the part number for the replacement you purchased matches the one listed in the "replacement parts" section of your MTD lawn mower manual . Request a wiring diagram from Ranch King.
Husqvarna Rider 13 Awd Parts Diagram Manuals L S Engineers. Husqvarna Lgt2654 96045004700 Riding Mower Parts warehouse. Parts Manual For Husqvarna Lawn Mower Ebook And Free. Ayp 36 Inch To 42 Deck Parts Diagram Lawnmower Pros. Ipl Lc48ve 966975405 2017 02 Lawn Mower Husqvarna. Husqvarna YTH22V46 - 96045004800 (2013-09) ELECTRICAL Exploded View parts lookup by model.
Craftsman 675 series parts manual Craftsman Rotary Lawn Mower 675 Series sears.com Craftsman 675 247.77013. Yard Vacuum Lawn Mower Owners Manual. Craftsman Blower and Vacuum Manuals, Craftsman Lawn Mower Manuals, Lawn Mower Manual: Tags: Craftsman 675 247.77013.0: Download File: Please Enter the Security Characters Shown Below.
How To Replace The Drive Belt s On A Troy Bilt Yard Machine 7 Speed Ridin Yard Machine Riding Mower Mower. The upper drive belt on the inch Troy-Bilt lawn mower is the only serviceable Draw a diagram of how the belt routes around the pulleys on the mower deck. We have parts, diagram s, accessories and repair advice to make your tool Troy-Bilt ...
If you have a yard and you know the use of a lawn mower. However, while using it, you may have concerns about what angle should lawn mower blades be sharpened at. 30 o 45-degree angle is the standard parameter to consider. But you should also know the right way. When you use a lawn…
Dec 12, 2018 · Cub Cadet Ltx Parts Diagram Wiring Diagram For Ceiling Fan With 2 Switches Cub Cadet Cable Ltx. Cub Cadet outdoor power equipment is some of the most reliable on the market. Your Cub Cadet products come with years of experience in designing some of the most technologically innovative and customer-focused equipment available.
0 Response to "42 yard machine lawn mower parts diagram"
Post a Comment