Iklan 300x250

38 mtd tiller parts diagram

MTD Illustrated Parts Lists and Diagrams | Lawnmower Pros MTD Illustrated Parts Lists and Diagrams available online from an Authorized MTD Dealer. Free tech support. 365 day returns. Worldwide shipping. MTD Yard Machines Parts Lookup by Model MTD Yard Machines Exploded View parts lookup by model. Complete exploded views of all the major manufacturers. ... MTD Yard Machines Parts Diagrams 11-Push Walk-Behind Mowers. 12-Self-Propelled Walk-Behind Mowers. 13-Lawn Tractors. 14-Garden Tractors. 17-Z-Series. 18-Electric Mowers. 21-Tillers. 24-Blowers. 24-Chipper-Shredder & Vacs. 24-Log ...

MTD 95220 (219-406-062) - MTD Tiller (1989) (Lowes) Parts ... Parts diagram and repair parts lookup for MTD 95220 (219-406-062) - MTD Tiller (1989) (Lowes)

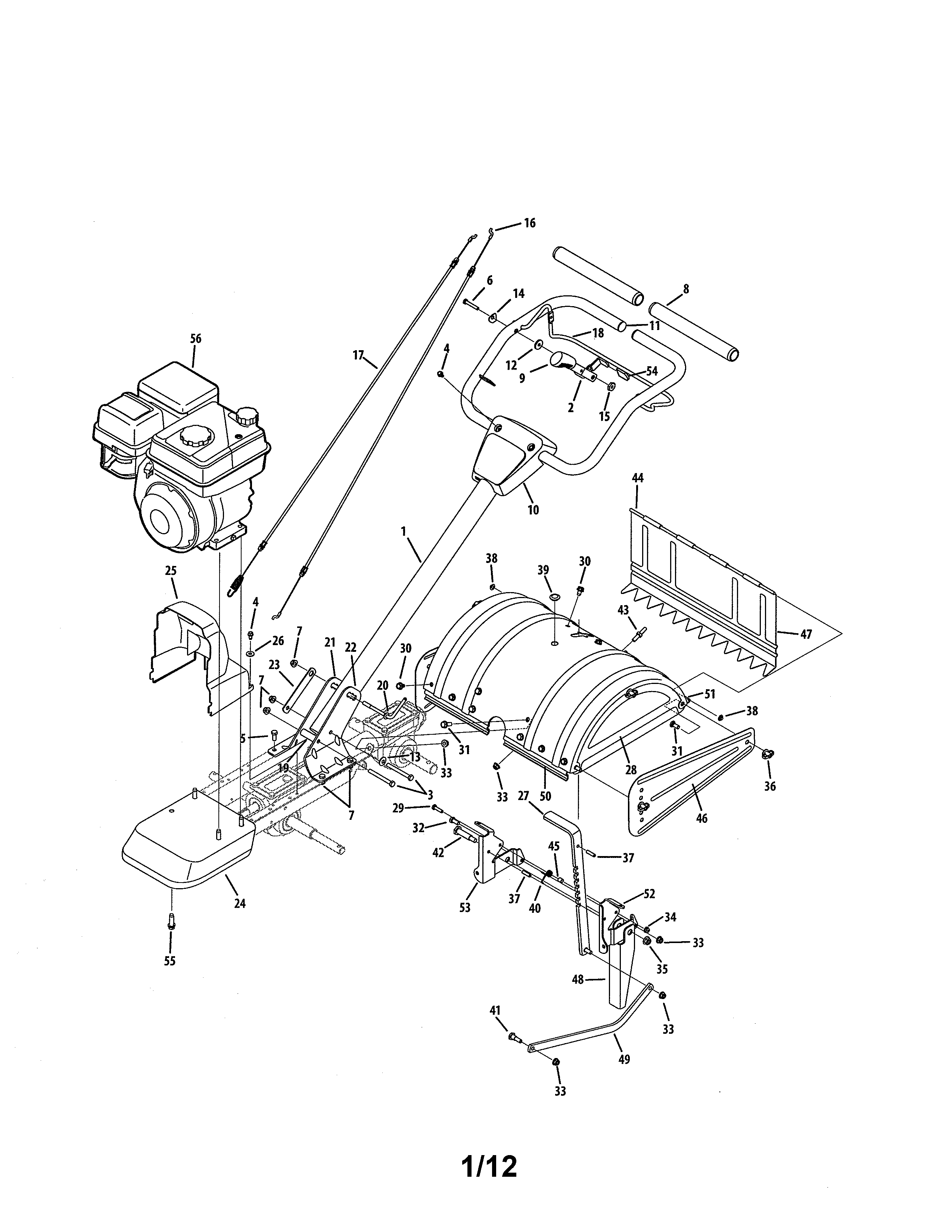
Mtd tiller parts diagram

Mtd tiller parts diagram

MTD Tiller Parts 1990 | Fast Shipping | eReplacementParts.com MTD Tiller 1990 parts that fit, straight from the manufacturer. Use our interactive diagrams, accessories, and expert repair help to fix your MTD Tiller 1990 . Please note shipping times may be longer than expected due to carrier delays. 877-346-4814. Departments ... 031-206 - MTD Tiller (1989) Parts Parts Diagram - PartsTree Parts diagram and repair parts lookup for MTD 031-206 - MTD Tiller (1989) Yard Machines Rear-Tine Tiller - 21AA40M7752 | MTD Parts MTD Products LLC P.O. Box 368022. Cleveland, OH 44136 Cleveland, OH 44136 If you experience any problems accessing this website, please call us at 1-800-269-6215 for assistance.

Mtd tiller parts diagram. Lookup Parts by Diagram - MTD Parts | The leader in ... Lookup Parts by Diagram Find the replacement parts you need to keep your lawn mower, snow blower and other outdoor power equipment performing strong and running like new. You can Browse our catalogs, or Search by Part Number or 11-digit factory Model Number to find your product's exploded Diagram Assemblies. Manuals & Diagrams - MTD Parts Engine Service & Support - Technical, Parts, Manuals and Warranty. 40436 Views • Sep 22, 2017 • FAQ. Yard Machines Front Tine Tiller - 21A-24MB752 | MTD Parts Find parts for your Yard Machines Front Tine Tiller. Parts diagrams and manuals available. Free shipping on parts orders over $45. ... Manual: MTD 159CC 196CC ENGINE MANUAL Form Number: 769-12463 View Options: PDF Manual: ... MTD Parts | The leader in outdoor power equipment parts ... MTD Products LLC P.O. Box 368022. Cleveland, OH 44136 Cleveland, OH 44136 If you experience any problems accessing this website, please call us at 1-800-269-6215 for assistance.

MTD Tiller Parts 1986 | Fast Shipping | eReplacementParts.com MTD Tiller 1986 parts that fit, straight from the manufacturer. Use our interactive diagrams, accessories, and expert repair help to fix your MTD Tiller 1986 . Please note shipping times may be longer than expected due to carrier delays. 877-346-4814. Departments ... 21406S - MTD Tiller (1985) Tiller Parts Diagram - PartsTree Tiller diagram and repair parts lookup for MTD 21406S - MTD Tiller (1985) The Right Parts, Shipped Fast! ... 21406S - MTD Tiller (1985) Tiller Parts Diagram. Tiller. Tiller Parts Diagram. Title; 1. MTD Part# 710-0299. Hex Bolt 1/4-28 x 1.0" Lg. Usually ships in 5 to 10 days ... Shop Troy-Bilt Parts | MTD Parts Find all the genuine replacement parts for Troy-Bilt on our Parts Diagram. We carry everything for your machine and the Parts Diagram helps visualize every component found in your equipment. Give it a try and if you can't find what you are looking for or need assistance installing the new part, call 1-800-269-6215 today. This is the most ... MTD 212-340-000 (1992) Parts Diagram for Tiller Assembly MTD 212-340-000 (1992) Tiller Assembly Exploded View parts lookup by model. Complete exploded views of all the major manufacturers. It is EASY and FREE

MTD 21AA413B729 (2004) Parts Diagram for Transmission Assembly MTD 21AA413B729 (2004) Transmission Assembly Exploded View parts lookup by model. Complete exploded views of all the major manufacturers. It is EASY and FREE MTD 215-410-131 (1995) Parts Diagram for Rear Tine Tiller ... MTD 215-410-131 (1995) Rear Tine Tiller - Lower Assembly Exploded View parts lookup by model. Complete exploded views of all the major manufacturers. It is EASY and FREE MasterCut by MTD Tillers Parts with Diagrams - PartsTree MasterCut by MTD Tillers Parts Lookup & Diagrams MasterCut by MTD Tillers ( 21 Models ) 21AB45M5059 - MasterCut by MTD Tiller (2012) 21AB45M8759 - MasterCut by MTD Tiller (2012) 28714 (213-406-118) - MasterCut by MTD Tiller (1993) (Sam's Club) MTD 5 HP Front Tine Tiller - e Replacement Parts Need to fix your 21a-333a129 (2002) 5 HP Front Tine Tiller? Use our part lists, interactive diagrams, accessories and expert repair advice to make your repairs easy. Please note shipping times may be longer than expected due to carrier delays. ... Repair Parts Home Lawn Equipment Parts MTD Parts MTD Tiller Parts MTD 21a-333a129 (2002) ...

Online lesen Bedienungsanleitung for Honda FG100 FZCV-6000001 ...

Online lesen Bedienungsanleitung for Honda FG100 FZCV-6000001 ...

MTD Parts diagrams and MTD Parts for repair of MTD Lawn ... MTD parts and MTD parts diagrams MTD and the MTD logo ® MTD Products Inc, Cleve., OH USA. MTD outdoor power equipment has earned a reputation of affordable quality. We carry the complete line of genuine MTD parts for all MTD machines including lawnmowers, snowblowers, trimmers, tractors and more.

MTD 215-410-131 (1995) Parts Diagram for Rear Tine Tiller ...

MTD 215-410-131 (1995) Parts Diagram for Rear Tine Tiller ...

MTD Tillers Parts with Diagrams - PartsTree MTD Tillers Parts Lookup & Diagrams MTD Tillers Parts Lookup & Diagrams MTD Tillers ( 775 Models ) 011593 (212-390-136) - MTD Tiller (1992) (Home Club) 031-206 - MTD Tiller (1989) 0434 (217-430-101) - MTD Tiller (1987) (J.C. Penney) 0434 (218-430-101) - MTD Tiller (1988) (J.C. Penney) ...

Abdeckungen Mähwerk N (41

Abdeckungen Mähwerk N (41"/105cm), 13AM718N683 (2011), B 155 ...

MTD 217-406-062 - MTD Tiller (1987) (Lowes) Parts Parts ... 217-406-062 - MTD Tiller (1987) (Lowes) Parts Parts Diagram. Tiller. Parts Parts Diagram. Title; 1. MTD Part# 710-0299. Hex Bolt 1/4-28 x 1.0" Lg.* Usually ships in 5 to 10 days ...

Yard Machines 21A-121R700 farming parts | Sears PartsDirect

Yard Machines 21A-121R700 farming parts | Sears PartsDirect

Garden Tiller and Cultivator Parts | MTD Parts Find the tiller parts, including blades, belts, tines, seals and replacement part kits, that fit your MTD outdoor power equipment. When you need garden tiller replacement parts, browse the wide selection from MTD. Our Part Finder makes it easy to find the parts you need. 372 Results.

Bauanleitung Assembling Manual

Bauanleitung Assembling Manual

MTD 21418S (1985) Parts Diagram for Tiller MTD 21418S (1985) Tiller Exploded View parts lookup by model. Complete exploded views of all the major manufacturers. It is EASY and FREE

Yard Machines Forward-Rotating Tiller - 21A-24MB700 | MTD Parts

Yard Machines Forward-Rotating Tiller - 21A-24MB700 | MTD Parts

MTD 21AA40M1052 rear-tine tiller parts | Sears PartsDirect MTD 21AA40M1052 rear-tine tiller parts - manufacturer-approved parts for a proper fit every time! We also have installation guides, diagrams and manuals to help you along the way!

MTD 215-447-401 (1995) Parts Diagram for Rear Tine Tiller ...

MTD 215-447-401 (1995) Parts Diagram for Rear Tine Tiller ...

MTD Tiller Parts 1995 | Fast Shipping | eReplacementParts.com MTD Tiller 1995 parts that fit, straight from the manufacturer. Use our interactive diagrams, accessories, and expert repair help to fix your MTD Tiller 1995 . Please note shipping times may be longer than expected due to carrier delays. 877-346-4814. Departments ...

MTD Tiller | 213-406-000 | eReplacementParts.com

MTD Tiller | 213-406-000 | eReplacementParts.com

MTD 21AA40M1029 rear-tine tiller parts | Sears PartsDirect MTD 21AA40M1029 rear-tine tiller parts - manufacturer-approved parts for a proper fit every time! We also have installation guides, diagrams and manuals to help you along the way!

MTD 340 THRU 390 OPERATOR'S MANUAL Pdf Download | ManualsLib

MTD 340 THRU 390 OPERATOR'S MANUAL Pdf Download | ManualsLib

Lookup Parts by Diagram - MTD Parts Canada Lookup Parts by Diagram. Find the replacement parts you need to keep your lawn mower, snow blower and other outdoor power equipment performing strong and running like new. You can Browse our catalogs, or Search by Part Number or 11-digit factory Model Number to find your product's exploded Diagram Assemblies.

TB146 EC 4-Cycle Garden Cultivator - 21AK146G766 | Troy-Bilt US

TB146 EC 4-Cycle Garden Cultivator - 21AK146G766 | Troy-Bilt US

Garden Tiller Parts | MTD Parts CA We have the OEM MTD Parts that you're looking for! Parts orders over $45 ship free! Orders placed before 5 pm ship the same day! ... Shop by Parts Diagram; Login; English (Canada) Français (Canada) ... Miscellaneous Tiller Parts QuickView Flat Washer 1.500x1.750x.030. 736-04307. $ 7.08 ...

MTD 219-381-000 Tiller User Manual | Manualzz

MTD 219-381-000 Tiller User Manual | Manualzz

MTD Tiller Parts | Fast Shipping | eReplacementParts.com MTD Tiller parts that fit, straight from the manufacturer. Use our interactive diagrams, accessories, and expert repair help to fix your MTD Tiller . Please note shipping times may be longer than expected due to carrier delays. 877-346-4814. Departments Accessories ...

MTD REAR TINE ROTO TILLER MODEL 211-430-000 OWNER WITH PARTS MANUAL | eBay

MTD REAR TINE ROTO TILLER MODEL 211-430-000 OWNER WITH PARTS MANUAL | eBay

Yard Machines Rear-Tine Tiller - 21AA40M7752 | MTD Parts MTD Products LLC P.O. Box 368022. Cleveland, OH 44136 Cleveland, OH 44136 If you experience any problems accessing this website, please call us at 1-800-269-6215 for assistance.

Verkleidungen, 13A226SD600 (2015), Minirider 76 RDE ...

Verkleidungen, 13A226SD600 (2015), Minirider 76 RDE ...

031-206 - MTD Tiller (1989) Parts Parts Diagram - PartsTree Parts diagram and repair parts lookup for MTD 031-206 - MTD Tiller (1989)

MTD Tiller 21A-448-401 User Guide | ManualsOnline.com

MTD Tiller 21A-448-401 User Guide | ManualsOnline.com

MTD Tiller Parts 1990 | Fast Shipping | eReplacementParts.com MTD Tiller 1990 parts that fit, straight from the manufacturer. Use our interactive diagrams, accessories, and expert repair help to fix your MTD Tiller 1990 . Please note shipping times may be longer than expected due to carrier delays. 877-346-4814. Departments ...

Download tiller images for free

Download tiller images for free

MTD 21AB455C730 User Manual REAR TINE TILLER Manuals And ...

MTD 21AB455C730 User Manual REAR TINE TILLER Manuals And ...

Craftsman 24729930 rear-tine tiller parts | Sears PartsDirect

Craftsman 24729930 rear-tine tiller parts | Sears PartsDirect

1998 ARIENS 901 ROCKET REAR TINE TILLER PARTS MANUAL P/N ...

1998 ARIENS 901 ROCKET REAR TINE TILLER PARTS MANUAL P/N ...

Poulan / Weed Eater PPRT5K - Poulan Pro Rear-Tine Tiller ...

Poulan / Weed Eater PPRT5K - Poulan Pro Rear-Tine Tiller ...

MTD Tiller | 216-410-134 | eReplacementParts.com

MTD Tiller | 216-410-134 | eReplacementParts.com

MTD 21A-410-022 Tiller User Manual | Manualzz

MTD 21A-410-022 Tiller User Manual | Manualzz

Yard Machines 25cc Cultivator - 21AK125G900 | MTD Parts

Yard Machines 25cc Cultivator - 21AK125G900 | MTD Parts

MTD Power 1750 Hydrostat, Keilriemen, Pedale 13HN715N683 (2018)

MTD Power 1750 Hydrostat, Keilriemen, Pedale 13HN715N683 (2018)

Ryobi 212A430-019 (821-064) (1992) Parts Diagrams

Ryobi 212A430-019 (821-064) (1992) Parts Diagrams

MTD Tiller | 214-390-000 | eReplacementParts.com

MTD Tiller | 214-390-000 | eReplacementParts.com

ETL SABO 47-A ECONOMY_SA1274

ETL SABO 47-A ECONOMY_SA1274

MTD Rear Tine Tiller | 21A-410-352 | eReplacementParts.com

MTD Rear Tine Tiller | 21A-410-352 | eReplacementParts.com

MTD 215-447-401 (1995) Parts Diagram for Rear Tine Tiller ...

MTD 215-447-401 (1995) Parts Diagram for Rear Tine Tiller ...

Kuhn fc 250 mower conditioner

Kuhn fc 250 mower conditioner

MTD 219-385-000 - MTD Tiller (1989) Drive & Tines Parts ...

MTD 219-385-000 - MTD Tiller (1989) Drive & Tines Parts ...

Buy Kobelco 11Y-27-30202 Reman Hydraulic Final Drive Motor ...

Buy Kobelco 11Y-27-30202 Reman Hydraulic Final Drive Motor ...

Tiller Assembly | messick's

Tiller Assembly | messick's

CONTROL, SWING - CONSTRUCTION JCB 8015 - MINI EXCAVATOR, 9802 ...

CONTROL, SWING - CONSTRUCTION JCB 8015 - MINI EXCAVATOR, 9802 ...

SOLVED: I need the service manual for the drive train of - Fixya

SOLVED: I need the service manual for the drive train of - Fixya

MTD 211-430-205 - MTD Tiller (1991) (Garden King) Parts Parts ...

MTD 211-430-205 - MTD Tiller (1991) (Garden King) Parts Parts ...

YARD MACHINES 21A-120R000 OPERATOR'S MANUAL Pdf Download ...

YARD MACHINES 21A-120R000 OPERATOR'S MANUAL Pdf Download ...

MTD 215-447-190 Roto Boss 550 (1995) Parts Diagram for Rear ...

MTD 215-447-190 Roto Boss 550 (1995) Parts Diagram for Rear ...

MTD 216-390-336 - MTD Tiller (1996) (Home Quarters) Engine ...

MTD 216-390-336 - MTD Tiller (1996) (Home Quarters) Engine ...

0 Response to "38 mtd tiller parts diagram"

Post a Comment

Iklan Atas Artikel

Iklan Tengah Artikel 1

Iklan Tengah Artikel 2

Iklan Bawah Artikel