40 craftsman yt 3000 parts diagram
craftsman yt 3000 parts: Search Result | eBay Save craftsman yt 3000 parts to get e-mail alerts and updates on your eBay Feed. Shipping to: Russian Federation. Rebuild Kit for Sears Craftsman YT 3000 46" Lawn Mower Deck Parts FREE SHIPPING. Proudly Owned & Operated in America. Craftsman YT3000 Specs and Review - HowChimp The Craftsman YT3000 is a reliable riding mower. It features a 21 horsepower Briggs and Stratton Platinum series gasoline engine. Also, it is equipped with a single-cylinder gas engine that makes use of a pressurized lubrication system. This allows the riding mower to operate smoothly.
Craftsman Yt 3000 Parts Manual - Free Catalogs A to Z 9 hours ago Craftsman Yt 3000 Parts Diagram. Repair parts manual. Model no. Craftsman Yt3000 Parts - Diagram Niche Ideas. 8 hours ago Craftsman yt 3000 lawn mower user manual. We have a great online selection at the lowest prices with fast & free shipping on many items!

Craftsman yt 3000 parts diagram
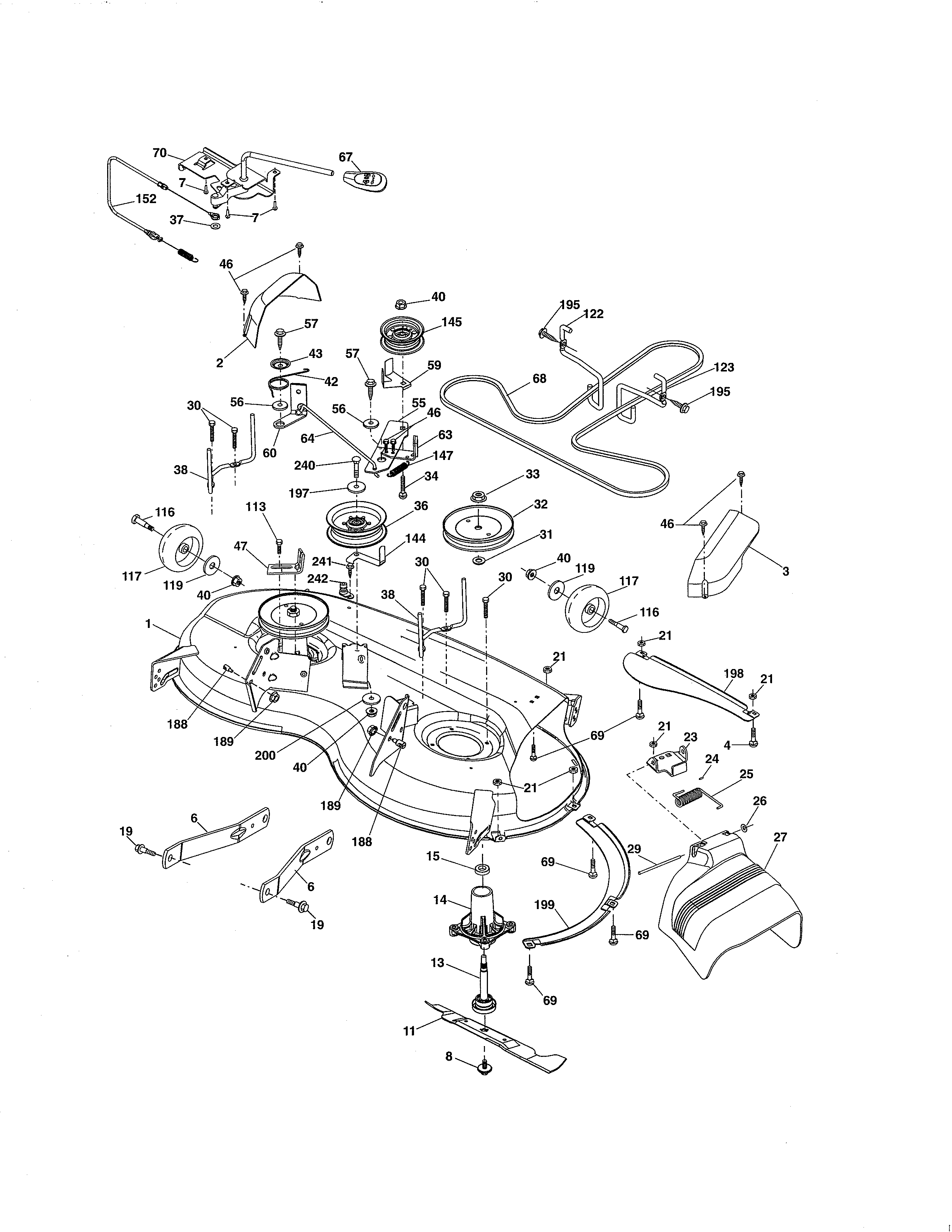
46" Deck Rebuild Kit Craftsman YT3000 YTS3000 - Parts Lawn Mower Parts Lawn MowerHome. All Products. All Products. 46" Deck Rebuild Kit Craftsman YT3000 YTS3000. PDF Craftsman yt 3000 engine manual Filename: craftsman yt3000 repair manual Date: 9/9/2012 Type of compression: zip Total downloads: 5269 Nick: inin File checked: Kaspersky Download speed: 33 Mb/s Price: FREE Lawn Mowers Go High Tech. Residential lawn tractors and lawn mowers now come with features once reserved for... Craftsman YT 3000 Manuals | ManualsLib Craftsman YT 3000 Manuals. Manuals and User Guides for Craftsman YT 3000. Customer Responsibilities. 7. Unassembled Parts. 7.
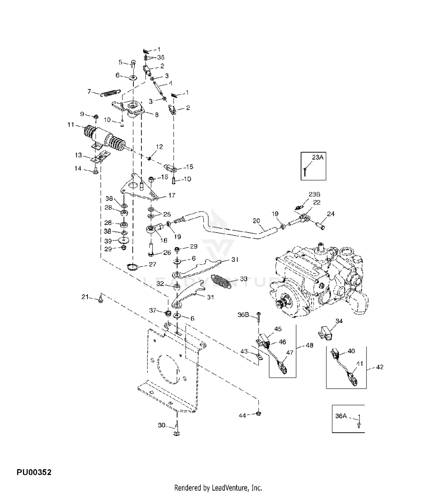
Craftsman yt 3000 parts diagram. 33 Craftsman Yt 3000 Parts Diagram - Wiring Diagram Database We have 1 craftsman yt 3000 manual available for free pdf download. Find all the information for craftsman yts 3000 repair from secure and virus Craftsman Lt1000 Mower Deck Parts Diagram Moreover Craftsman Lt. Craftsman Riding Mower Blades Won T Engage Clutch Cable 584243501. PDF Craftsman Yt 3000 Craftsman Yt 3000 Belt Diagram Craftsman YT-3000 for sale, like a new one! Used very little and this is reflected in the condition. 46 inches with 21 hp Briggs and Stratton Platinum Engine. Craftsman YT-3000 Riding Mower Used - RonMowers DOWNLOAD Craftsman Yt 3000 Parts Diagram. Yt3000 Craftsman Parts Manual | Craftsman Yt 3000 Parts Diagram Find now Yt3000 Craftsman Parts Manual. Find the user manual and the help you need for the products you own /> craftsman yt 3000 - YouTube I bought this new about a week ago and have mowed twice with it. I will be doing a start-up and drive of the mower later. In the video it says that it's a...
Parts and Services | CRAFTSMAN Craftsman is America's most trusted tool brand. Find parts and service information for our products here. Like all tools and equipment, CRAFTSMAN products sometimes wear down and need repair or maintenance. Fortunately, you have several options to fix your products. Craftsman YT 3000 Riding Lawn Mower Technical Specs Craftsman YT 3000 technical specifications: Engine and transmission type, wheels and tires, oil type and capacity, steering system, tractor attachments. Craftsman Yt3000 Parts.pdf - Free Download Craftsman Yt3000 Parts Craftsman Yt3000 Parts Manual Craftsman Yt3000 Parts Diagram Yt3000 Parts Manual Craftsman Tiller Parts Craftsman R110 Craftsman Parts Book Craftsman Lawn Mower Parts Canada Download: Craftsman Lt2000 Parts Manual Craftsman Snow Thrower Parts... Craftsman Yt 3000 Parts Diagram - Free Wiring Diagram Craftsman yt3000 parts craftsman riding mower deck lawn parts here is craftsman yt 3000 42 owners manual. Craftsman lawn mower parts for lawnmowers fix your lawnmower sears deck belt size yt3000 yt 3000 dimension. Save money and repair it yourself.
Craftsman YT 3000 Owners Manual - Manual Buddy View the Craftsman Lawn Tractor YT3000 Operator's Manual below. Find YT 3000 Parts in the manual using the parts diagrams and more. Craftsman Lawn Tractor | 917289240 | eReplacementParts.com Use our part lists, interactive diagrams, accessories and expert repair advice to make your repairs easy. Repair Parts Home Lawn Equipment Parts Craftsman Parts Craftsman Lawn Tractor Parts Craftsman 917289240 Lawn Tractor Parts. 5. Dash.Yt.Pred. Craftsman YT3000 Spec and Reviews - Home Care Zen The Craftsman YT3000 is a reliable and relatively affordable garden tractor or riding lawn mower. Its main function is to mow lawns easily and fast. It has built a reputation for quality Craftsman YT3000 parts. They have won industry awards from well-known publications such as Popular Mechanics and... Craftsman Yt 3000 Parts Diagram diagramweb.net Craftsman yt 3000 parts manual Australian manuals. 1 hours ago Whidbeylifemagazine.net Show details. Find parts, manuals & diagrams for any CRAFTSMAN Lawn, We stock parts for a variety of Craftsman products — small engines, lawn mowers, chainsaws, pressure washers and snow blowers.
Craftsman Yt 3000 Parts Diagram - Search for discount codes easily... Provide all the latest discount codes about Craftsman Yt 3000 Parts Diagram to help users shop with the best price.
Yt 3000 Parts Diagram | Craftsman Tractors Parts Lookup by Model Craftsman Yt3000 Parts - Diagram Niche Ideas. News Post. Details: When we buy new device such as craftsman yt 3000 we often through away most of the documentation but the warranty. Search results for 'craftsman yt 3000 46 briggs stratton 21 hp gas powered riding lawn tractor'.
Руководство по эксплуатации Craftsman YT 3000 Если просмотр руководства Craftsman YT 3000 непосредственно на этой странице для Вас неудобен Slope Sheet Keys (1) Oil Drain Tube For Future Use (2) Keys Your new tractor has been assembled at the factory with the exception of those parts left unassembled for shipping purposes.
SOLVED: I have a Craftsman YT 3000 cutter. The top belt ( - Fixya Question about Craftsman YT 3000 42" Kohler 22 hp Gas Powered Riding Lawn Tractor. The top belt (... If you could supply the number under the seat like the following I can answer your question with a diagram.
Craftsman Yt 3000 Parts List Save craftsman yt 3000 parts to get e-mail alerts and updates on your eBay Feed. Craftsman Yt 3000 Drive Belt Diagram 06.12.2018 06.12.2018 0 Comments on Craftsman Yt 3000 Drive Belt Diagram can somebody tell me about a craftsman drivebelt not a deck belt the man There is a belt...
Craftsman Yts 3000 Parts Diagram - Diagram Resource Gallery Use our part lists interactive diagrams accessories and expert repair advice to make your repairs easy. Repair parts home lawn equipment parts craftsman parts craftsman lawn tractor parts craftsman 917289240 lawn tractor parts. Craftsman Yt 3000 Bruin Online.
Craftsman Vt3000 Owners Manual | Craftsman Yt 3000 Parts Diagram Details: Craftsman YT 3000 Manuals Manuals and User Guides for Craftsman YT 3000. Craftsman vt3000 lawn mower parts. Compare Search ( Please select at least 2 keywords ) Most Searched Keywords.
Craftsman Yt3000 Parts Diagram Niche Ideas Craftsman Yt 3000 Parts Diagram. Repair parts manual. Model no. Craftsman yt 3000 46 briggs amp stratton. Sold by opeop36 an ebay marketplace seller. Unfollow craftsman yt 3000 parts to stop getting updates on your ebay feed.
Craftsman Yt 3000 Drive Belt Diagram - schematron.org Craftsman yt 3000 parts diagram chokeembly thanks for visiting our site this is images about craftsman yt 3000 parts diagram chokeembly posted by alice ferreira in 28924 yt 3000 21 hp46 yard tractor lawn mower pdf manual download. Categories: FAQs | 217 People Used Show All FAQs View...
Craftsman Yt 3000 Belt Diagram - Wiring Site Resource 240 hr 46 mower electric start automatic transmission. Repair parts home lawn equipment parts craftsman parts craftsman lawn tractor parts...
Amazon.com: yt3000 parts Deck Rebuild Kit Compatible with 46" Models Craftsman YT3000 YTS3000 Husqvarna YTH21K46 PB195H46YT Poulan PP20VA46. Under $25. Hydro-Gear 53822 Lawn Tractor Transaxle Fan Genuine Original Equipment Manufacturer (OEM) Part.

New Front Car Central Console Dashboard Storage box Holder For VW Tiguan mk2 2017 2018 2019 2020 2021 5NG857922A 5NG 857 922 A
Yt 3000 Parts Diagram Coupon Codes 9 hours ago Craftsman Yt 3000 Parts Diagram. Find YT 3000 Parts in the manual using the parts diagrams and more.View Parts for this mower.Open this manual in a new window., Download Operator's manual of Craftsman 917.28921 Lawn Mower for Free or View it Online on All-Guides.com.
Craftsman YT 3000 Manuals | ManualsLib Craftsman YT 3000 Manuals. Manuals and User Guides for Craftsman YT 3000. Customer Responsibilities. 7. Unassembled Parts. 7.
PDF Craftsman yt 3000 engine manual Filename: craftsman yt3000 repair manual Date: 9/9/2012 Type of compression: zip Total downloads: 5269 Nick: inin File checked: Kaspersky Download speed: 33 Mb/s Price: FREE Lawn Mowers Go High Tech. Residential lawn tractors and lawn mowers now come with features once reserved for...
46" Deck Rebuild Kit Craftsman YT3000 YTS3000 - Parts Lawn Mower Parts Lawn MowerHome. All Products. All Products. 46" Deck Rebuild Kit Craftsman YT3000 YTS3000.
0 Response to "40 craftsman yt 3000 parts diagram"
Post a Comment