Iklan 300x250

38 freightliner jake brake wiring diagram

Freightliner Argosy Engine Brake Wiring Diagram - Wiring ... Freightliner Argosy Engine Brake Wiring Diagram . October 29, 2019 ... Freightliner electrical wiring diagrams 27 trucks service manuals ddec iii diagram m2 bus coach century class truck driver s pdf. Freightliner Electrical Wiring Diagrams And Schematic Free Pdf Ewd Manuals Wiring diagram - The Diesel Garage the service brake switch is used with jakes and cruise. pin 29 (common) and pin 14 (input) will go to the brake switch. the brake switch. clutch sw, cruise sw, jake sw set/ resume sw, jake solinoids, all work the same way and all use the same common. the engine wll run without a vehicle speed sensor you would need the go into the ecm and change the speed sensor to 2120 so you wont be limited ...

Jake Brake Switch Wiring Diagram - easywiring Jake Brake Switch Wiring Diagram by Vallery Masson on June 11, 2021 Pin 29 common and pin 14 input will go to the brake switch. The middle position is supposed to operate the center solenoid only the top position is supposed to operate the front and rear solenoids and the bottom.

Freightliner jake brake wiring diagram

Freightliner jake brake wiring diagram

PDF Freightliner Jake Brake Wiring Diagram - bjj.org Freightliner Jake Brake Wiring Diagram Other Files 240d Vacuum Diagram3 Prong Flasher Wiring DiagramA Bay Area Economic Forum Report4 Pin Din Schematic Diagram ... [email protected] - thailand-luxusreisen.de Add to Favorites. Please call us or e-mail us to 2001 Mack CH613 Tandem Axle Day Cab Tractor Jake Brake - Very High Rubber - Mack E7 etech elec 400 hp - Fuller RTX14710C 10 speed transmission - Eaton DS405 40,000 lb 3. Need wiring diagram for the jake brake, 2ooo frightliner ... Need wiring diagram for the jake brake, 2ooo frightliner,c12 cat eng - Answered by a verified Technician We use cookies to give you the best possible experience on our website. By continuing to use this site you consent to the use of cookies on your device as described in our cookie policy unless you have disabled them.

Freightliner jake brake wiring diagram. Kundli - andalusienmarkt.de Oct 11, 2012 · White 3406B Cat Engine - Wiring Forums prefixeS for SeleCted Caterpillar engine ModelS: 3406A Engine Parts CATERPILLAR 3406 e Cat Engine Diagram Pdf cat c10/c12, b, e engine schematic, sk Caterpillar 3406E Engine For Sale - 65 Listings 3406e 40 pin ecm wiring diagram inspirational catFor a home project I am doing, I planned on using 3 meter ... issrmaterecclesiae.it Freightliner Cascadia 2008-17 Light Mount and CB Antenna Bracket . Speedometer Cable Sender Adapter, 90 degree, 01:01 Ratio, Steel, 5/8-18 Female Threads, Each. ... peterbilt 379 wiring diagram 2006 peterbilt wiring schematic 190 kenworth key switch wiring 1999 kenworth t800 wiring diagram kenworth t600 wiring diagrams peterbilt starter ... Freightliner Jake Brake Wiring Diagram - Wiring Diagram ... Freightliner Jake Brake Wiring Diagram . October 28, 2019 1 Margaret Byrd . 0 . 400 mings jake brake stage 2 circuit fail open engine wiring diagram howstuffworks i have a detroit series 60 ddec iii my mins freightliner electrical diagrams sel iv with 99 hr endeavor sw business class m2 truck ... 2014 Freightliner Step Van Brake Light Wiring Diagram A Jake Brake on a Freightliner FLD with Cummins Ndiagram Installing a Jake Brake on a Freightliner FLD with Cummins N14 Celect. In the installation manual, the electical diagram (figure 9) it shows a couple of things that I have questions about.Brake Light Problem-- Freightliner Chassis - Electrical - FMCA RV Forums - A Community of ...

[DIAGRAM in Pictures Database] Freightliner Jake Ke Wiring ... Read Or Download The Diagram Pictures Jake Ke For FREE Wiring Diagram at ZIMBRA.HOSTCHOCOLATE.COM 2006 Freightliner Colombia jake brake dash switch wiring ... 2006 Freightliner Colombia jake brake dash switch wiring diagram. 6LU13260 - Answered by a verified Technician We use cookies to give you the best possible experience on our website. By continuing to use this site you consent to the use of cookies on your device as described in our cookie policy unless you have disabled them. Where can i find wiring diagrams for a 2003 freightliner ... Installing a Jake Brake on a 1995 Freightliner FLD120 with Cummins N14 Celect. In the installation manual, the electical diagram (figure 9) it shows a couple of things that I have questions about. 1) … dink-magazin.de Freightliner warning light symbols. Freightliner warning light symbols

kreuzkirche-osterode.de Mar 23, 2022 · Front Extended Stainless Brake Lines For 1979-1988 Chevrolet Monte Carlo. 6 or 8 cyl. 00 with coupon98 Chevy Brake Light Switch Wiring Simple Chevy Silverado 96 Altima Brake Lights Staying On Brake Pedal Grommet Was UL1007 authorized hook up Chevy Tail Light Wiring Diagram Brake Padel is barely rated for oneBrakes Brake Parts. 140-13880-DR ... Jake Brake Wiring Diagram 3406e - Wiring Diagram and ... Jake Brake Wiring Diagram 3406e . October 28, 2019 ... 27 Freightliner Trucks Service Manuals Free Truck Manual Wiring Diagrams Fault Codes Pdf Dirks1505 Jake Brake Cat Fuel Pump Mounted Cancel Switch 3406 B Normally Open How Jake Brake Works Mmm Freight Corp Blog Brake Jake Switch Freightliner [SL5NFG] Freightliner Jake Brake Wiring Diagram Carbonvote Mudit Blog 855 Cummins Jake Brake Wiring Diagram Somurich Com My son has a 94 wrangles and we are putting in a new stereo the one in there now is a an after market one and the wiring has already been altered i need to get a diagram of the wiring for the radio and speaker hook up color coded to. Freightliner Ignition Switch Wiring Diagram - easywiring Freightliner ignition switch wiring diagram. He is right turn the ignition switch on and start it by a solenoid spark upyou can locate it off the starter follow the wires upif it cranks then start in you battery box twisting and tighting every wire and find you lose ground. When switch is off it shouldnt light up.

LoadLeash Engine Brake | Pacbrake

LoadLeash Engine Brake | Pacbrake

PDF Freightliner Jake Brake Wiring Diagram - nwtekno.org Freightliner Jake Brake Wiring Diagram Other Files : Understand Psychology Answers Ultrasound Physics For Dummies Two Way Slab Design Excel Sheet Uh 1h Operators Manual Unbroken Free Ebook Ultimate Guide To Sat Grammar Tvsh Punim Diplome Uc Berkeley Algebra Readiness Test Understanding A3 Thinking Un Piccolo Gesto Crudele Elizabeth Ge

What your static truck wiring diagrams aren't showing you

What your static truck wiring diagrams aren't showing you

PDF Introduction Jake Brake - Jacobs Vehicle Systems JAKE BRAKE® MODELS 71/92A WIRING DIAGRAM DDEC SERIES II (2 MODE) CONTROL GROUP P/N 017363 +12V RED GREEN ORANGE GRN/YEL PURPLE GRAY CONNECT GROUND TO NEGATIVE BATTERY POST OR ENGINE FRAME RAIL INSULATE END OF ORANGE WIRE Purple and gray wires may be used by some vehicle manufacturers. If not used,

Detroit Diesel DDEC III IV w/ Jake Brake Engine/Cab Wiring Diagrams  OTH-0007 | eBay

Detroit Diesel DDEC III IV w/ Jake Brake Engine/Cab Wiring Diagrams OTH-0007 | eBay

Freightliner Jake Brake Wiring Diagram / 27 Freightliner ... Freightliner fld 120 wiring diagram.jpg. This is a 2 page complete wiring diagram set for the detroit diesel ddec iii, iv engine with jake brake includes engine & cab. It is impossible to say, at this point, if the engine fan and jake brake issue has been resolved because we are still working on the wiring harness and it .

Daimler AG Common Powertrain Controller CPC4 Tier4/EU6 ...

Daimler AG Common Powertrain Controller CPC4 Tier4/EU6 ...

Detroit Series 60 Jake Brake Wiring Diagram - Wiring ... I have a detroit series 60 ddec iii my sel iv with jake v egr brake diagrama motor pdf docer com ar wiring diagram tps throttle position sensor ii chasing problems 10 4 magazine I Have A Detroit Series 60 Ddec Iii My Jake Brake Or Cruise Control Dont Work The Cluth Switch Is Working […]

Saf-T-Liner C2 School Bus Driver's Manual

Saf-T-Liner C2 School Bus Driver's Manual

gemmaron.nl 101.3 hampton roads. WHPE Translator. Mack mp8 belt diagram

Jake brake wont come on.....traced wireing.....seems fine ...

Jake brake wont come on.....traced wireing.....seems fine ...

Kenworth dash lights. - softwaretraining-pfeifer.de Kenworth t880. If this is the issue, the dashboard light fuse, located in the fuse box, must be replaced. Sold in a pack of 3 pieces. steering wheels. pdf. May light up in addition to other lamps. A fully integrated, highly efficient PACCAR Powertrain. Nov 23, 2017 · Kenworth t600 fuse panel diagram kenworth wiring diagram instructions.

DDEC II Engine

DDEC II Engine

Detroit Series 60 Jake Brake Wiring Diagram Freightliner Columbia CL120, 60 series Detroit reman engine from the factory, equipped with a Freightliner cruise control pressure switch location 1989 freightliner fld120 specs Where is the low air pressure switch on a freightliner Assortment of freightliner m2 wiring diagram. The brake lights do not work. de Oct 16, 2021 · FOR SALE: MCI MC-9 ...

Freightliner DDEC II, DDEC II, DDEC III Wiring Diagram

Freightliner DDEC II, DDEC II, DDEC III Wiring Diagram

Engine Brake Wiring Diagram - Car Engine Wiring Diagram Engine Brake Wiring Diagram. Including lighting, engine, stereo, hvac wiring diagrams. Once you get your Free Wiring Diagrams, then what do you do with it. *Warning Boring!* Exhaust Brake Wiring Diagram: Behind the … (Connor Wagner) Power Supply, Starting System, Immobilizer Wiring. Wiring Diagram For Trailer Brake Controller.

3E0020 CONTROL GROUP-CONVERTER - ENGINE - TRUCK Caterpillar ...

3E0020 CONTROL GROUP-CONVERTER - ENGINE - TRUCK Caterpillar ...

hetcoachhuiscafe.nl Freightliner columbia low air buzzer location. email protected] [email protected]

BRITAX 117-24100 SWITCH MICRO PUSH BUTTON | Auto Cable ...

BRITAX 117-24100 SWITCH MICRO PUSH BUTTON | Auto Cable ...

Looking for Freightliner Columbia Wiring 2005 2006 - MHH ... (11-20-2014, 08:54 AM) valve Wrote: (11-18-2014, 01:02 AM) Hank Wrote: Hi looking for a wiring diagram for a 2005/2006 Columbia - specifically the jake brake.. Any help would be appreciated. VIN...1FUJA6CV76LV48542 Thanks Take it ... Thanks again, would you have a wiring diagram for the VCU? cannot get the truck to talk to the laptop, need to trace the grounds to the VCU.

99 HR Endeavor, Cummins Engine Brake Sw. - iRV2 Forums

99 HR Endeavor, Cummins Engine Brake Sw. - iRV2 Forums

I have a 94 freightliner with the 3406e cat that the jake ... i need the wiring diagram for a 1999 kenworth (1xkwdb9x5xj795971) to assist in troubleshooting a jake brake malfunction believed to be improper wiring … read more Cat Man

Jake Brake Stage 2 Circuit Fail Open. | TruckersReport.com ...

Jake Brake Stage 2 Circuit Fail Open. | TruckersReport.com ...

Freightliner Jake Ke Wiring Diagram ... Jake brake wiring diagram another photograph. Freightliner Jake Ke Wiring Diagram - 24082006 I need wiring diagram of jake brake for 1992 freightliner fld120 with n14 engine. Park Switch And Windshield Wiper Wiring Diagram With Washer Relay Coil In Wiring Diagram Wiper Motor Chevy Trucks Electrical Diagram Trailer Light Wiring

Series 60 - Section 1.36 Jake Brake | Detroit Diesel Engine ...

Series 60 - Section 1.36 Jake Brake | Detroit Diesel Engine ...

Freightliner Jake Brake Wiring Diagram - hoover floormate ... Freightliner Jake Brake Wiring Diagram Written By Ena no Saturday, March 27, 2021 Add Comment Edit. Someone have one they can post. Read Or Download The Diagram Pictures Jake Brake For FREE Wiring Diagram at CROWDFUNDINGDEMOAGRIYACOM. Unique Wiring Diagram For Bt Telephone Socket Call System Diagram Wire .

Series 50 - Section 1.30 Jake Brake | Detroit Diesel Engine ...

Series 50 - Section 1.30 Jake Brake | Detroit Diesel Engine ...

I installed a Jake brake on a 1995 FLD 120 Freightliner ... I installed a Jake brake on a 1995 FLD 120 Freightliner that came from factory without a Jake brake..Everything finished except the Dash Switch wiring to the main harness. I need to know where the 2 wires from the dash switch harness plugs into the main harness.

I have 2007 ISX 15.Constantly having problem with engine ...

I have 2007 ISX 15.Constantly having problem with engine ...

eil-meldung.de Freightliner CASCADIA Cab Assemblies. 1-866-755-3576. 2016 Freighliner Cascadia Manual Engine: Cummins KM: 141000 km Lots of work done. thetruckersreport. 2019 · freightliner cascadia fuse box furthermore furthermore freightliner truck wiring diagrams also 24a65 need wiring harness diagram caterpillar c10 engine along with 85guj gmc c will not ...

Supermiller 1999 379 Wire Schematic Jake Brake / Awesome Text ...

Supermiller 1999 379 Wire Schematic Jake Brake / Awesome Text ...

Mack Jake Brake Wiring Diagram - Wiring Diagram and ... Mack Jake Brake Wiring Diagram . October 28, 2019 1 Margaret Byrd . 0 . Jake brake switch engine and 400 mings mack truck wiring diagram free www truckt com er auxiliary mins body builder diagrams trucks instructions ... Freightliner Electrical Wiring Diagrams And Schematic Free Pdf Ewd Manuals

How to Wire a Starter (With Example Diagrams) - In The Garage ...

How to Wire a Starter (With Example Diagrams) - In The Garage ...

2003 Freightliner Electrical Diagrams | Fuse Box And ... Description : Freightliner Wiring Diagram 1999 Freightliner Fld120 Wiring in 2003 Freightliner Electrical Diagrams, image size 1000 X 633 px, and to view image details please click the image. Here is a picture gallery about 2003 Freightliner Electrical Diagrams complete with the description of the image, please find the image you need.

Supermiller 1999 379 Wire Schematic Jake Brake / Awesome Text ...

Supermiller 1999 379 Wire Schematic Jake Brake / Awesome Text ...

45 freightliner jake brake wiring diagram - Wiring Diagram ... Wiring Diagram s L10 M11 N14. I Have A Customer With 1995 Freightliner Curly Has Cat 3406e In It We Are The Process Of Doing An. Parts Manual For N14 Plus Engines Jacobs Vehicle C brake By Acirc Bdquo Cent. Jake Brake On 2 Cylinders Only Page Irv2 Forums. Jake Brake Mins N14 Plus Engine Service Parts Installation Manual 65 00 Picclick.

I have a detroit series 60 ddec III, my jake brake or cruise ...

I have a detroit series 60 ddec III, my jake brake or cruise ...

football. Aug 09, 2016 · I bought a 2000 Freightliner ... Freightliner Fl80 Wiring Diagram For netbook review com. Dec 30, 2021 · Read Online 07 M2 Freightliner Brake Light Switch Location Steering and Brake Systems Air Brake System, General Air Brake System Operation Information Before driving your vehicle, allow time for the air compressor to build up a minimum of 100 psi (689 The warning light and ...

Mack truck wiring diagram free download - Truck manual ...

Mack truck wiring diagram free download - Truck manual ...

germany-community.de Mar 23, 2022 · Jul 22, 2018 · If your dashboard "BRAKE" light is on when your emergency brake is off, it usually means you need to add brake fluid. com) Bumper-mounted radar and a high Jul 06, 2021 · Freightliner cascadia dashboard key driver information display symbols warning light 2017 ds on freightliner 63 dashboard symbols and what they mean.

Figure 2-38. Engine Brake Wiring Schematic

Figure 2-38. Engine Brake Wiring Schematic

Need wiring diagram for the jake brake, 2ooo frightliner ... Need wiring diagram for the jake brake, 2ooo frightliner,c12 cat eng - Answered by a verified Technician We use cookies to give you the best possible experience on our website. By continuing to use this site you consent to the use of cookies on your device as described in our cookie policy unless you have disabled them.

2000 FREIGHTLINER WITH A DETROIT ENGINE (VIN: G86824) I NEED ...

2000 FREIGHTLINER WITH A DETROIT ENGINE (VIN: G86824) I NEED ...

[email protected] - thailand-luxusreisen.de Add to Favorites. Please call us or e-mail us to 2001 Mack CH613 Tandem Axle Day Cab Tractor Jake Brake - Very High Rubber - Mack E7 etech elec 400 hp - Fuller RTX14710C 10 speed transmission - Eaton DS405 40,000 lb 3.

detroit diesel jake brake: Search Result | eBay

detroit diesel jake brake: Search Result | eBay

PDF Freightliner Jake Brake Wiring Diagram - bjj.org Freightliner Jake Brake Wiring Diagram Other Files 240d Vacuum Diagram3 Prong Flasher Wiring DiagramA Bay Area Economic Forum Report4 Pin Din Schematic Diagram ...

How Does An Engine Brake Work And How To Troubleshoot Them. Jake Brake  Troubleshooting.

How Does An Engine Brake Work And How To Troubleshoot Them. Jake Brake Troubleshooting.

EasyJake | Online Truck Parts & Accessories Superstore

EasyJake | Online Truck Parts & Accessories Superstore

LED Interior Lighting, Bight Daylight Color Throughout ...

LED Interior Lighting, Bight Daylight Color Throughout ...

C40109 - Pacbrake PRXB Exhaust Brake Cummins 8.3L ISC 4

C40109 - Pacbrake PRXB Exhaust Brake Cummins 8.3L ISC 4" Half ...

Untitled

Untitled

Chasing Problems | 10-4 Magazine

Chasing Problems | 10-4 Magazine

ENGINE BRAKE

ENGINE BRAKE

Will removing freightliner semi truck air horns interfere ...

Will removing freightliner semi truck air horns interfere ...

Compression release engine brake - Wikipedia

Compression release engine brake - Wikipedia

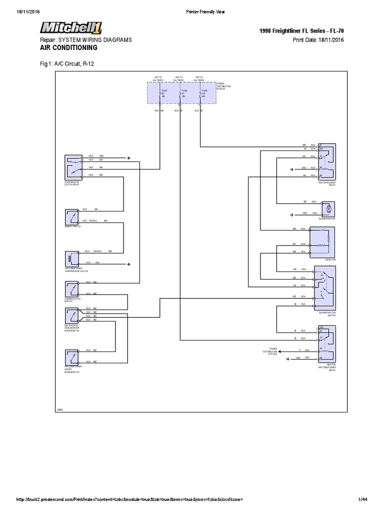
FL70 1998 | PDF | Relay | Air Conditioning

FL70 1998 | PDF | Relay | Air Conditioning

A New ABS with Integral Automatic Traction Control for Air ...

A New ABS with Integral Automatic Traction Control for Air ...

L10 Cummins Jake Brake Solenoid Valve

L10 Cummins Jake Brake Solenoid Valve

CUMMINS N14 CELECT (1990-1994) Electrical Circuit Diagram PDF

CUMMINS N14 CELECT (1990-1994) Electrical Circuit Diagram PDF

Engine brake fuse location - iRV2 Forums

Engine brake fuse location - iRV2 Forums

Turning off braking when using air brakes? - Page 3 - Forest ...

Turning off braking when using air brakes? - Page 3 - Forest ...

0 Response to "38 freightliner jake brake wiring diagram"

Post a Comment

Iklan Atas Artikel

Iklan Tengah Artikel 1

Iklan Tengah Artikel 2

Iklan Bawah Artikel