Iklan 300x250

38 john deere 170 lawn tractor parts diagram

John Deere D170 Lawn and Garden Tractor ... - Green Farm Parts John Deere D170 Lawn and Garden Tractor Parts. 193 Parts. Green Farm Parts has all available John Deere D170 Lawn and Garden tractor parts online. Shop our illustrated catalog for D170 parts here. Or, choose from the many popular options below. You can also enter your part number into our search bar. John Deere Parts Diagrams, John Deere 170 Lawn Tractor -PC2056 John Deere Parts Diagrams, John Deere 170 Lawn Tractor -PC2056. AIR FILTER & MOUNTING PARTS: FUEL AND AIR. Battery Charger Kit: ELECTRICAL. BATTERY,BATTERY BASE & CABLES: ELECTRICAL.

John Deere Model D170 Lawn Tractor Parts - GreenPartStore John Deere Accessories and Other Parts; John Deere Attachments; John Deere Lawn and Garden Tractor Parts; John Deere Lawn Tractor Parts; John Deere Zero Turn Mower Parts; John Deere Front Mower Parts; John Deere Compact Utility Tractor Parts; John Deere Gator/Utility Vehicle Parts; John Deere Utility Tractor Parts; John Deere QuikTrak Mower Parts

John deere 170 lawn tractor parts diagram

John deere 170 lawn tractor parts diagram

John Deere 170 Parts Diagrams - Lawn Mower Parts John Deere 170 Exploded View parts lookup by model. Complete exploded views of all the major manufacturers. It is EASY and FREE PDF John Deere 160 Lawn Tractor Repair Manual Drive Belts John Deere 160 and 170 180 Series mower. Weight bracket for the John Deere 160 lawn tractor John Deere 160 hauling wood Will It Run? Free John Deere Garden Tractor John Deere 160 heat shield and deck view connection points How to Put a Belt on a John Deere 160 Riding Mower John Deere 170 Lawn Tractor Restoration John Deere 160. Will ... John Deere Model S170 Lawn Tractor Parts - GreenPartStore John Deere 42-lb Quick-Tach Suitcase Weight - UC13263. (7) $60.99. Usually available. Add to Cart. Quick View.

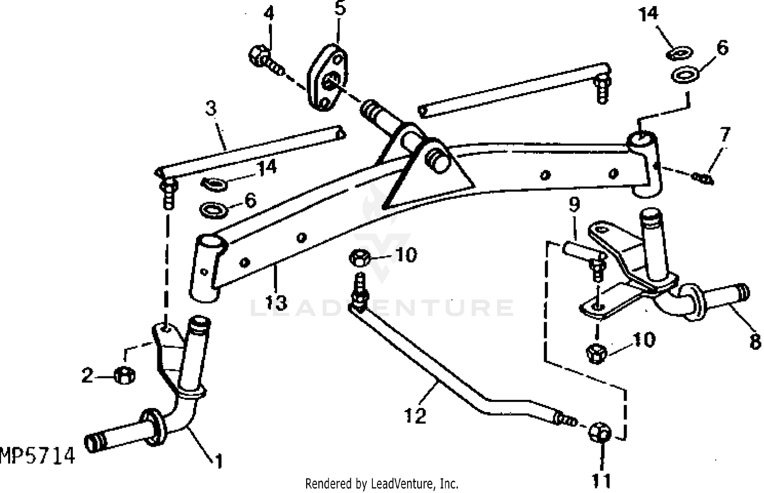
John deere 170 lawn tractor parts diagram. John Deere Parts Diagrams, John Deere D170 100 Series Tractor John Deere Parts Diagrams, John Deere D170 100 Series Tractor. Blade, 46 inch. Electrical. Engine ETN161948. Fuel and Air. Labels and Optional Equipment. D170 Owner Information | Parts & Service | John Deere CA D170 Lawn Tractor: Owner Information ... Parts Diagram. Maintenance Parts. Operator's Manual. Register for Warranty Protection. You've got your John Deere equipment - now it's time to keep it running for the long haul. Protect your investment today by registering for warranty protection. PDF John Deere D170 Service Manual All Models For D Tractor -PC Get result.D John Deere Parts Diagram ~ here you are at our site, this is images about d john deere parts diagram posted by Brenda Botha in Deere category on Nov 08, You can also find other images like wiring diagram, parts diagram, replacement parts, electrical diagram, repair manuals, engine. John Deere 54" LA175-D170 Deck Parts Diagram - Mutton Power John Deere LA175-D170 54" Deck Parts Diagram with original John Deere Parts and easy to use parts look-up. Close Home. JOHN DEERE TRACTORS. JOHN DEERE TRACTORS Sub-Compact Tractors John Deere 1023E John Deere 1025R Compact Utility Tractors Utility Tractors John Deere Buying Guide. JOHN DEERE GATORS. ... Walk Behind Lawn Mowers;

John Deere Model LT170 Lawn Tractor Parts - GreenPartStore John Deere Model LT170 Lawn Tractor Parts - The serial number is located in front and below the seat as indicated in this photo PDF John Deere 180 Lawn Tractor Oem Service Manual John Deere Parts Diagram John Deere Parts Diagram & Online Parts Catalog: Gators, compact tractors, lawn & garden, skid steers. The online John Deere parts diagram is an incredible source. It shows you detailed pictures of every part of your machine. This online parts catalog is Page 21/24 John Deere Parts Diagram & Parts Search - Green Farm Parts John Deere AG, Lawn & Garden and CWP Equipment Parts Search. John Deere parts lookup tool and diagram is an incredible online source. It is a complete catalog that shows you detailed parts diagrams of every part of your machine. This online parts catalog is robust and easy to use. Searching for your John Deere parts online has never been easier. John Deere Parts Diagrams, John Deere E170 100 Series ... John Deere Parts Diagrams, John Deere E170 100 Series Tractor E170 Tractor -PC13341. Alternator & Flywheel: Engine ETN159379. Attachment,Height Gauge: Mower Deck & Lift Linkage. Attachment,Material Collection System W/ Blade,48 inch: Material Collection System. Attachment,Mower Deck,48 inch: Mower Deck & Lift Linkage.

John Deere Z970A Z Trak Mower Parts - muttonpower.com Parts Diagrams; BRANDS ... John Deere 170 Parts (3) John Deere 175 Parts (3) John Deere 180 Parts (4) John Deere 185 Parts (3) ... John Deere Z970A Parts. The Z970A Zero Turn Lawn Tractor was produced with standard features including the two cylinder Kawasaki engine, hydrostatic transmission, hydraulic steering, 4.25 L oil capacity, and a 48 ... John Deere Model E170 Lawn Tractor Parts - GreenPartStore Model E170. Click here for 48-inch Mower Deck Parts for E170. Click here for Rear Bagger Parts for E170. Click here for 44-inch Snow Blower Parts for E170. Click here for 46-inch Front Blade Parts for E170. Click here for Accessories for E170. John Deere D170 Lawn Tractor Parts - Mutton Power John Deere D170 Parts The John Deere D170 was produced from 2011 to current and came equipped with a hydrostatic drive transmission, 54" Mower Deck and 26hp Briggs Engine. Regular Maintenance should be performed on the D170 every 50 hours and should include Spark Plug, Air Filter, Oil Filter with 2qts oil and sharpen or replace mower blades. ARIMain - John Deere Parts and John Deere Lawn Mower Parts John Deere Parts Diagrams, John Deere LT170 LAWN TRACTOR. ELECTRICAL. Engine AM130705. FUEL AND AIR. LABELS AND OPTIONAL EQUIPMENT. MOWER DECK AND LIFT LINKAGE. POWER TRAIN. POWER TRAIN AM130330. Snow Blade 44-Inch.

John Deere 170 Lawn Tractor -PC2056 GOVERNOR,LINKAGE ...

John Deere 170 Lawn Tractor -PC2056 GOVERNOR,LINKAGE ...

John Deere 170 Lawn Tractor Wiring Diagram - Wiring ... John Deere 170 Lawn Tractor Pc2056 Electromagnetic Pto Clutch Warner Electrical. John deere 170 my tractor forum lawn pc2056 lt150 160 180 i have a j d it will parts d170 service electrical wiring diagram for jd won t start garden forums e170 belt www complete transaxle mia10320 e180 25 hp s170 24 us x500 select series tractordata com riding mower f911 f915 f925 f932 f935 off 56 265 ignition ...

User manual John Deere D170 (English - 56 pages)

User manual John Deere D170 (English - 56 pages)

John Deere 170 Lawn Tractor Parts - Mutton Power John Deere 170 Parts. The 170 Riding Lawn Tractor was produced from 1989-1990 as part of the Late 100 Lawn Series. Standard features included a 14 HP Kawasaki engine, 5 speed gear transmission, manual sector and pinion steering, and a 38" mid mount mower deck. Popular attachments include snow blower and front blade.

Used John Deere D170 54

Used John Deere D170 54" Riding Lawn Mower - RonMowers

John Deere LT170 Lawn Tractor Parts - Quick Parts ... A Complete Listing Of All John Deere Lawn Tractor Parts Is Available Using Illustrated Diagrams. This quick parts reference guide will provide you with the most common John Deere LT170 Lawn Tractor Parts 42C Mower Deck. These John Deere Lawn Tractor Parts may include: Tune Up Kit, Spark Plug, Mower Blades, Traction Drive Belt, Transmission Belt ...

Air Filter For John Deere 170 175 LX172 LX176 Lawn Tractor ...

Air Filter For John Deere 170 175 LX172 LX176 Lawn Tractor ...

John Deere Model 170 Lawn Tractor Parts - GreenPartStore John Deere Automatic 1.5-AMP Battery Charger/Maintainer - TY26328. (7) $42.99. Usually available. Add to Cart. Quick View.

John Deere 170 Lawn Tractor -PC2056 Seat & Fender Deck ...

John Deere 170 Lawn Tractor -PC2056 Seat & Fender Deck ...

John Deere LT170 Lawn Tractor Maintenance Guide & Parts List Service Schedule Parts for a John Deere LT170 Lawn Tractor & Parts List. While your John Deere machine is certainly built with quality parts, they have a limited life. Good news is you can easily service your machine yourself using a John Deere maintenance kit or service kits or by getting the specific John Deere part needed to keep your John Deere mower or tractor running for a long time.

TractorData.com John Deere LX172 tractor information

TractorData.com John Deere LX172 tractor information

John Deere E170 Lawn and Garden Tractor Parts - Green Farm ... John Deere E170 Lawn and Garden Tractor Parts. 103 Parts. Green Farm Parts has all available John Deere E170 Lawn and Garden tractor parts online. Shop our illustrated catalog for E170 parts here. Or, choose from the many popular options below. You can also enter your part number into our search bar.

John Deere D170 Lawn Tractor Parts

John Deere D170 Lawn Tractor Parts

john deere 265 parts diagram | eurekaconsumer.com Mower Deck Manual John Deere 265 Lawn. anyweartee.com. manual john deere residential lawn & garden tractors, arndt guide riding mower deck belt diagrams diy repair manual ayp - mtd ... 265 285 & 320...

John Deere Steering Problems

John Deere Steering Problems

John Deere Model S170 Lawn Tractor Parts - GreenPartStore John Deere 42-lb Quick-Tach Suitcase Weight - UC13263. (7) $60.99. Usually available. Add to Cart. Quick View.

TractorData.com John Deere 170 tractor information

TractorData.com John Deere 170 tractor information

PDF John Deere 160 Lawn Tractor Repair Manual Drive Belts John Deere 160 and 170 180 Series mower. Weight bracket for the John Deere 160 lawn tractor John Deere 160 hauling wood Will It Run? Free John Deere Garden Tractor John Deere 160 heat shield and deck view connection points How to Put a Belt on a John Deere 160 Riding Mower John Deere 170 Lawn Tractor Restoration John Deere 160. Will ...

Shop our selection of John-Deere 170 Parts and Manuals

Shop our selection of John-Deere 170 Parts and Manuals

John Deere 170 Parts Diagrams - Lawn Mower Parts John Deere 170 Exploded View parts lookup by model. Complete exploded views of all the major manufacturers. It is EASY and FREE

John Deere D170 25-HP V-twin Hydrostatic 54-in Riding Lawn ...

John Deere D170 25-HP V-twin Hydrostatic 54-in Riding Lawn ...

John Deere LA175-D170 54

John Deere LA175-D170 54" Deck Parts

John Deere 54 Belt for Riding Mower/Tractors (161-in L)

John Deere 54 Belt for Riding Mower/Tractors (161-in L)

Air Filter For John Deere 170 175 LX172 LX176 Lawn Tractor ...

Air Filter For John Deere 170 175 LX172 LX176 Lawn Tractor ...

John Deere Oil Filter GY20577

John Deere Oil Filter GY20577

STENS OEM Replacement Belt for John Deere 116 116H 130 170 ...

STENS OEM Replacement Belt for John Deere 116 116H 130 170 ...

John Deere Lawn Mower Deck belt replacement

John Deere Lawn Mower Deck belt replacement

Deere 170 tractor will not move forward or reverse, only 1 ...

Deere 170 tractor will not move forward or reverse, only 1 ...

The ROP Shop | Ignition Switch w/ Keys for John Deere 130 160 165 170 175  180 185 Lawn Tractors

The ROP Shop | Ignition Switch w/ Keys for John Deere 130 160 165 170 175 180 185 Lawn Tractors

John Deere Electrical Diagram? - Pennock's Fiero Forum

John Deere Electrical Diagram? - Pennock's Fiero Forum

John Deere 170 Lawn Tractor Restoration

John Deere 170 Lawn Tractor Restoration

John Deere 170 175 180 and 185 Lawn Tractors Parts Catalog PC2056 | eBay

John Deere 170 175 180 and 185 Lawn Tractors Parts Catalog PC2056 | eBay

John Deere 170 Lawn Tractor -PC2056 FRONT AXLE: WHEELS,NON ...

John Deere 170 Lawn Tractor -PC2056 FRONT AXLE: WHEELS,NON ...

John Deere 170 Lawn Tractor -PC2056 ELECTROMAGNETIC PTO ...

John Deere 170 Lawn Tractor -PC2056 ELECTROMAGNETIC PTO ...

John Deere 170 175 180 185 Lawn Tractor Parts Manual PC-2056 Garden Yard  Mower | eBay

John Deere 170 175 180 185 Lawn Tractor Parts Manual PC-2056 Garden Yard Mower | eBay

D170 Owner Information | Parts & Service | John Deere CA

D170 Owner Information | Parts & Service | John Deere CA

2011 John Deere D170 Review | Tractor News

2011 John Deere D170 Review | Tractor News

John Deere D170 100 Series Tractor Material Collection System ...

John Deere D170 100 Series Tractor Material Collection System ...

OPERATOR'S MANUAL

OPERATOR'S MANUAL

SOLVED: Belt diagram for 170 john Deere 37 inch cut - Fixya

SOLVED: Belt diagram for 170 john Deere 37 inch cut - Fixya

John Deere E170 25-HP V-twin Side By Side Hydrostatic 48-in ...

John Deere E170 25-HP V-twin Side By Side Hydrostatic 48-in ...

Replaces Fuel Pump For John Deere D170 Lawn Tractor - Mower ...

Replaces Fuel Pump For John Deere D170 Lawn Tractor - Mower ...

John Deere Parts Diagrams, John Deere 170 Lawn Tractor -PC2056

John Deere Parts Diagrams, John Deere 170 Lawn Tractor -PC2056

John Deere 170 Lawn Tractor -PC2056 STATOR,SPARK PLUG,ENGINE ...

John Deere 170 Lawn Tractor -PC2056 STATOR,SPARK PLUG,ENGINE ...

John Deere 170 lawn mower in Gravois Mills, MO | Item E2018 ...

John Deere 170 lawn mower in Gravois Mills, MO | Item E2018 ...

John Deere Parts Lookup -170 Lawn Tractor -PC2056

John Deere Parts Lookup -170 Lawn Tractor -PC2056

I have a deere 170 lawn tractor was running fine. Sat for 2 ...

I have a deere 170 lawn tractor was running fine. Sat for 2 ...

John Deere 170 Lawn Tractor -PC2056 Mower Deck Idlers 38 ...

John Deere 170 Lawn Tractor -PC2056 Mower Deck Idlers 38 ...

0 Response to "38 john deere 170 lawn tractor parts diagram"

Post a Comment

Iklan Atas Artikel

Iklan Tengah Artikel 1

Iklan Tengah Artikel 2

Iklan Bawah Artikel