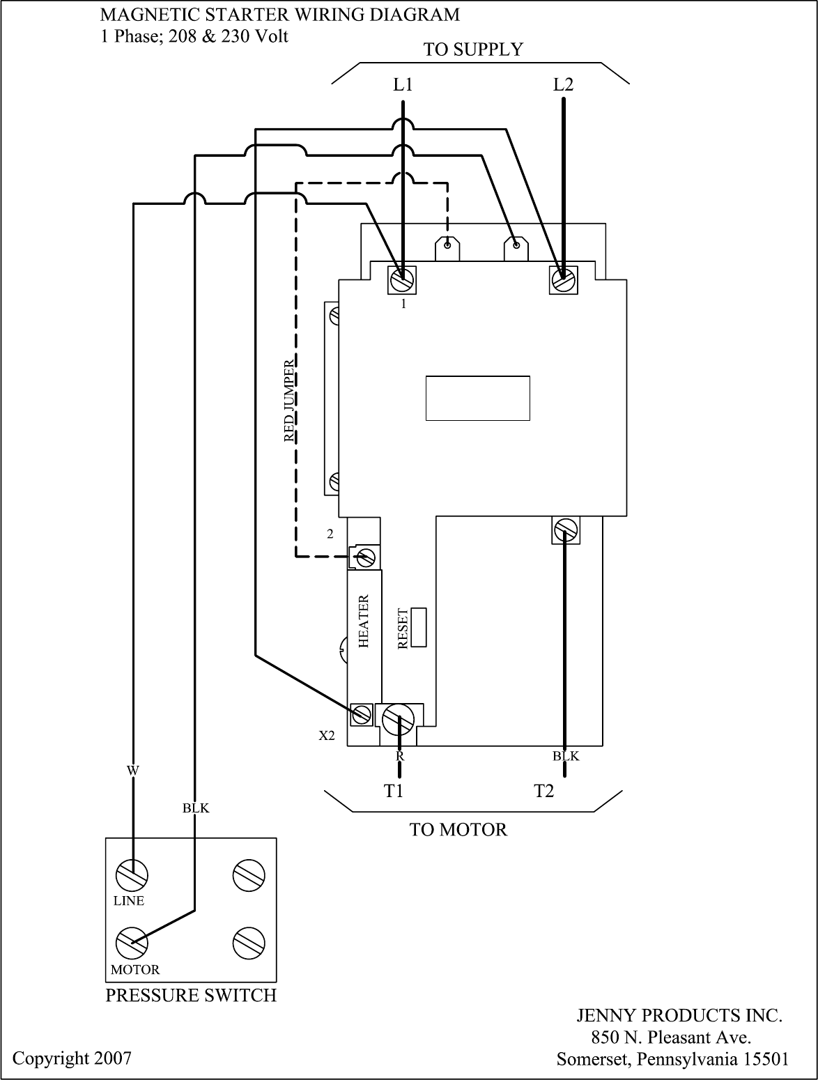
39 air compressor wiring diagram 230v 1 phase
SULLAIR RC SERIES USER & SERVICE MANUAL Pdf Download ... Page 105 5.53 WIRING DIAGRAM—RC 150-250 (115/220/1 50/60 AC) Compressor overload protection Control circuit protector Electronic drain supply Timer relay Economizer relay Compressor motor relay Water motor relay Compressor starting relay Main switch Fan pressure switch High pressure switch Water low pressure switch Compressor motor Fan motor ... ELGI EG SERIES OPERATION AND MAINTENANCE MANUAL Pdf ... Page 1 EG SERIES ELECTRIC POWERED SCREW AIR COMPRESSOR EG 11 to EG 22 (15 HP to 30 HP) Standard and Standard + VFD 208 - 230V / 460V, 3Ph, 60Hz OPERATION AND MAINTENANCE MANUAL...; Page 2 Part / Document No. 019400022 Rev R08 Print Status April 2017...; Page 3 List of Contents OPERATION AND MAINTENANCE MANUAL Introduction …
Homepage | IEC IEC helps governments and regulators ensure that laws and regulations remain state-of-the-art. IEC programmes can help developing countries participate in the global market. Many of today's students will become the decision-makers of tomorrow so it is important that they are aware of the benefits of standardization.

Air compressor wiring diagram 230v 1 phase
Snap On Air Compressors 15/05/2015 · 7 HP, 230V 1-Phase Baldor motor on 80-gallon Snap-On compressor started buzzing/stalling for about 1-1.5 seconds when it kicks on. Replaced the two capacitors, but that did not cure it. Spec sheet lists “mag starter,” is this an internal centrifugal switch that switches it from start to run windings as it starts up? Could that be the issue? Do you know of any … Water Pump Wiring Troubleshooting & Repair Pump Wiring ... Well pump wiring diagnosis & repair: this article describes troubleshooting a submersible well pump that was causing tripped circuit breakers and that pumped water only at a slow, reduced rate and pressure. Ultimately using some simple electrical tests the homeowner traced the water pump problems to a nicked well pump wiring circuit wire. Thank you for your interest in - wohnart-coesfeld.de Questions & Answers Air Compressor Diagram Need motor capacitors for Craftsman air compressor model 919 167340 The part you described does not appear in the parts list for this model. DESCRIPTION service kit. Craftsman 919150280 air compressor parts - manufacturer-approved parts for a proper fit every time!ONLINE BOOK Craftsman Air Compressor Model …
Air compressor wiring diagram 230v 1 phase. Ingersoll Rand Air Compressors - Information, Manuals ... 10/02/2019 · Wiring diagram for Ingersoll Rand 7.5 HP capacitors. The motor and the capacitors were already disconnected from each other and the motor. Information on an Ingersoll Rand ra250e20 air compressor. Obtained an RA250E20 compressor. It runs fine, but needs a few maintenance items. Ingersoll Rand SS5 troubleshooting issues. The Ingersoll Rand SS5 is not … RXSQ24-60TAVJU - Daikin AC 1. Features and Benefits Re-inventing residential air-conditioning by breaking technological barriers, LIFE TMVRV brings inverter driven VRV to solve some of the age-old single-family HVAC challenges. • Available in 2, 3, 4 and 5 ton models • Superior zoning capabilities with 1 to 1 and 1 to multi connections Product Data - Trane ©2020 Trane 22-1900-1H-EN SAFETY SECTION Important — This document contains a wiring diagram, a parts list, and service information. This is customer property and is to remain with this unit. Please return to service information pack upon completion of work. How to Wire a Single-Phase 230V Motor | Hunker Single-phase motors are used to power everything from fans to shop tools to air conditioners. Residential power is usually in the form of 110 to 120 volts or 220 to 240 volts. Wiring a motor for 230 volts is the same as wiring for 220 or 240 volts. Some motors allow both 120-volt and 240-volt wiring by providing a combination of wires for doing so.
› 3450rpm-Frame-Volts-Replacement5 HP SPL 3450rpm P56 Frame 230 Volts Replacement Air ... baldor 5hp air compressor electric motor, 56hz frame, 3450rpm, 208/230v, single-phase, 7/8" shaft, 1.15 service factor made in usa 4.5 out of 5 stars 127 3 offers from $374.95 fix-my-compressor.com › air-compressor-problemsAir Compressor Problems And Fixes - Fix My Compressor 1) Air compressor – 2019 Ingersoll Rand vertical 80 gallon two stage, 5hp 230v. continuous duty at 175psi. 2) Aftercooler manifold – 3/4″ type “L” copper piping, 72′ total run ( See attached picture) 3) Air line from aftercooler manifold – 3/4″ type “L” copper, 20′ total run. ACT125 US Motors 1 1/4 hp 3450 RPM 56J 115/230V Pool … 1.25 THP 3450 RPM 56J, 11.4/5.7 amps, 115/230V 60hz. Capacitor Start/Run, NEMA 56J frame (no base), 5/8" diameter threaded stainless steel shaft, Overload Protection: Auto - Service Factor 1.0, Class B insulation, Non-Reversible - CCW Rotation facing the shaft, C-Face Mount, Ball Bearings, Open Drip Proof (ODP) Swimming pool pump motor. Commonly found on in-ground pool pumps such as Hayward ... Thank you for your interest in - wohnart-coesfeld.de Questions & Answers Air Compressor Diagram Need motor capacitors for Craftsman air compressor model 919 167340 The part you described does not appear in the parts list for this model. DESCRIPTION service kit. Craftsman 919150280 air compressor parts - manufacturer-approved parts for a proper fit every time!ONLINE BOOK Craftsman Air Compressor Model …
Water Pump Wiring Troubleshooting & Repair Pump Wiring ... Well pump wiring diagnosis & repair: this article describes troubleshooting a submersible well pump that was causing tripped circuit breakers and that pumped water only at a slow, reduced rate and pressure. Ultimately using some simple electrical tests the homeowner traced the water pump problems to a nicked well pump wiring circuit wire. Snap On Air Compressors 15/05/2015 · 7 HP, 230V 1-Phase Baldor motor on 80-gallon Snap-On compressor started buzzing/stalling for about 1-1.5 seconds when it kicks on. Replaced the two capacitors, but that did not cure it. Spec sheet lists “mag starter,” is this an internal centrifugal switch that switches it from start to run windings as it starts up? Could that be the issue? Do you know of any …
0 Response to "39 air compressor wiring diagram 230v 1 phase"
Post a Comment