Iklan 300x250

42 2004 chevy cavalier steering column diagram

FIAT - Car PDF Manual, Wiring Diagram & Fault Codes DTC FIAT Car Manuals PDF & Wiring Diagrams above the page - 600, Grande Punto, Uno, 500, Ducato, Scudo; FIAT Cars EWDs - 124 Spider, Cinquecento, 1500, Punto, Ducato, 500, Uno, Bravo; FIAT OBDII Fault Codes DTC.. The first car under the brand FIAT was released sometime in 1901. Designed by a talented engineer Faccioli, a car like the coach, was equipped with a 2 … 2004 Chevy Cavalier Low Beam Headlight Wont Come On The drl and low beam splice into the same circuit for ground. There are two ways for the low beam to ground, one is through the drl relay and the other is through the headlamp/dimmer switch. I can't tell if the switch has a problem or wiring circuit in the steering column. At the headlamp, dark blue wire is ground for low beam.

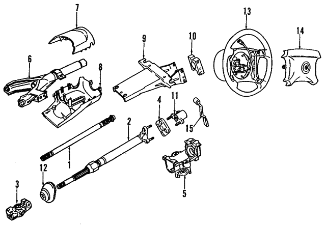
Heater Core Replacement: How Do You Replace a ... - 2CarPros Steering wheel to the steering column Steering wheel-to-steering column nut and torque the nut to 30 ft. lbs. (41 Nm) Electrical connector and install the SIR module SIR module-to-steering wheel screws and torque the screws to 89 inch lbs. (10 Nm) Refill the cooling system. Connect the negative battery cable.

2004 chevy cavalier steering column diagram

2004 chevy cavalier steering column diagram

PORSCHE - Car PDF Manual, Wiring Diagram & Fault Codes DTC PORSCHE Car Manuals PDF & Wiring Diagrams above the page - Boxster, Cayenne, Cayman, Panamera, 911 Carrera, 924, 928, 944; Porsche EWDs; PORSCHE Cars Fault Codes DTC.. The history of the German Porsche brand began in 1931 when Ferdinand Porsche, a well-known designer of the time, who worked at Auto Union and Daimler, decided to establish his own car … PDF 2004 Chevy Cavalier Steering Column Diagram chevy cavalier horn relay location best place to find. 2004 chevrolet cavalier vehicle wiring chart and diagram. 2004 chevy cavalier steering column diagram fixya. 2004 chevy cavalier transmission diagram - roshdmag org. 2004 chevy cavalier steering column diagram electricity site. how to install the upper steering shaft on 2004 chevrolet. Steering Column for 2004 Chevrolet Silverado - All Used Parts Speak with one of our experts 1-844-211-6126 Description Warranty Shipping Returns This is an original used OEM Steering Column that's guaranteed to fit a 2004 Chevrolet Silverado with the applicable vehicle manufacturer's specifications (). BASE, 4DR, 522, TAN, AUTO, COL COLUMN SHIFT; W/RADIO CONTROL (OPT UK3) Less Details 1

2004 chevy cavalier steering column diagram. 2004 Chevy Cavalier Replacement Steering Rack & Pinion ... Chevy Cavalier 2004, Front Rack and Pinion Bellow Kit by Mevotech®. Quantity: 1 per Pack. If you need to restore your vehicle to its original steering efficiency, go with Mevotech steering parts to keep on the safe side. Get connected... OE-quality replacement to stabilize your vehicle Will help restore accurate steering and quick response 2000 Chevy S10 Headlight Wiring Diagram - Diagram Niche Ideas Za 6040 2004 Chevrolet Cavalier Stereo Wiring Diagram. Diagram 2000 Chevy S10 Headlight Wiring Diagram Full Version. Hn 4500 2000 Blazer 4x4 Wiring Diagram Wiring Diagram. ... Diagram 2000 Chevy S10 Steering Column Wiring Diagram Full. Chevrolet Cavalier Steering Column Components | Advance ... Your first stop should be Advance Auto Parts with an inventory of 3 Steering Column Components parts for your Chevrolet Cavalier. That inventory means we either have the exact brand part you need, or plenty of options to compare. Our Steering Column Components OEM and aftermarket parts range from $28.99 to $30.49 for the Chevrolet Cavalier. 2004 Chevrolet Cavalier Vehicle Wiring Chart and Diagram Also found at BCM. [3] The green/black is located in the lower drivers kick panel. It catches the drivers door only. The light blue is located in the lower passenger kick panel, and catches the passenger door(s). Tap both wires and diode isolate each. Also found at BCM. [4] The BCM is located to the left of the steering column above the kick panel.

2004 Chevy Silverado Heater Hose Diagram - Diagram Niche Ideas It says to cut the heater inlet hose and install a tee. 16—heater hose routing (chevy ii). Silverado 2007 climate control system (heater only). How do i remove a steering column on a 2004 chevy cavalier. What weight oil used for 2004 chevy silverado the standered is usually 5 w 30. 41 2004 chevy cavalier steering column diagram - Diagram ... 2004 Chevy Silverado Heater Hose Diagram - Diagram Niche Ideas It says to cut the heater inlet hose and install a tee. 16—heater hose routing (chevy ii). Silverado 2007 climate control system (heater only). How do i remove a steering column on a 2004 chevy cavalier. What weight oil used for 2004 chevy silverado the standered is usually 5 w 30. 2004 Chevrolet Cavalier Installation Parts, harness, wires ... CHEVROLET CAVALIER 2004 Speakers Front Door 4 x 6 Rear Deck 6 x 9 Dash Disassembly Photos We Install at Our Houston Store! Since 1990 Check These Out! SPEAKER_HARDWARE INSTALL-BAY VXT69 Accoustic 6x9 $16.50 VIDEO RYDEEN TOY-TUN1 TOYOTA TUNDRA 2007-2017 $229.99 MOUNTS PANAVISE 75138-194 2004 chevy cavalier steering column diagram - Fixya Install the dampener and the upper and lower steering column covers. If equipped, attach the tilt lever to the column. Install the steering wheel, then fasten the horn pad. If equipped, enable the SIR system, as outlined in of this repair guide. Connect the negative battery cable. Nov 15, 2009 • 1994 Chevrolet Cavalier Open Questions: 0 answers

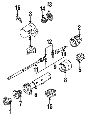
Chevrolet Cavalier Steering Column | Used Auto Parts Find a quality Chevrolet Cavalier Steering Column and other used Auto parts from the top auto salvage yards. We have the largest selection of Chevrolet Cavalier Steering Column parts at discount prices. ... 2004 CAVALIER Steering Column: AT,FWD,BLK,ML,T-C-D-K,FLR,Bucket Floor Shift, tilt wheel: 75000: 170167: $65.14: B & C Auto Wreckers 855-890 ... What is the fuse box diagram for a Chevy Cavalier ... These diagrams include: Access our Chevy Cavalier and Pontiac Sunfire 1995-2000 Wiring Diagrams Repair Guide by creating an account or signing into your AutoZone Rewards account. Once you sign in, follow these instructions to access our Repair Guides. 42 2004 chevy cavalier steering column diagram - Wiring ... Chevrolet Cavalier STEERING COLUMN/STANDARD Diagram of OEM STEERING COLUMN/STANDARD. Contains 20 parts priced between $4.15 and $275.25. Fits Chevrolet Cavalier. FLOOR SHIFT. Part included in column assembly. Part serviced with steering column. Steering Shaft Washer . How do i remove a steering column on a 2004 chevy cavalier ... Put the keys in. Now as you try to turn the key, turn the steering wheel more in the direction the front wheels are already facing. There should be some play in that direction. As you are holding the wheel hard over and working the key, at the same time try moving the cylinder in and out slightly. This always works for me. Good luck Mike

SOLVED: Diagram of 1993 s-10 steering column - Fixya

SOLVED: Diagram of 1993 s-10 steering column - Fixya

I have a 2004 Cavalier. The steering column won't stay ... Chevrolet Cavalier LS: I have a 2004 Cavalier. The steering… I have a 2004 Cavalier... I have a 2004 Cavalier. The steering column won't stay locked in place. When I push the steering wheel up the lock lever moves to the forward locked position, but doesn't lock. When I pull the wheel down the lock lever moves towards me to the normal ...

Buy Chevrolet GM OEM 01-04 Cavalier Console-Shift Knob ...

Buy Chevrolet GM OEM 01-04 Cavalier Console-Shift Knob ...

2004 Chevy Cavalier: pins..steering column..the steering ... The pressed in pins on my 2004 Chevy Cavalier steering column have backed out and the steering wheel is loose. These are the pins that allow the steering wheel to pivot up and down. This is a very serious problem and I do not understand how these pins were design to stay in for an extended length of time.

Page 27 – Sparky's Answers

Page 27 – Sparky's Answers

Chevy Steering Column Wiring Diagram - Studying Diagrams Below are several of the leading drawings we receive from different resources we hope these photos will serve to you and also with any luck really relevant to what you want about the gm tilt steering column wiring diagram is. 517 424-7293 INSTALLATION INSTRUCTIONS FOR PART NUMBERS.

2004 Chevrolet Cavalier : tail light swap out | House of Woogeroo

2004 Chevrolet Cavalier : tail light swap out | House of Woogeroo

› holdenHOLDEN - Car PDF Manual, Wiring Diagram & Fault Codes DTC Hello, I’am looking for a steer wheel electrical circuit diagram for my 2004 Chevy suburban 5.3L 4wd Z-71 series 1500 CK-15906. Looking for the pin out diagram so that I can replace my wires back into the proper holes. Thank you for any help. #509. Edwin tejeda (Tuesday, 22 March 2022 19:41)

Mercedes-Benz Remove the Steering Wheel

Mercedes-Benz Remove the Steering Wheel

2002 Chevy Silverado Ignition Wiring Diagram - U Wiring I have a remote starter kit but the wire colors dont match up. Use for soldering 2003 chevrolet cavalier alarm remote start wiring chevrolet cavalier 1991 2004 shield tech security 97 chevy cavalier wiring diagram qiber net 01 gm 3 8 engine diagram qiber net 98 cavalier thermostat location best place to. I checked wiring diagrams and found that.

5 Symptoms of a Bad Intermediate Steering Shaft (and ...

5 Symptoms of a Bad Intermediate Steering Shaft (and ...

Exhaust Components for 2004 Chevrolet Cavalier | GM Parts ... Exhaust Manifold 2.2L & 2.4L, 2002-05. Cobalt. 2.2l. Saturn. 2.2l. Vue. 2.2l. Sedan, 2.2L. Auto trans. HHR. 2.2l. Coupe, 2.2L, federal.

Chevrolet Cavalier 2004 – 2004 GENERAL MOTORS Cavalier ...

Chevrolet Cavalier 2004 – 2004 GENERAL MOTORS Cavalier ...

2004 Chevrolet Cavalier Car Alarm Wiring Diagram ... Whether your an expert installer or a novice enthusiast with a 2004 Chevrolet Cavalier, an automotive wiring diagram can save yourself time and headaches. One of the most time consuming tasks with installing a car alarm, remote car starter, car security system or any mobile electronics is identifying the correct wires for a 2004 Chevrolet Cavalier.

2004 chevy cavalier front suspension diagram - Fixya

2004 chevy cavalier front suspension diagram - Fixya

12 Complaints: 2004 Chevrolet Cavalier Steering Problems I've owned the 2004 Chevrolet Cavalier since it had 2000 miles. It currently has around 85000. When driving vehicle in April of 2017 a greasy bolt came flying out of the steering column area.

1986 Honda Prelude Steering Wheel | Lowest Price at HondaPartsNow

1986 Honda Prelude Steering Wheel | Lowest Price at HondaPartsNow

PDF CHEVROLET CAVALIER 1991-2004 - shieldtechsecurity.com HORN TRIGGER (-) BLACK Harness At Steering column LEFT FRONT WINDOW UP DARK BLUE At Motor Inside Driver's Door LEFT FRONT WINDOW DOWN BROWN At Motor Inside Driver's Door RIGHT FRONT WINDOW UP BLUE/WHITE Harness In Driver's Kick Panel From Driver Door RIGHT FRONT WINDOW DOWN TAN Harness In Driver's Kick Panel From Driver Door

Steering Column Assembly for 1993 Chevrolet Corsica | OEM Parts

Steering Column Assembly for 1993 Chevrolet Corsica | OEM Parts

2003 Chevy Cavalier Parts Diagram | Automotive Parts ... Description: 2003 Chevrolet Cavalier Parts - pertaining to 2003 Chevy Cavalier Parts Diagram, image size 600 X 384 px, and to view image details please click the image.. Actually, we have been remarked that 2003 chevy cavalier parts diagram is being just about the most popular field right now. So we attempted to locate some good 2003 chevy cavalier parts diagram picture for you.

921E) - WHEEL LOADER TIER 3 (NA/EU) (2/07-12/11) (04 ...

921E) - WHEEL LOADER TIER 3 (NA/EU) (2/07-12/11) (04 ...

› chevroletCHEVROLET - Car PDF Manual, Wiring Diagram & Fault Codes DTC Hello, I’am looking for a steer wheel electrical circuit diagram for my 2004 Chevy suburban 5.3L 4wd Z-71 series 1500 CK-15906. Looking for the pin out diagram so that I can replace my wires back into the proper holes. Thank you for any help. #509. Edwin tejeda (Tuesday, 22 March 2022 19:41)

Diagram Search for Ferrari 512 TR - Ferrparts

Diagram Search for Ferrari 512 TR - Ferrparts

2004 Chevy Cavalier Steering Columns, Shafts, Parts ... Chevy Cavalier 2004, Adjustable Steering Floor Mount by ididit®. Quantity: 1 per Pack. Mounting slots are set 5 1/4 in apart. Each dash mount has two clamp bolts located on either side and when removed will separate the drop halves... Made to ensure precise steering Designed to add a unique personal touch $102.57 1 - 4 of 4 results department

GROUND DISTRIBUTION – Chevrolet Cavalier 2004 – SYSTEM WIRING ...

GROUND DISTRIBUTION – Chevrolet Cavalier 2004 – SYSTEM WIRING ...

Steering Column for 2004 Chevrolet Silverado - All Used Parts Speak with one of our experts 1-844-211-6126 Description Warranty Shipping Returns This is an original used OEM Steering Column that's guaranteed to fit a 2004 Chevrolet Silverado with the applicable vehicle manufacturer's specifications (). BASE, 4DR, 522, TAN, AUTO, COL COLUMN SHIFT; W/RADIO CONTROL (OPT UK3) Less Details 1

Bulldog Security Diagrams

Bulldog Security Diagrams

PDF 2004 Chevy Cavalier Steering Column Diagram chevy cavalier horn relay location best place to find. 2004 chevrolet cavalier vehicle wiring chart and diagram. 2004 chevy cavalier steering column diagram fixya. 2004 chevy cavalier transmission diagram - roshdmag org. 2004 chevy cavalier steering column diagram electricity site. how to install the upper steering shaft on 2004 chevrolet.

Ignition Lock for 2004 Chevrolet Cavalier | GM Parts Online

Ignition Lock for 2004 Chevrolet Cavalier | GM Parts Online

PORSCHE - Car PDF Manual, Wiring Diagram & Fault Codes DTC PORSCHE Car Manuals PDF & Wiring Diagrams above the page - Boxster, Cayenne, Cayman, Panamera, 911 Carrera, 924, 928, 944; Porsche EWDs; PORSCHE Cars Fault Codes DTC.. The history of the German Porsche brand began in 1931 when Ferdinand Porsche, a well-known designer of the time, who worked at Auto Union and Daimler, decided to establish his own car …

Pump & Hoses for 1997 Chevrolet Cavalier | GMPartsDirect.com

Pump & Hoses for 1997 Chevrolet Cavalier | GMPartsDirect.com

2002-2005 F-250 and F-350 Remote Start Pictorial

2002-2005 F-250 and F-350 Remote Start Pictorial

Steering Column Assembly for 1990 Chevrolet Cavalier | GMPartsNow

Steering Column Assembly for 1990 Chevrolet Cavalier | GMPartsNow

Ignition Switch Replacement & St Column -Interior | Chevy ...

Ignition Switch Replacement & St Column -Interior | Chevy ...

How do I remove the steering rack in a 2000 Chevy Cavalier?

How do I remove the steering rack in a 2000 Chevy Cavalier?

Untitled

Untitled

Chevrolet Cavalier Steering Column Cover

Chevrolet Cavalier Steering Column Cover

How to Fix Loose Saturn Tilt Steering Column

How to Fix Loose Saturn Tilt Steering Column

Illustrated tilt steering column disassembly

Illustrated tilt steering column disassembly

The Virgo/Libra Steam Engine Congratulations on becoming the ...

The Virgo/Libra Steam Engine Congratulations on becoming the ...

2004 Chevrolet Cavalier : auto. trans. shifter cable bushing ...

2004 Chevrolet Cavalier : auto. trans. shifter cable bushing ...

How to Replace a Steering Column Actuator | YourMechanic Advice

How to Replace a Steering Column Actuator | YourMechanic Advice

How to Replace the Starter on a Chevy Cavalier: 9 Steps

How to Replace the Starter on a Chevy Cavalier: 9 Steps

1988-1994 Chevrolet Cavalier Ignition Switch (Lock Cylinder ...

1988-1994 Chevrolet Cavalier Ignition Switch (Lock Cylinder ...

Chevy Cavalier Steering Column Tilt Wheel Floor Shift Pontiac ...

Chevy Cavalier Steering Column Tilt Wheel Floor Shift Pontiac ...

1988-1994 Chevrolet Cavalier Ignition Switch (Lock Cylinder ...

1988-1994 Chevrolet Cavalier Ignition Switch (Lock Cylinder ...

Ignition Switch - 2004 Chevrolet Cavalier | O'Reilly Auto Parts

Ignition Switch - 2004 Chevrolet Cavalier | O'Reilly Auto Parts

Bulldog Security Diagrams

Bulldog Security Diagrams

Chevrolet Truck Parts | Interior Hard Parts | Steering Wheel ...

Chevrolet Truck Parts | Interior Hard Parts | Steering Wheel ...

5 Symptoms of a Bad Steering Column (and Replacement Cost in ...

5 Symptoms of a Bad Steering Column (and Replacement Cost in ...

How to fix the steering wheel column Chevy cavalier 95

How to fix the steering wheel column Chevy cavalier 95

Genuine OE BMW Steering Wheel - 32-33-9-058-655

Genuine OE BMW Steering Wheel - 32-33-9-058-655

Chevrolet Cavalier Questions - How To Repair My Shifter ...

Chevrolet Cavalier Questions - How To Repair My Shifter ...

GM Passlock Security Fix

GM Passlock Security Fix

I have a 2002 Cavalier, 2 door, 2.2 liter non ecotec. I took ...

I have a 2002 Cavalier, 2 door, 2.2 liter non ecotec. I took ...

Bad Ignition Switch: Hi, My Ignition Switch Needs to Be ...

Bad Ignition Switch: Hi, My Ignition Switch Needs to Be ...

Chevrolet Silverado 1999-2006: How to Replace Clunking ...

Chevrolet Silverado 1999-2006: How to Replace Clunking ...

0 Response to "42 2004 chevy cavalier steering column diagram"

Post a Comment

Iklan Atas Artikel

Iklan Tengah Artikel 1

Iklan Tengah Artikel 2

Iklan Bawah Artikel