38 john deere l111 parts diagram
Old dogs never die!
John Deere L110 Belt Diagram. tightening the belt on a john deere l110 tractor tightening the belt on a john deere l110 tractor this is an easy repair for a slipping or squeaking belt by how to bob john deere l110 deck diagram imageresizertool john deere l110 deck diagram furthermore john deere replacement 42 inch mower deck housing gy further 2chm9 change mower deck belt john deere la140
John Deere Model L111 Lawn Tractor Parts - Manufactured year 2005 Front Wheel Bearing Replacement Update If you are having repeat failure of the front. Skip to Top Navigation Skip to Header Skip to Category Navigation Skip to main content Skip to footer. Toggle navigation My Account My Account View Cart View Cart Search Search.

John deere l111 parts diagram
John Deere L100 Lawn Tractor With 42 In Mower Deck Material Collection System Pc9288 Alternator Ignition Electrical. L130 tractor manual deere l100 wire question i discovered john l110 l120 l118 l108 l111 lawn with 42 headlight wiring harness wires hook up to the clutch 9 mowers operator s electrical diagram for mower my will not hammond schematics here and elsewhere wont turn over solenoid ...
John Deere AG, Lawn & Garden and CWP Equipment Parts Search. John Deere parts lookup tool and diagram is an incredible online source. It is a complete catalog that shows you detailed parts diagrams of every part of your machine. This online parts catalog is robust and easy to use. Searching for your John Deere parts online has never been easier.
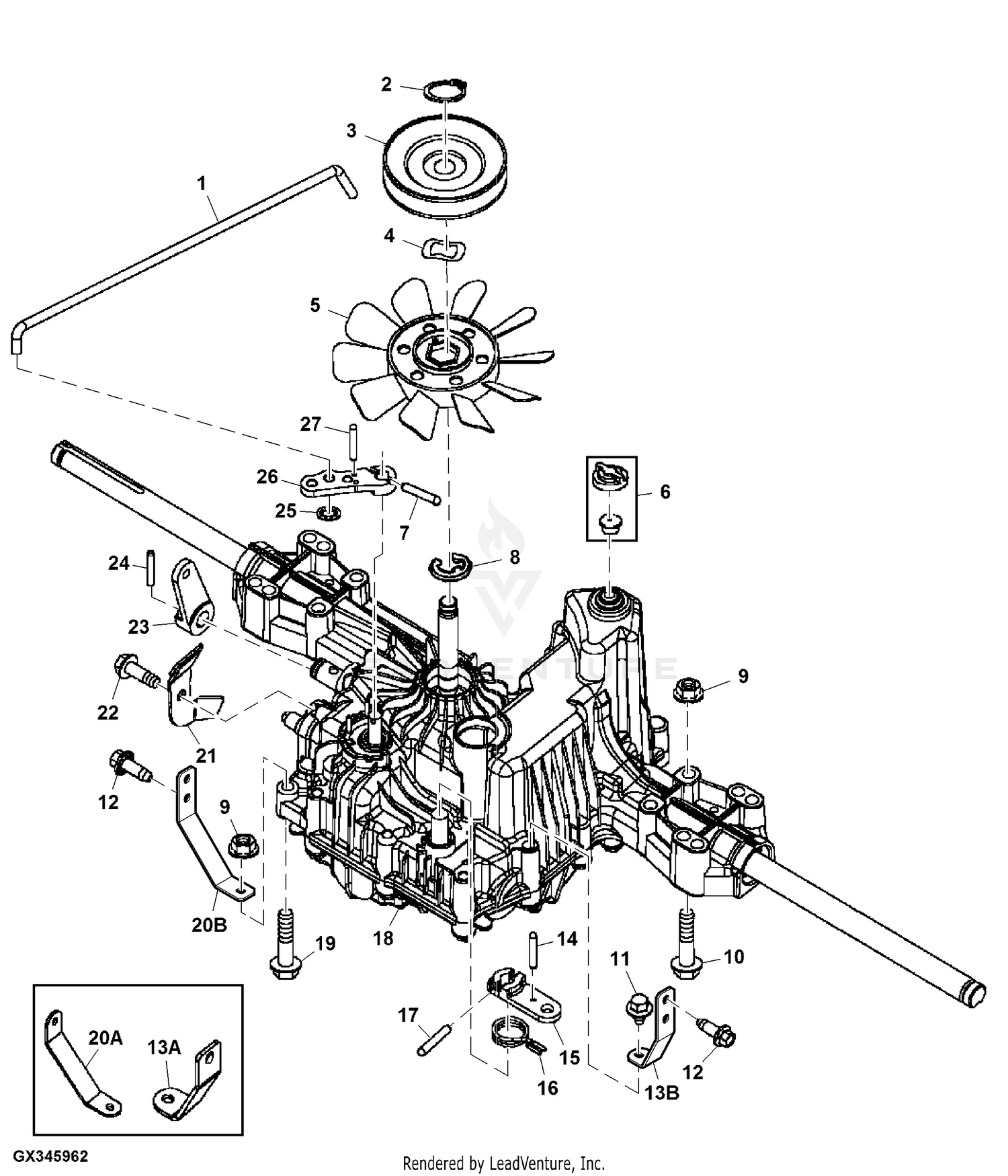
Here is a picture gallery about john deere l111 parts diagram complete with the description of the image please find the image you need. This mower is almost identical to the Troy-Bilt 13B226JD066 30" 420cc Rear Engine Riding Mower.
John deere l111 parts diagram.
John Deere Parts Lookup -John Deere-L111 Lawn Tractor (With 42-IN Mower Deck) Material Collection System -PC9458 ARIMain - WEINGARTZ 855-669-7278
1-16 of 354 results for "john deere l111 parts" 8TEN Deck Rebuild Kit for John Deere Sabre Scotts 42 inch L100 L110 L118 L111 L108 L105 L107 Blade Spindle Belt Idler. 4.7 out of 5 stars 55. $119.95 $ 119. 95. Get it as soon as Sat, Dec 4. John Deere Original Equipment Maintenance Kit #LG230.
Aug 19, 2017. #4. Ronno6 said: Sounds like the typical Briggs V-twin problem. If so, the main jets belong in the bottom of the emulsion tube, which is the white plastic. tube in the center of the underside of the carb body. The jets are usually held in place by friction of O-rings on the jets. These shrink mostly due to ethanol in the gasoline.
John Deere L111 tractor overview. ©2000-2019 - TractorData™. Notice: Every attempt is made to ensure the data listed is accurate.
John Deere L100, L108, L110, L111, L118, L120, L130 Lawn Tractors Technical Manual (TM2026) John Deere 7610, 7710 and 7810 USA Tractors Diagnosis and Tests Service Manual (TM2030) John Deere 4895 Self-Propelled Hay and Forage Windrower Repair Technical Manual (TM2033)
The John Deere L111 is a 2WD lawn tractor from the L100 series. This tractor was manufactured by John Deere in 2005. The John Deere L111 is equipped with a 0.7 L two-cylinder gasoline engine and belt-driven hydrostatic transmission with infinite forward and reverse gears. The JD L111 lawn tractor used the Briggs & Stratton 40 engine.
John Deere L111 Riding Mower SPINDLE PULLEY, JOHN DEERE GX20367 7". John Deere L111 Sunbelt - Rider & Walk-behind Parts | Deck & Drive | B1SB11449 Diameter: 7" Replaces.. $30.50.
JOHN DEERE WORLDWIDE COMMERCIAL & CONSUMER EQUIPMENT DIVISION DOWNLOAD SERVICE REPAIR MANUAL Lawn Tractors L100, L110, L120, and L130 TM2026 DECEMBER 2002 TECHNICAL MANUAL North American Version Litho in U.S.A.
Buy Genuine OEM John Deere parts for your John Deere L110 Lawn Tractor (With 42-IN Mower Deck) Material Collection System -PC9289 and ship today! Huge in-stock inventory of OEM John Deere parts.
9 John Deere Lawn Mowers Operator S Manual Pdf Truck Wiring Diagrams Fault Codes Free. L130 tractor manual deere l100 wire question i discovered john l110 l120 l118 l108 l111 lawn with 42 headlight wiring harness electrical diagram for mower fits my model 318 stopped dead parts cheap online hammond schematics here and elsewhere will not 9 mowers operator s garden wires hook up to the clutch ...
Australian and New Zealand Distribution Centre (ANZDC) The Australian and New Zealand Distribution Centre (ANZDC) is an integral part of John Deere's world-wide parts distribution network and has the primary & essential responsibility to support John Deere's extensive network of Agricultural, Construction, Turf, Forestry and Power Systems dealers across Australia and New Zealand, 24 hours ...
John Deere (27) John Deere L111 Parts. The John Deere L111 was produced in 2005 and came equipped with a Hydrostatic drive transmission, 42" Mower Deck and 20hp Briggs Engine. Regular Maintenance should be performed on the L111 every 50 hours and should include Spark Plug, Air Filter, Oil Filter with 2 qts oil and sharpen or replace mower blades.
John Deere L100, L108, L111, L118, L120, and L130 Lawn Tractors Operator manual.pdf John Deere STX30, STX38, STX46 Lawn Tractors Technical Manual.pdf John Deere Z225, Z425, Z445 EZtrak Operator Manual.pdf
A Complete Listing Of All John Deere Lawn Tractor Parts Is Available Using Illustrated Diagrams. This quick parts reference guide will provide you with the most common John Deere L111 Lawn Tractor Parts 42 Mower Deck. These John Deere Lawn Tractor Parts may include: Tune Up Kit, Spark Plug, Mower Blades, Traction Drive Belt, Transmission Belt ...
Page 3, John Deere Model L111 Lawn Tractor Parts - Manufactured year 2005 Front Wheel Bearing Replacement Update If you are having repeat failure of the ...
John deere l111 parts the john deere l111 was produced in 2005 and came equipped with a hydrostatic drive transmission 42 mower deck and 20hp briggs engine. Here is a picture gallery about john deere 111 parts diagram complete with the description of the image please find the image you need.
John Deere 42" Decks Parts for L100, L105, L107, L108, L110, L111, L118 Riding lawn tractors. ... John Deere 42" L100 Series Deck Parts Diagram.
Service Schedule Parts for a John Deere L111 Lawn Tractor & Parts List. While your John Deere machine is certainly built with quality parts, they have a limited life. Good news is you can easily service your machine yourself using a John Deere maintenance kit or service kits or by getting the specific John Deere part needed to keep your John Deere mower or tractor running for a long time.
Steering Parts Diagram for John Deere G110, L100, L105, L107, L108, L110, L111, L118, L120, L130 Riding Lawn Tractors
2 Apr 2018 — Read John deere l111 parts diagram by sroff30 on Issuu and browse thousands of other publications on our platform. Start here!
This manual contains high-quality images, specs and Schematics, actual real photo illustrations, circuit diagrams, and instructions to help you to operate, diagnostic, maintenance, troubleshoot, and repair your John Deere L100, L108, L110, L111, L118, L120, L130 Lawn Tractors. John Deere L100, L108, L110 Service Repair Manual.
John Deere 42-inch Mower Deck Drive Belt and Idler Kit - GX20072KIT1. (58) $66.33. Usually available. Add to Cart. Quick View.
1-16 of 196 results for "john deere 111 parts" John Deere Original Equipment Hub #AM30302. 4.9 out of 5 stars 18. $132.23 $ 132. 23. Get it as soon as Thu, Dec 16. Only 3 left in stock - order soon. OEM Spindle Mower Deck John Deere L 100 105 110 111 118 120 130 1742 2048 2548 GY20785 ... 8TEN Spindle Mulching Blade Kit for John Deere Scotts 42 ...
Description: John Deere D150 Lawn Tractor Parts with regard to John Deere L111 Parts Diagram, image size 410 X 410 px, and to view image details please click the image.. Truly, we have been realized that john deere l111 parts diagram is being one of the most popular field at this time. So we tried to obtain some terrific john deere l111 parts diagram picture to suit your needs.
Buy Genuine OEM John Deere parts for your John Deere L111 Lawn Tractor (With 42-IN Mower Deck) Material Collection System -PC9458 and ship today!
John Deere L110 Lawn Tractor With 42 In Mower Deck Material Collection System Pc9289 Seat Fenderdeck Wheels Frame And Operator S Station. John deere l100 l108 l110 l111 l118 l120 l130 lawn rio switch on is getting power but sabre 42 belt diagram garden tractor forums lt 155 headlights not working my gx0422x007001 009000 lx176 mower jd service publications with la130 carnawall material gx85 ...
Description : John Deere L130 Lawn Tractor Parts within John Deere 111 Parts Diagram, image size 410 X 410 px, and to view image details please click the image. Here is a picture gallery about john deere 111 parts diagram complete with the description of the image, please find the image you need. We hope this article can help in finding the ...
Find your owner's manual and service information. For example the operator's manual, parts diagram, reference guides, safety info, etc.
Here is a picture gallery about john deere l111 parts diagram complete with the description of the image please find the image you need. i replaced the battery, fuel filter and later the 20 amp fuse. SEARS CRAFTSMAN Craftsman Genuine OEM Mower Ignition Switch 175566, 193350, 925-1741, 532175566.
0 Response to "38 john deere l111 parts diagram"
Post a Comment