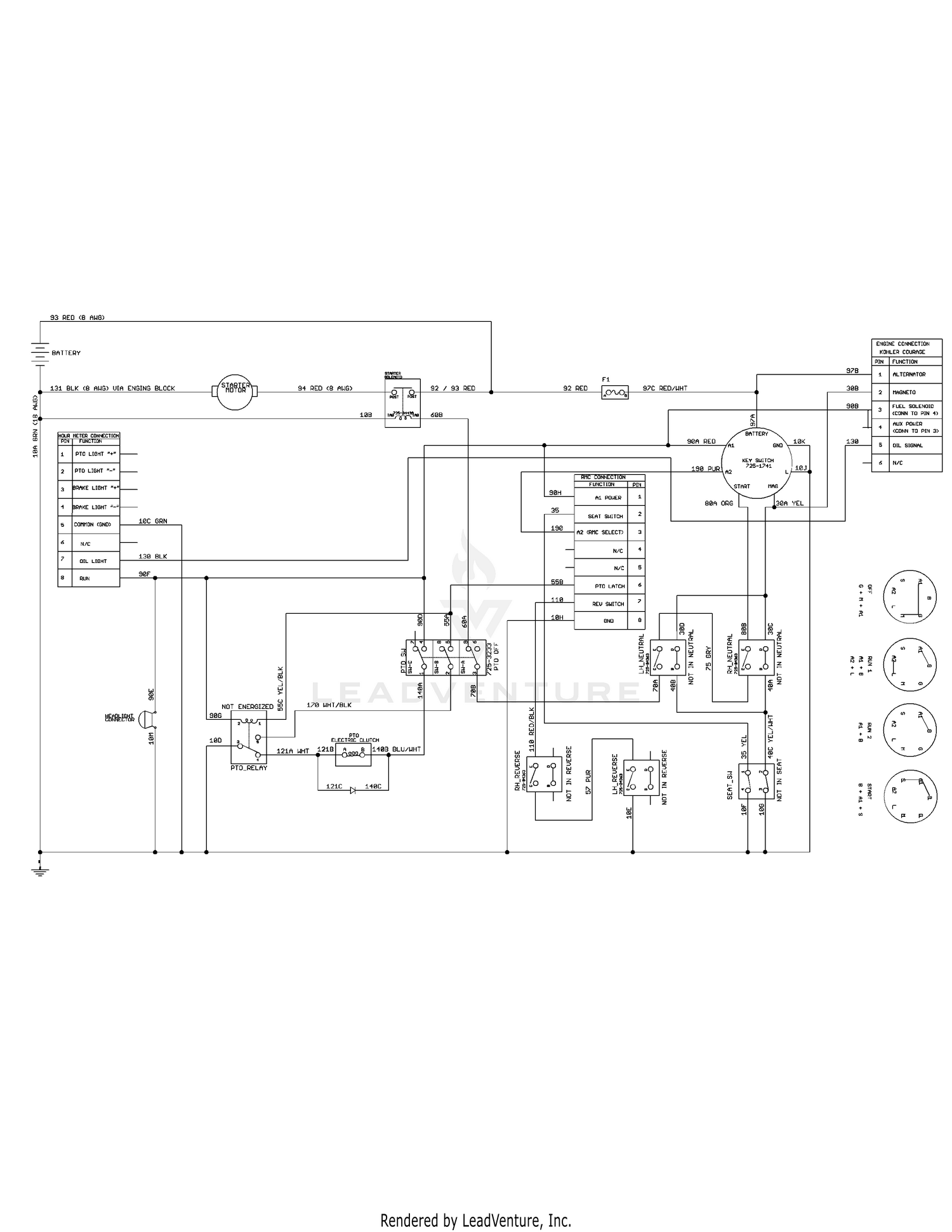
39 Cub Cadet Rzt 50 Wiring Diagram
CUB CADET RZT50 For Sale... | TractorHouse.com - Page 1 of 1 Condition: Used. 2009 CUB CADET RZT 50 ZERO TURN LAWNMOWER, 50" DECK Drive Type: 2WD. Zero Turn Lawn Mowers. For Sale Price: USD $1,295. Get Financing*. Cutting Width: 50 in. Horsepower: 22 HP. Cub Cadet Rzt 50 Parts Diagram - Wiring Diagram Database Wiring diagram for cub cadet zero turn the wiring diagram for cub cadet rzt 50 parts diagram image size 1800 x 1272 px description.
Cub Cadet RZT50 Manual, Cub Cadet Tractor... | Guidessimo.com Cub Cadet RZT50 54 3. LIMITED LIABILITY. (a) The liability of Kawasaki under this Emission Control Systems Warranty is limited solely to the remedying of defects in materials or workmanship by any authorized Kawasaki small off-road engine dealer at its place of business during customary…
Cub cadet rzt 50 wiring diagram
Amazon.com: Cub Cadet RZT Parts CUB CADET 731-09969C Left Hand Spindle Cover 50" 54" Decks RZT GT LX SX XT1 XT2. EPR Rebuild Kit Compatible with Cub Cadet RZT 50" Zero Turn Troy Bilt RZT50. 4.4 out of 5 stars 91. Cub Cadet RZT 50 manuals Cub Cadet RZT 50 Instruction Manuals and User Guides. Cub Cadet RZT 50 User Manual, 56 pages. Cub Cadet RZT SX 50 Zero-Turn Mower | Cub Cadet US Find parts for your RZT SX 50. Parts diagrams and manuals available. Free shipping on parts orders over $45. 679CC efi Cub Cadet V-twin OHV engine. Four-wheel steering with steering wheel control. New tilt steering column with LED headlight.
Cub cadet rzt 50 wiring diagram. Cub Cadet 50 inch Decks | Power Mower Sales Specs: Replacement Deck Kit - 50 Inch - Cub Cadet Yellow. Model: Fits Cub Cadet, MTD & Troy-Bilt RZT Mowers with 50" deck. View More Details. Your Price: $973.83. TractorData.com Cub Cadet RZT 50 VT tractor information Cub Cadet RZT 50 Engine. 24HP Briggs & Stratton 724cc 2-cyl gasoline. No photos of the Cub Cadet RZT 50 are currently available. To submit yours, email it to Peter@TractorData.com. Cub Cadet RZT 50 Tractor Operator's manual PDF View/Download Download Operator's manual of Cub Cadet RZT 50 Lawn Mower, Tractor for Free or View it Online on All-Guides.com. How do I change the main engine drive belt on my Cub Cadet RZT 50... Hi, I have a cub cadet rzt 50 -- recently something happened in the mower deck that causes the blades to not stay tight with the clutch. I have a 2008 Z force 50" cub cadet zero turn mower. I'm trying to change the drive belt and cannot get the belt off the pto. Any suggestions?
Hot wiring a Kubota Diesel Starter, Cub Cadet RZT50 deck issue 8_2_2017, Cub Cadet Zero Turn, RZT50, stripped deck spindle, needed to fire up the backup mower, Kubota TG1860, D722 Diesel, used a nail to hot wire a... Cub cadet RZT 50 hydrostatic transmission - Page 11 | Forum When the RZT first came out there was a grease fitting for the idler pulley pivot. Sometime later they removed it. several users have found that the arm is ether stuck in place or binds before tensioning the belt properly. Cub Cadet Rzt 50 Pto Wiring Diagram 9 Images - Cub Cadet Safety... Cub Cadet Rzt 50 Pto Wiring Diagram. Here are a number of highest rated Cub Cadet Rzt 50 Pto Wiring Diagram pictures on internet. We identified it from well-behaved source. Its submitted by admin in the best field. Cub Cadet RZT 50-KW | RZT 42 Operator's Manual Cub Cadet RZT 50-KW manual content summary 24. Check overhead clearances carefully before driving under low hanging tree branches, wires contact the engine exhaust and/ 5. Do not mow on wet grass.
View and Download Cub cadet RZT 50 instruction manual online. Cub cadet RZT 50 User Manual. Download for 1. Thank you for purchasing an RZT series tractor manufactured by Cub Cadet LLC. Disconnect the spark plug wire and ground against the engine to prevent unintended starting. Cub Cadet Rzt50 Transmission | Garden Tractor Forums Cub Cadet Rzt50 Transmission. Jump to Latest Follow. Hey there, these links don't seem to work anymore. I was wondering if someone could repost manuals to the RZT 50. CUB CADET RZT 50 OPERATOR'S MANUAL Pdf... | ManualsLib View and Download Cub Cadet RZT 50 operator's manual online. RZT Series Tractor w/50'' Mower Deck. Summary of Contents for Cub Cadet RZT 50. Page 1 Federal laws apply on federal lands, A spark arrester for the muffler is available through your nearest engine authorized service dealer or... Wiring Diagram For Cub Cadet Rzt 50 | Wiring Library - Cub Feb 15... Cub Cadet RZT50 Manuals and Diagrams Cub Cadet RZT50 Manuals. Cub Cadet Wiring Schematics - Cub Cadet Parts N More In addition to these Cub Cadet Spec Sheets, you can also view a number of Cub Cadet Manuals for some of the most popular Cub Cadet outdoor power equipment.
PDF Cub_Cadet_RZT.book Cub Cadet RZT 22. . Service Manual. RZT Zero Turn Rider. There are also 4 wheels, instead of 2, on the 50" triple blade stamped deck. All versions of the Cub Cadet RZT (and 12.3. Remove the two screws securing the fuel tank mounting wire to the frame using a 1/2" socket.
cub cadet rzt 50 problems lots of them | My Tractor Forum I have a 4 year old cub cadet rzt 50 zero turn with the kohler courage 25 horse motor. Jumped on it the saturday for the first time this year, cranked for 15 seconds and fired right up after sitting additionally i checked all the wiring, pulled all the connections and greased them, i see no nicked wires or chaffing.
cub cadet rzt50 pto switch problems My nephew has a Cub Cadet RZT50. The deck would not turn on so I traced the problem to the pull out PTO switch. I replaced it and it lasted only 2 hours. I will study the wiring diagram in the Cub manual to try and outline a step X step test procedure to determine a probable cause.
Cub Cadet RZT50 Manuals and Diagrams Cub Cadet RZT50 Manuals. Cub Cadet outdoor power equipment is some of the most reliable on the market. Your Cub Cadet products come with years of experience in designing some of the most technologically innovative and customer-focused equipment available.
Cub Cadet Kawasaki 17AI2ACP | RZT50 | eReplacementParts.com Need to fix your RZT50 (17AI2ACP010, 17AI2ACP056, 17WI2ACP010, 17WI2A) (2010) Kawasaki 17AI2ACP? Use our part lists, interactive diagrams, accessories and expert repair advice to make your repairs easy.
Cub Cadet RZT Series Zero Turn Service Repair Manual | PDF | Switch Cub Cadet RZT 22. 617AA5A7P710 1D224G20073 1. 1.1. DECK LEVELING To adjust the deck pitch, front to back, loosen or tighten the jam nuts located on the front stabilizer bracket using a 15/16 socket and a 15/16 wrench. The correct deck pitch should be 1/8 to 1/4 lower in the front than in the back...

Rareelectrical 19-390_1 New PTO Clutch Compatible With Cub Cadet Fmz 50 Rzt 50-Rzt 54 By Part Numbers 14229 521998 71704552 91704552 5219-98 717-04552
Cub Cadet Rzt 50 Wiring Diagram - Wiring Site Resource How do you hook up the wires to a solenoid switch on a rzt 50 cub cadet zero turn dont remember which wire go where. Here is a picture gall...
Cub Cadet RZT SX 50 Zero-Turn Mower | Cub Cadet US Find parts for your RZT SX 50. Parts diagrams and manuals available. Free shipping on parts orders over $45. 679CC efi Cub Cadet V-twin OHV engine. Four-wheel steering with steering wheel control. New tilt steering column with LED headlight.
Cub Cadet RZT 50 manuals Cub Cadet RZT 50 Instruction Manuals and User Guides. Cub Cadet RZT 50 User Manual, 56 pages.
Amazon.com: Cub Cadet RZT Parts CUB CADET 731-09969C Left Hand Spindle Cover 50" 54" Decks RZT GT LX SX XT1 XT2. EPR Rebuild Kit Compatible with Cub Cadet RZT 50" Zero Turn Troy Bilt RZT50. 4.4 out of 5 stars 91.
0 Response to "39 Cub Cadet Rzt 50 Wiring Diagram"
Post a Comment