Iklan 300x250

42 cub cadet ltx 1050 kw parts diagram

Cub Cadet Tractor | LTX1050KW | eReplacementParts.com Need to fix your LTX1050KW (13WI93AP010, 13AI93AP010) (2014) Tractor? Use our part lists, interactive diagrams, accessories and expert repair advice to make your repairs easy. We Sell Only Genuine Cub Cadet Parts. Cub Cadet Ltx 1050 Deck Diagram - Free Diagram For Student Cub cadet ltx1050 ltx1050kh ltx1050kw ltx1050vt lawn tractor parts diagrams cub cadet model ltx1050 lawn tractor for mowers that blur the line between professional usage and utility around the typical home consumers need only look to the ltx series of riding mowers sold by cub cadet.

Cub cadet ltx 1050 kw service manual - United States Tutorials User... Cub Cadet Kw Ltx 1050 Service Manual Decoration Creative Home Cub Cadet Mower Deck Belt Diagram Youonlyhaveonelife Info Cub Cadet Cub Cadet Hydrostatic Transmission Oil. Document for Cub Cadet Ltx Owners Manual is available in various parts owners manual set ltx vt kw set...

Cub cadet ltx 1050 kw parts diagram

Cub cadet ltx 1050 kw parts diagram

Cub Cadet LTX1050/KW Lawn Mower User manual | Manualzz Illustrated Parts Manual Hydrostatic Lawn Tractor — LTX1050/KW CUB CADET LLC, P.O. BOX 361131 CLEVELAND, OHIO 44136-0019 Printed In USA Form No. 769-07529 October 18, 2011 To The Owner Thank you for purchasing an Cub Cadet Lawn Tractor. It was carefully engineered to... Cub Cadet Ltx 1050 Kw Parts Diagram Find Cub Cadet Parts for Cub Cadet lawn mowers and other power Order replacement parts or download a copy of your machine's operator's CUB CADET ILLUSTRATED PARTS MANUAL ltx/kw HYDROSTATIC LAWN TRACTOR. This is a photocopy,reprint,reproduction,copy (and looks like a. LTX 1050 KW (13AF91AP010) - Cub Cadet 50" Lawn Tractor Parts... 50" Lawn Tractor. Recommended Parts Show. KM-BPR4ES. Attachments For This Model (6) Hide. 032 (190-032-101) - Cub Cadet 42" Snow Thrower Attachment.

Cub cadet ltx 1050 kw parts diagram. TractorData.com Cub Cadet LTX 1050 KW tractor information Manufacturer. Cub Cadet (a part of MTD). Cub Cadet LTX 1050 Engine. 22HP Kawasaki 726cc 2-cyl gasoline. Cub Cadet LTX 1050 attachments. 50" mid-mount mower deck. snowblower. cosmo-kasino350.de › cub-cadet-electric-ptoSaved. #2. Ariens Electric PTO Clutch. Cub Cadet LT1045 (2005 ... Cub cadet slt 1554 lawn tractor cub cadet slt 1550 lawn tractor cub cadet lt 1050 lawn brakes and brake adjustment: Also fits cub cadet i series zero turn tracts. The Cub Cadet XT1 LT42e runs off a lithium-ion 56-volt Max-60 Ah-3000 Wh battery with a run time of about 1. Cub cadet ltx 1050 manual Cub Cadet LTX 1046 KW deck removal and blade sharpening Cub Cadet XT1 and XT2 deck removal - … Aug 02, 2014 · The Cub Cadet LTX 1050 KW (50-Inch) 23HP Kawasaki Lawn Tractor 13WI93AP010 has been discontinued. Check out Expert's recommended alternatives for another top... Cub Cadet Ltx 1050 solenoid Wiring Diagram | autocardesign Tags: cub cadet katalog, cub cadet rider, cub cadet usa, cub cadet volunteer, cub cadet weed eater parts. Related Posts of "Cub Cadet Ltx 1050 solenoid Wiring Diagram". Ford Wiring Diagrams Free Wiring Diagrams Weebly Com.

Cub Cadet LTX1050/KW Lawn Mower Illustrated parts manual The Asus Cub Cadet LTX1050/KW document found is checked and safe for using. View online or download PDF Illustrated parts manual for Cub Cadet Lawn Mower LTX1050/KW for Free. Cub Cadet Ltx 1050 Deck Diagram - Diagram For You Cub cadet ltx1050 ltx1050kh ltx1050kw ltx1050vt lawn tractor parts diagrams cub cadet model ltx1050 lawn tractor for mowers that blur the line between professional Drive belt diagram for a cub cadet ltx. Ltx 1050 deck repair rings wbolts for spindles 91805016 918 nationwide parts warehouse. Cub Cadet Ltx 1050 Kw Parts Diagram - Free Wiring Diagram Save cub cadet ltx 1050 parts to get e mail alerts and updates on your ebay feed. Select your factory number below. Ltx 1050vt ltx 1050. Cub cadet ltx1050 parts for mowers that blur the line between professional usage and utility around the typical home consumers need only look to the ltx series of... Cub Cadet LTX 1050 KW Support and Manuals Cub Cadet LTX1050KW: Snow Plowing (6in). Parts Manual - Page 2 ... of product specifications for purchasing an Cub Cadet Lawn Tractor. All information in this manual may cover a range of Contents Axle, Front 4 Battery 6 Head Lamps 10 Mower Deck, 50-inch 16 Pedal Controls 12/14 Dash Panel 10...

Cub Cadet LTX1050 Parts Diagrams Cub Cadet LTX1050 Manuals. Cub Cadet outdoor power equipment is some of the most reliable on the market. Your Cub Cadet products come with years of experience in designing some of the most technologically innovative and customer-focused equipment available. Wiring Diagram For Cub Cadet Ltx 1050 - The Wiring Diagram... Through the thousands of pictures on the net concerning cub cadet ltx 1045 parts diagram, we choices the best choices along with best image resolution exclusively for you, and now this photos is usually considered one of photos choices within our greatest images gallery with regards to Cub... Cub Cadet LTX1050/KW Lawn Mower Illustrated Parts Manual for Free Download Cub Cadet Lawn Mower LTX1050/KW free PDF Illustrated Parts Manual, and get more Cub Cadet LTX1050/KW manuals on Bankofmanuals.com. The guide contains 60 pages, and the size of the file at download is 6.72 Mb. The document type is Illustrated Parts Manual. › contactContact Us - Netstrata The first step towards benefiting from the Netstrata difference is to make an enquiry for an obligation free quote. Request a Quote. If you would like to visit us, scroll down to see our office locations.

Cub Cadet LTX1050

Cub Cadet LTX1050

Cub Cadet Ltx 1050 Belt Diagram - Wiring Diagram Database Cub Cadet Wiring Diagram For Ltx 1050 Schematic Diagram. Lawn mower cub cadet ltx 1040 illustrated parts manual. Transmission Belt Fan Replacement Cub Cadet Ltx1045 9 Steps. Cub Cadet Kw Ltx 1050 Service Manual Decoration Creative Home.

Cub Cadet LTX 1050 KW lawn tractor: review and specs ...

Cub Cadet LTX 1050 KW lawn tractor: review and specs ...

Cub Cadet LTX 1050 KW | Parts Manual ...1050 KW | Parts Manual - Page 1 Illustrated Parts Manual Hydrostatic Lawn Tractor - LTX1050/KW Printed In USA CUB CADET LLC, P.O. BOX 361131 Part Number Main Housing Assembly 40 HG-44871 Main Screw 3/8-24 x 2.5 Bottom, Filter Base Filter W/ Poppet Actuator Bypass Rod Bypass x 1...

TractorData.com Cub Cadet LTX 1050 KW tractor information

TractorData.com Cub Cadet LTX 1050 KW tractor information

35 Cub Cadet Ltx 1050 Kw Parts Diagram - Wiring Diagram Database The ltx 1050 is also one of cub cadets only consumer targeted mowers to feature the automatic tuff torq hydrostatic transmission system. Hydrostatic lawn tractor illustrated parts manual 61 pages. Cub Cadet Parts Diagrams Cub Cadet Ltx1050kw Tractor 2011.

Cub Cadet LTX 1050 KW | Parts Manual

Cub Cadet LTX 1050 KW | Parts Manual

Replacement Parts & Service | Cub Cadet US Explore Service & Parts. Cub Cadet Genuine Parts gives you a genuine advantage: the confidence of using parts specifically designed for an exact fit, optimal performance and maximum safety. Use our parts diagram tool below to find the parts you need for your machine.

Cub Cadet Tractor | LTX1050KH | eReplacementParts.com

Cub Cadet Tractor | LTX1050KH | eReplacementParts.com

Cub cadet ltx 1045 parts Cub Cadet LTX1045 Parts, cub cadet ltx 1045 parts. Did you know that your Internet Explorer is out of date? If you have a Cub Cadet LTX lawn tractor lawn mower that you're working on, doing maintenance or repair, you will find our exploded view parts diagrams very helpful in ordering the...

Cub cadet LTX1050/KW Manuals | ManualsLib

Cub cadet LTX1050/KW Manuals | ManualsLib

Cub Cadet LTX1050/KW Illustrated Parts Manual | ManualsLib View and Download Cub Cadet LTX1050/KW illustrated parts manual online. Locate your nearest Cub Cadet dealer at (877) 282-8684 or visit to find the nearest Cub Cadet dealer in your area.

Cub Cadet LTX1050KW Tractor (2011) 13AF91AP010 (2011 ...

Cub Cadet LTX1050KW Tractor (2011) 13AF91AP010 (2011 ...

Cub Cadet Ltx 1050 Drive Belt Diagram - Wiring Site Resource Lawn mower cub cadet ltx 1040 illustrated parts manual. It recently threw the dilapidated drive belt. Drive belt several components must be removed and special tools used in Serpentine belt routing diagram for cub cadet ltx 1050 mower routing diagram for serpentine belt cub cadet garden question.

Cub Cadet LTX 1050 KW Manual

Cub Cadet LTX 1050 KW Manual

Cub Cadet Service Parts & Owners Manual Set LTX1050 VT KW 5 hours ago Cub Cadet Ltx 1050 solenoid Wiring Diagram Cub Cadet Ltx 1050 Kw Parts Manual Page 17 is one of the pictures that are related to the picture before in the collection gallery, uploaded by autocardesign.org.You can also look for some pictures that related to Wiring Diagram by scroll down...

Cub Cadet LTX 1050 KH (13WQ91AP056) - Cub Cadet 50

Cub Cadet LTX 1050 KH (13WQ91AP056) - Cub Cadet 50" Lawn ...

Cub Cadet Ltx 1050 Kw Parts | Home and Garden Designs Cub Cadet LTX1050 LTX1050KH LTX1050KW LTX1050VT Parts. That's definitely the case with the LTX 1050, which features a powerful engine and an . Search by . View and Download Cub Cadet LTX1050/KW illustrated parts manual online.

Cub Cadet Parts Diagrams, Cub Cadet LTX1050KW Tractor (2013 ...

Cub Cadet Parts Diagrams, Cub Cadet LTX1050KW Tractor (2013 ...

Cub Cadet LTX1050/KW Manual, Cub Cadet Lawn... | Guidessimo.com Cub Cadet LTX1050/KW Component 0 l Part Number and Description 751-3111 Fuel Tank Cap 746-04120 Choke Control Cable 746-1100 Throttle Control Cable 925-2054A Ignition Key 631-04070A Discharge Chute Parts Manual downloads are also available free of charge at .…

Cub Cadet Ltx 1050 Kw Online Store, UP TO 63% OFF | www.bel ...

Cub Cadet Ltx 1050 Kw Online Store, UP TO 63% OFF | www.bel ...

35 Cub Cadet Ltx 1050 Deck Belt Diagram - Wiring Diagram Niche Ltx 1050 lawn mower pdf manual download. Cub cadet ltx 1050 deck belt diagram. Hydro drive shaft assembly. The will not make it easy for you to find the information on 1050 lawn mower pdf manual download. First off if you have a cub cadet ltx 1050 or ltx 1050kw with this deck underneath read up.

cub cadet ltx 1050 deck belt replacement,mobilibianco.it

cub cadet ltx 1050 deck belt replacement,mobilibianco.it

ILLUSTRATED PARTS MANUAL 15 Nov 2013 — CUB CADET LLC, P.O. BOX 361131 CLEVELAND, OHIO 44136-0019. Printed In USA. ILLUSTRATED PARTS MANUAL. Hydrostatic Lawn Tractor — LTX1050/KW.40 pages

Cub Cadet Ltx 1050 Kw Online Store, UP TO 63% OFF | www.bel ...

Cub Cadet Ltx 1050 Kw Online Store, UP TO 63% OFF | www.bel ...

paguyome.blog.jp › archives › 2021-122021年12月 : パグ嫁と姑 Powered by ライブドアブログ Dec 31, 2021 · 嫁が大好きツンデレ姑 パグのぱぐ沢一家の4コママンガです

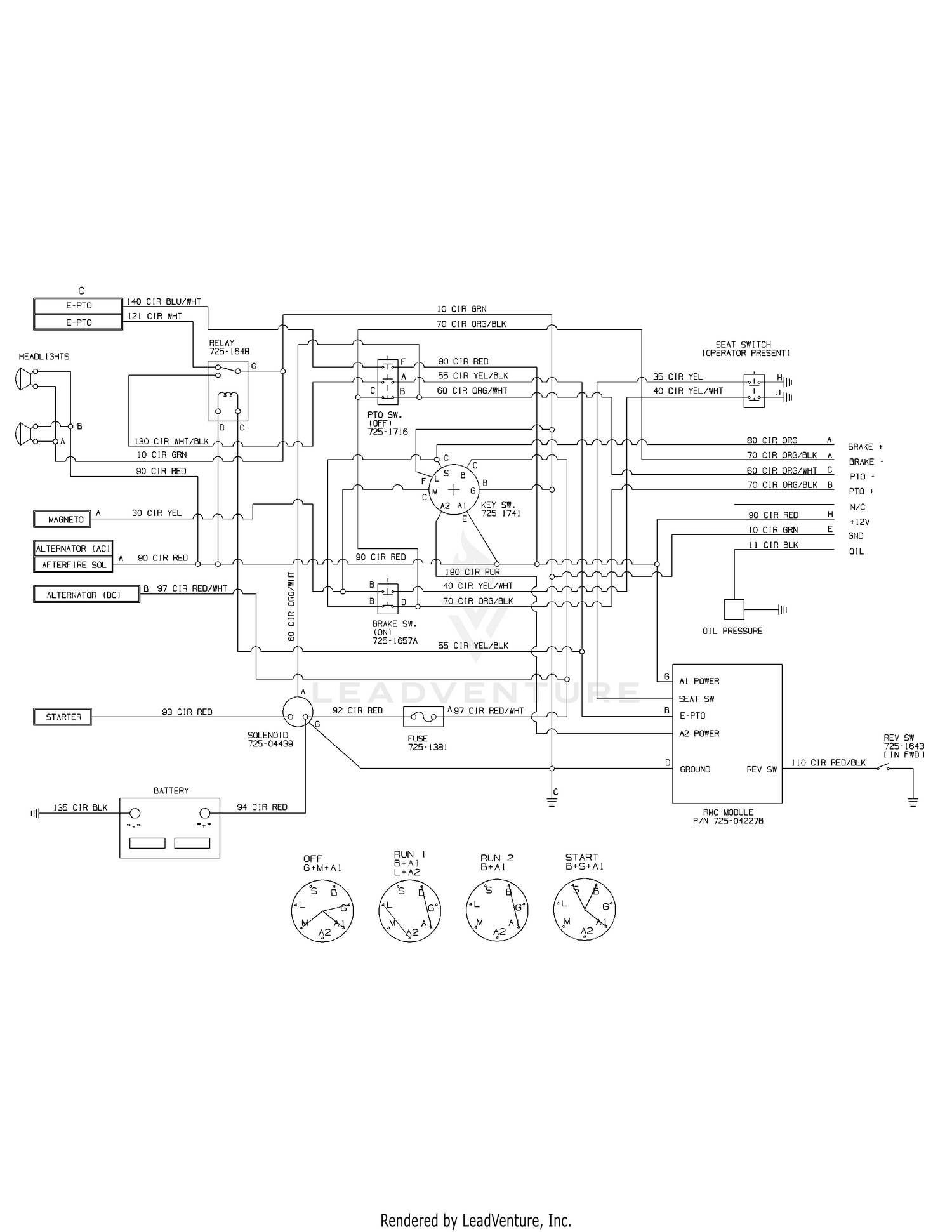
Cub Cadet Lawn tractors LTX 1050 13AQ93AP330 (2015) Wiring ...

Cub Cadet Lawn tractors LTX 1050 13AQ93AP330 (2015) Wiring ...

Cub Cadet Ltx 1050 Idler Pulley Part Number | Home and Garden... Cub Cadet LTX1050 LTX1050KH LTX1050KW LTX1050VT Parts. That's definitely the case with the LTX 1050, which features a powerful engine and an. above, this particular model would be a top choice for a large number of buyers. Cub Cadet LTX Diagrams and Manuals..

Cub Cadet Tractor | LTX1050KW | eReplacementParts.com

Cub Cadet Tractor | LTX1050KW | eReplacementParts.com

› Major_Research_GroupingsMajor Research Groupings | Institute Of Infectious Disease ... For information on South Africa's response to COVID-19 please visit the COVID-19 Corona Virus South African Resource Portal.

Cub Cadet LTX1050 mower review - farmmachinerysales.com.au

Cub Cadet LTX1050 mower review - farmmachinerysales.com.au

alexander-goers.de › cub-cadet-driveshaft-upgradePage Not Found Cub Cadet Pump Driveshaft. 2050550u 2050540u cub cadet garden, cub cadet rzt 50 wiring diagram dogboi info, ltx 1050 cub cadet tiller parts diagram, series 1000 cub cadet, cub cadets nos onan me 185 2658 headlight tail light, wiring diagram for cub cadet lt1050 readingrat net, no voltage at pto clutch wiring harness cub cadet lt1040, cub cadet ...

cub cadet ltx 1050 deck belt diagram,mobilibianco.it

cub cadet ltx 1050 deck belt diagram,mobilibianco.it

Cub Cadet LTX1050/KW Lawn Mower Illustrated parts manual PDF... Type: Illustrated parts manual for Cub Cadet LTX1050/KW. Pages: 60 (6.72 Mb). Illustrated Parts Manual. Hydrostatic Lawn Tractor — LTX1050/KW.

LTX 1050 KW Belt - Cub Cadet

LTX 1050 KW Belt - Cub Cadet

LTX 1050 KW (13AF91AP010) - Cub Cadet 50" Lawn Tractor Parts... 50" Lawn Tractor. Recommended Parts Show. KM-BPR4ES. Attachments For This Model (6) Hide. 032 (190-032-101) - Cub Cadet 42" Snow Thrower Attachment.

Cub Cadet LTX1050

Cub Cadet LTX1050

Cub Cadet Ltx 1050 Kw Parts Diagram Find Cub Cadet Parts for Cub Cadet lawn mowers and other power Order replacement parts or download a copy of your machine's operator's CUB CADET ILLUSTRATED PARTS MANUAL ltx/kw HYDROSTATIC LAWN TRACTOR. This is a photocopy,reprint,reproduction,copy (and looks like a.

CUB CADET LTX1050VT OPERATOR'S MANUAL Pdf Download | ManualsLib

CUB CADET LTX1050VT OPERATOR'S MANUAL Pdf Download | ManualsLib

Cub Cadet LTX1050/KW Lawn Mower User manual | Manualzz Illustrated Parts Manual Hydrostatic Lawn Tractor — LTX1050/KW CUB CADET LLC, P.O. BOX 361131 CLEVELAND, OHIO 44136-0019 Printed In USA Form No. 769-07529 October 18, 2011 To The Owner Thank you for purchasing an Cub Cadet Lawn Tractor. It was carefully engineered to...

HQRP Air Filter for Cub Cadet LTX 1050 KW, LTX 1046 KW, RZT 50 KW, RZT 54  KW, RZT L46 KW, RZT L50 KW, RZT L54 KW, XT2 GX5, XT2 LX4, XT2 LX5 series ...

HQRP Air Filter for Cub Cadet LTX 1050 KW, LTX 1046 KW, RZT 50 KW, RZT 54 KW, RZT L46 KW, RZT L50 KW, RZT L54 KW, XT2 GX5, XT2 LX4, XT2 LX5 series ...

Nut, Jam Lock, 1/2-20, Gr5, Nylon - transmission | Cub Cadet ...

Nut, Jam Lock, 1/2-20, Gr5, Nylon - transmission | Cub Cadet ...

Cub Cadet Ltx1050 Kw Users Manual

Cub Cadet Ltx1050 Kw Users Manual

Cub Cadet Ltx 1050 Parts | The Garden

Cub Cadet Ltx 1050 Parts | The Garden

Cub Cadet LTX1050KW Tractor (2014) 13AI93AP010 (2014 ...

Cub Cadet LTX1050KW Tractor (2014) 13AI93AP010 (2014 ...

Cub Cadet LTX1050 mower review - farmmachinerysales.com.au

Cub Cadet LTX1050 mower review - farmmachinerysales.com.au

Troy Bilt 13AA92KP066 TB2450 (2013) Parts Diagram for PTO ...

Troy Bilt 13AA92KP066 TB2450 (2013) Parts Diagram for PTO ...

Cub Cadet LTX1050KW Tractor (2012) 13AI93AP010 (2012 ...

Cub Cadet LTX1050KW Tractor (2012) 13AI93AP010 (2012 ...

Riding Mower 50-inch Deck Belt - Original Equipment Genuine Part (OEM)

Riding Mower 50-inch Deck Belt - Original Equipment Genuine Part (OEM)

cub cadet ltx 1050 drive belt replacement,debisschop.be

cub cadet ltx 1050 drive belt replacement,debisschop.be

Cub Cadet Ltx 1050 Engine on Sale, UP TO 63% OFF | www.bel ...

Cub Cadet Ltx 1050 Engine on Sale, UP TO 63% OFF | www.bel ...

8TEN Spindle Blade Belt Kit for 50 inch Deck MTD Cub Cadet SLTX1050  LTX1050VT LTX1050KH LTX1050KW

8TEN Spindle Blade Belt Kit for 50 inch Deck MTD Cub Cadet SLTX1050 LTX1050VT LTX1050KH LTX1050KW

Cub Cadet LTX 1050 KW (13AF91AP010) - Cub Cadet 50

Cub Cadet LTX 1050 KW (13AF91AP010) - Cub Cadet 50" Lawn ...

Cub Cadet LTX 1050 KW | Parts Manual

Cub Cadet LTX 1050 KW | Parts Manual

LTX 1050 KH (13AP91AP056) - Cub Cadet 50

LTX 1050 KH (13AP91AP056) - Cub Cadet 50" Lawn Tractor (2009 ...

ON MY LTX 1050 KW WHEN I PULL THE PTO SWITCH OUT IT KILLS THE ...

ON MY LTX 1050 KW WHEN I PULL THE PTO SWITCH OUT IT KILLS THE ...

Cub Cadet LTX 1050 KW (13RF91AP056) - Cub Cadet 50

Cub Cadet LTX 1050 KW (13RF91AP056) - Cub Cadet 50" Lawn ...

Cub Cadet LTX 1050 KW Manual

Cub Cadet LTX 1050 KW Manual

Cub Cadet LTX1050KW Tractor (2010 & Before) 13AF91AP010 ...

Cub Cadet LTX1050KW Tractor (2010 & Before) 13AF91AP010 ...

Cub Cadet Ltx 1050 Kw Online Store, UP TO 63% OFF | www.bel ...

Cub Cadet Ltx 1050 Kw Online Store, UP TO 63% OFF | www.bel ...

Cub Cadet LTX 1050 KW (13RF91AP056) - Cub Cadet 50

Cub Cadet LTX 1050 KW (13RF91AP056) - Cub Cadet 50" Lawn ...

Cub Cadet LTX 1050 KW (13AF91AP010) - Cub Cadet 50

Cub Cadet LTX 1050 KW (13AF91AP010) - Cub Cadet 50" Lawn ...

0 Response to "42 cub cadet ltx 1050 kw parts diagram"

Post a Comment

Iklan Atas Artikel

Iklan Tengah Artikel 1

Iklan Tengah Artikel 2

Iklan Bawah Artikel